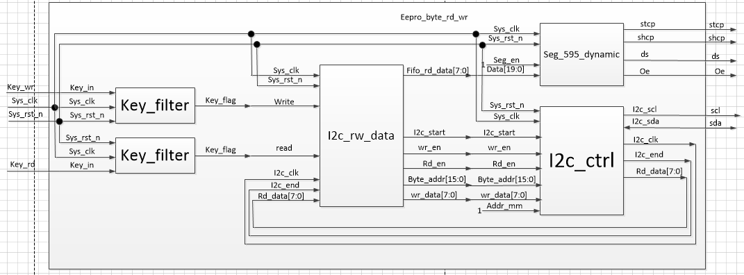
基于I2C协议的EEPROM驱动控制


`timescale 1ns / 1ps
module i2c_ctrl
#(parameter DEVICE_ADDR = 7'b1010_000,//i2c设备地址 parameter SYS_CLK_FREQ = 26'd50_000_000,//输入系统时钟频率 parameter SCL_FREQ = 18'd250_000 //i2c设备scl时钟频率
)
(input wire sys_clk,//输入系统时钟,频率为50MHZ input wire sys_rst_n,//输入复位信号,低电平有效 input wire wr_en,//输入写使能 input wire rd_en,//输入读使能信号 input wire i2c_s