LVDS硬件知识 - 指南

news/2025/10/20 16:17:54/文章来源:https://www.cnblogs.com/lxjshuju/p/19152945

1. LVDS简介

LVDS英文全称Low-Voltage Differential Signaling(低电压差分信号),是一种电平标准,常应用在大屏显示接口上。

在硬件设计这一块,常常看到xxx电平标准(比如TTL电平标准、LVTTL电平标准、CMOS电平标准、LVCMOS电平标准、LVDS电平标准等等),也常常看到xxx协议(比如USB协议、UVC协议等等),之前一直将电平标准和协议这两个概念列为类似的东西,没有加以区分,导致学习硬件知识时,在很多硬件知识点上非常懵逼。在这里谈谈自己的看法,希望能帮到大家区分这两个概念。

她认为的低(≤1.7米?),给出具体的数字,我们就认为他的身高要求向标准化进步了。就是电平标准就是定义多高的电压是逻辑高(逻辑1),多低的电压是逻辑低(逻辑0),电压多高才算逻辑高,电压多低才算逻辑低,一定得有具体数字,不能靠感觉耍嘴皮。这就像是女生对自己心仪对象的身高要求,她说,“我想要找一个个子高的,不要个子低的”,那多高才是她想要的高(≥1.8米?),多低才

而xxx协议就是定义逻辑0、1组合的含义。比方说我们定义’01010100’这个01组合,是我们自己设计的协议的数据开始信号,接收方接收到这个01组合后就要明白,发送方接下来发送的01组合是数据信号。然后我们完善自己定义的协议,什么01组合是数据结束信号、数据停止发送信号等等,等等。

综上,xxx电平标准的精髓就是定义电压多少是逻辑高,电压多少是逻辑低;xxx协议的精髓就是定义逻辑01组合的含义。

2. LVDS电平

分LVDS发送端(驱动器端)和LVDS接收端(接收器)

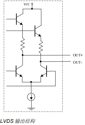
2.1 LVDS发送端(驱动器端)

驱动器框图如下。LVDS驱动器有一个3.5mA的恒流源,通过控制MOS管的开和关,控制电流的流向,而接收器输入阻抗非常高,所以电流几乎全部从100Ω电阻流过。在100Ω电阻上将产生3.5mA*100Ω=350mV的摆幅的电压。

驱动器端的共模电压为1.2V。在驱动器端,差分输出电压在-450mV到-250mV就认为输出了逻辑1,差分输出电压在250mV到450mV就认为输出了逻辑0。

2.2 LVDS接收端(接收器端)

如下图,IN+与IN-输入差分阻抗为100Ω。为适应共模电压宽范围内的变化,输入级还包括一个自适应电平转换电路,该电路将共模电压设置为一固定值(1.2±1V),该电路后面是一个施密特触发器。施密特触发器的输入门限具有滞回特性,触发器后级是差分放大器。

在接收端的标准是,差分输入电压小于-200mV就认为收到逻辑1,差分输入电压大于200mV就认为收到逻辑0.

会不会有这样的疑问,LVDS驱动器端差分电压输出绝对值在250mV到450mV,而接收器输入差分电压绝对值大于200mv就行?这是防止线路过程中的损耗,才在接收器端降低逻辑电平电压。

3.TV板双八接口定义

LVDS电平常应用在大屏的视频信号上,这里分享一下TV板显示屏接口,双排针,针脚间接2mm,30pin,双八线接口信号定义

Pin No.

Definition(定义)

Pin No.

Definition(定义)

1

VCC

16

RXOC-

2

VCC

17

RXO3-

3

VCC

18

RXO3+

4

GND

19

RXE0-

5

GND

20

RXE0+

6

NC

21

RXE1-

7

RXO0-

22

RXE1+

8

RXO0+

23

RXE2-

9

RXO1-

24

RXE2+

10

RXO1+

25

GND

11

RXO2-

26

GND

12

RXO2+

27

RXEC-

13

GND

28

RXEC-

14

GND

29

RXE3-

15

RXOC-

30

RXE3+

4.LVDS布线要点

①差分等长,在不等长的地方做等长补偿

②不要跨分割

③时钟差分对用地包围

④LVDS信号过孔尽量再加两个地过孔

本文来自互联网用户投稿,该文观点仅代表作者本人,不代表本站立场。本站仅提供信息存储空间服务,不拥有所有权,不承担相关法律责任。如若转载,请注明出处:http://www.mzph.cn/news/941320.shtml

如若内容造成侵权/违法违规/事实不符,请联系多彩编程网进行投诉反馈email:809451989@qq.com,一经查实,立即删除!

相关文章

task 1 improved

task 1 improved#include <stdio.h> #include <stdlib.h> #include <time.h>#define N 5 #define N1 80 #define N2 35 int main(){int cnt;int r;//random_major,random_no;srand(time(NULL)); //n…

rhel v7 v8 local repository setting

---------v7----------- echo -e "[RHEL7-ELS]" > /etc/yum.repos.d/web.repo echo -e "name=RHEL7-ELS" >> /etc/yum.repos.d/web.repo echo -e "enabled=1" >> /etc/y…

2025 年仿石漆厂家最新推荐榜,技术实力与市场口碑深度解析,精选优质企业助力选购水包砂/冠晶石/外墙/多彩/批刮仿石漆厂家推荐

引言 当前仿石漆行业蓬勃发展,但市场品牌繁杂、产品质量良莠不齐,采购方在挑选时常常面临诸多难题。部分产品仿石效果不佳、性能不稳定,甚至存在环保隐患,不仅影响建筑外观与使用寿命,还可能危害环境与人体健康。…

wsl连接 USB 设备

连接 USB 设备2025/06/11本指南将演练使用 USB/IP 开源项目 usbipd-win 将 USB 设备连接到 WSL 2 上运行的 Linux 分发版所需的步骤。 在 Windows 计算机上配置 USB/IP 项目可以实现常见的开发者 USB 场景,例如刷写 A…

完整教程:轻量服务器创建mysql,并配置远程连接

pre { white-space: pre !important; word-wrap: normal !important; overflow-x: auto !important; display: block !important; font-family: "Consolas", "Monaco", "Courier New", …

【完整版】vcruntime140_1.dll缺失?3步快速修复教程(含官方修复工具+系统适配指南)

当你在运行 Photoshop、Premiere、WPS 或游戏时出现“由于找不到 vcruntime140_1.dll,无法继续执行代码”的提示,不要慌。本文详细讲解 vcruntime140_1.dll 文件的作用、缺失原因,并提供三种权威修复方案:微软官方…

linux 学习平台 arm+x86 搭建 - 详解

linux 学习平台 arm+x86 搭建 - 详解pre { white-space: pre !important; word-wrap: normal !important; overflow-x: auto !important; display: block !important; font-family: "Consolas", "Monac…

如何系统化掌握 iOS 26 App 耗电管理,多工具协作

本文聚焦 iOS 26 App 耗电管理 /能耗监控 /后台唤醒优化主题,从电量下降速率、资源占用、后台任务、文件 IO/网络访问、版本差异等维度构建监控体系。结合多工具(Xcode Instruments、KeyMob 克魔、APM平台、文件工具…

user read only folder

setfacl -R -m u:iasloguser:r-x /scb/iads/gateway/log/ setfacl -R -m d:u:iasloguser:r-x /scb/iads/gateway/log/ d:u: is default ACL getfacl /scb/iads/gateway/log/

告别重复劳动,MonkeyCode 让你的开发团队拥有永动机

告别重复劳动,MonkeyCode 让你的开发团队拥有"永动机"作为一个在代码海洋里摸爬滚打了多年的开发者,我见过太多团队陷入这样的困境:代码审查耗时耗力、新人培养成本高昂、文档更新永远滞后、重复性工作占…

cpu for rhel8 on vmware

yum install sysstat -y systemctl start sysstat systemctl enable sysstat systemctl status sysstat tuned-adm list tuned-adm profile throughput-performance tuned-adm active echo 1 second,total 3 times mps…

CentOS7安装Python3.10环境

主要步骤:依赖=>下载=>编译=>配置 依赖  常见错误没有安装相关的依赖库The necessary bits to build these optional modules were not found:  _curses  _curses_panel  _dbm  _gdbm  _lzma  …

2025 年冷库板厂家最新推荐榜:前五优质生产商盘点,含聚氨酯 / 保温 / 阻燃板企业选购指南 聚氨酯夹心板/聚氨酯保温板厂家推荐

引言2025 年国内冷链行业持续扩容,生鲜电商、医药冷链等领域对冷库板的需求呈爆发式增长,然而市场上产品质量参差不齐,部分厂商存在导热系数不达标、阻燃性能不足等问题,采购方难以精准筛选优质供应商。新版冷库节…

自主进化的AI大模型架构设想(解决大模型时效性问题):知识网络的拓扑设计 - 详解

自主进化的AI大模型架构设想(解决大模型时效性问题):知识网络的拓扑设计 - 详解pre { white-space: pre !important; word-wrap: normal !important; overflow-x: auto !important; display: block !important; fon…

2025 年大连 AI 品牌最新推荐排行榜:甄选懂商业重实效的实力服务商大连Ai培训/大连Ai开发/大连Ai推广公司推荐

引言 随着 AI 技术加速渗透商业场景,大连本地企业对 AI 服务的需求呈爆发式增长,但行业乱象却让企业陷入选择困境:技术与商业脱节的服务导致 AI 工具沦为 “摆设”,缺乏实战指导的培训让企业学完仍无法落地,远程服…

2025 年 MacBook / 苹果电脑清理应用程序最新推荐榜单:精选适配 macOS 系统的高性能系统优化工具

引言 随着 MacBook 等苹果电脑在工作与生活中的广泛应用,用户对系统流畅度和存储空间管理的需求愈发迫切。长期使用后,电脑易堆积缓存、冗余文件,还可能遭遇恶意软件侵扰,导致运行卡顿、存储空间告急,而 macOS 自…

2025 生物质颗粒机厂家推荐榜:聚焦高效环保,山东博力达机械成优选​

随着 “双碳” 目标推进与环保政策趋严,生物质能作为可再生能源的核心组成部分,市场需求持续攀升,带动生物质颗粒机行业快速发展。据行业预测,2025 年中国生物质颗粒机市场规模将达到约 150 亿元人民币,年复合增长…

.NET驾驭Word之力:基于规则自动生成及排版Word文档

.NET驾驭Word之力:基于规则自动生成及排版Word文档在现代办公环境中,自动化文档生成和排版已经成为提高工作效率的重要手段。MudTools.OfficeInterop.Word 是一个强大的 .NET 库,它封装了 Microsoft Word 的 COM 组…

2025 年国内氧化锆陶瓷厂家最新推荐排行榜:含黑色 / 白色 / 电子陶瓷等品类公司精选

引言 随着氧化锆陶瓷在智能手机、航空航天、新能源汽车等领域的应用愈发广泛,市场对优质产品的需求持续攀升。但当前行业存在企业技术水平悬殊、产品质量参差不齐的问题,部分企业缺乏核心技术,难以满足高端市场对高…

2025 运动木地板厂家最新推荐榜:权威甄选行业前五优质品牌,附专业选择指南

引言 随着体育产业迈向 7 万亿元规模目标,运动木地板作为场馆核心设施,其品质直接关乎运动安全与体验。但当前市场品牌繁杂,既有技术落后、以次充好的劣质产品,也有新兴品牌凭借创新技术快速崛起,采购方难以精准甄…