文章目录
- 1 CPU功能和基本结构
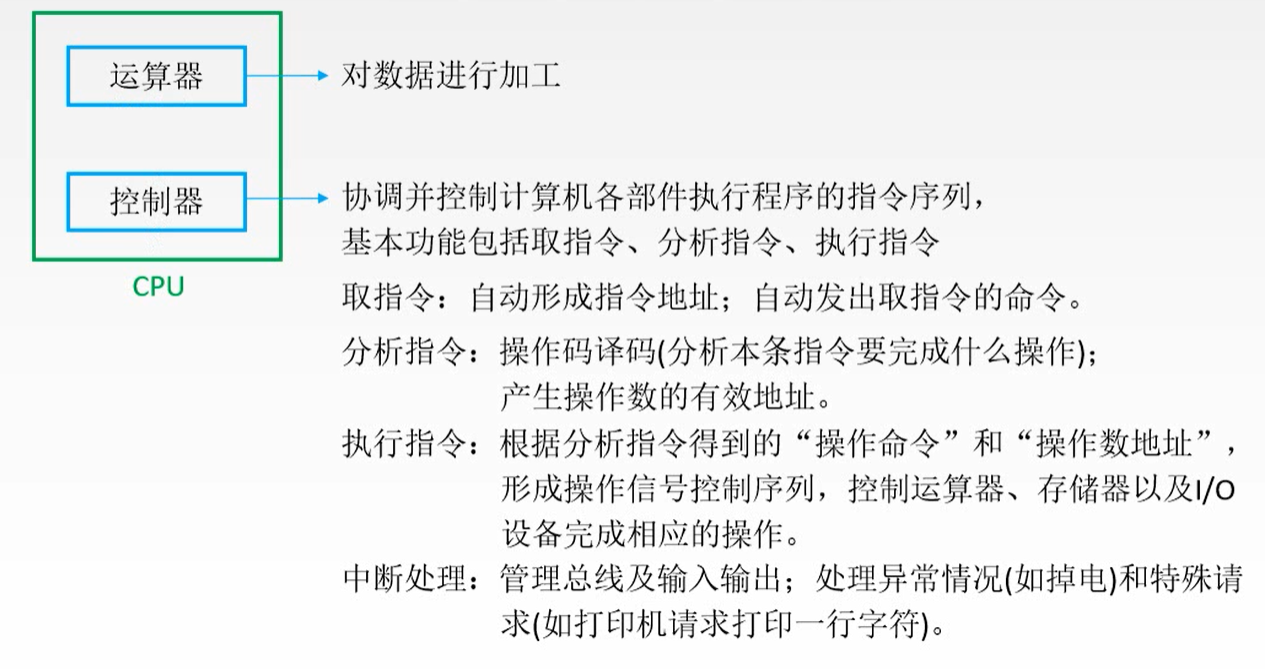
- 1.1 CPU的功能
- 1.2 运算器的基本结构
- 1.3 控制器的基本结构
- 1.4 CPU基本结构
- 1.5 CPU的功能和基本结构小结
- 2 指令周期和数据流
- 2.1 指令执行过程
- 2.2 指令周期流程
- 2.3 指令周期的数据流-取指周期
- 2.4 指令周期的数据流-间址周期
- 2.5 指令周期的数据流-执行周期
- 2.6 指令周期的数据流-中断周期
- 2.7 指令执行方案
- 2.8 指令执行过程小结
章节内容总览:
1 CPU功能和基本结构
1.1 CPU的功能
- 指令控制。完成取指令、分析指令和执行指令的操作,即程序的顺序控制。
- 操作控制。一条指令的功能往往是由若干操作信号的组合来实现的。CPU管理并产生由内存取出的每条指令的操作信号,把各种操作信号送往相应的部件,从而控制这些部件按指令的要求进行动作。
- 时间控制。对各种操作加以时间上的控制。时间控制要为每条指令按时间顺序提供应有的控制信号。
- 数据加工。对数据进行算术和逻辑运算。
- 中断处理。对计算机运行过程中出现的异常情况和特殊请求进行处理。

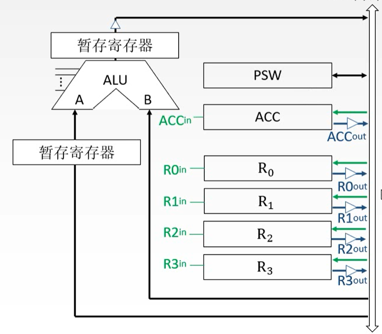
1.2 运算器的基本结构
- 算术逻辑单元:主要功能是进行算术/逻辑运算。
- 通用寄存器组:如AX、BX、CX、DX、SP等,用于存放操作数(包括源操作数、目的操作数及中间结果)和各种地址信息等。SP是堆栈指针,用于指示栈顶的地址。
专用数据通路方式:根据指令执行过程中的数据和地址的流动方向安排连接线路。
如果直接用导线连接,相当于多个寄存器同时并且一直向ALU传输数据,这显然是不科学的
解决方法:
- 使用多路选择器
根据控制信号选择一路输出
- 使用三态门
可以控制每一路是否输出
如:ROout为1时Ro中的数据输出到A端,ROout为0时Ro中的数据无法输出到B端
结构简单,容易实现,但数据传输存在较多冲突的现象,性能较低。
- 暂存寄存器:可以用于暂存从主存读的数据,这个数据不能存放在通用寄存器中,否则会破坏其原有内容。
如:两个操作数分别来自主存和Ro,最后结果存回Ro那么从主存中取来的操作数直接放入暂存器,就不会破坏运算前Ro的内容。
- 累加寄存器:它是一个通用寄存器,用于暂时存放ALU运算的结果信息,用于实现加法运算。
- 程序状态字寄存器:保留由算术逻辑运算指令或测试指令的结果而建立的各种状态信息,如溢出标志(OP)、符号标志(SF)、零标志(ZF)、进位标志(CF)等。PSW中的这些位参与并决定微操作的形成。
- 移位器:对运算结果进行移位运算。
- 计数器:控制乘除运算的操作步数。
1.3 控制器的基本结构

1.4 CPU基本结构


1.5 CPU的功能和基本结构小结

2 指令周期和数据流
2.1 指令执行过程
- 指令周期:CPU从主存中每取出并执行一条指令所需的全部时间。
- 指令周期常常用若干机器周期来表示,机器周期又叫CPU周期。
- 一个机器周期又包含若干时钟周期(也称为节拍、T周期或CPU时钟周期,它是CPU操作的最基本单位)。
每个指令周期内机器周期数可以不等,每个机器周期内的节拍数也可以不等。
每个指令周期内机器周期数可以不等,每个机器周期内的节拍数也可以不等。
2.2 指令周期流程

CPU如何判断指令执行的阶段?
通过一个硬件结构:触发器
四个不同的指令周期对应四个触发器
四个工作周期都有CPU访存操作,只是访存的目的不同。
取指周期是为了取指令,间址周期是为了取有效地址,
执行周期是为了取操作数,中断周期是为了保存程序断点。
2.3 指令周期的数据流-取指周期
- 当前指令地址送至存储器地址寄存器,记做:(PC)→MAR
- CU发出控制信号,经控制总线传到主存,这里是读信号,记做:1→R
- 将MAR所指主存中的内容经数据总线送入MDR,记做:M(MAR)→MDR
- 将MDR中的内容(此时是指令)送入IR,记做:(MDR)→IR
- CU发出控制信号,形成下一条指令地址,记做:(PC)+1→PC
2.4 指令周期的数据流-间址周期
- 将指令的地址码送入MAR,记做:Ad(IR)→MAR或Ad(MDR)→MAR
- CU发出控制信号,启动主存做读操作,记做:1→R
- 将MAR所指主存中的内容经数据总线送入MDR,记做:M(MAR)→MDR
- 将有效地址送至指令的地址码字段,记做:MDR→Ad(IR)
2.5 指令周期的数据流-执行周期
- 执行周期的任务是根据lR中的指令字的操作码和操作数通过ALU操作产生执行结果。
- 不同指令的执行周期操作不同,因此没有统一的数据流向。
2.6 指令周期的数据流-中断周期
中断:暂停当前任务去完成其他任务。为了能够恢复当前任务,需要保存断点。一般使用堆栈来保存断点,这里用SP表示栈顶地址,假设SP指向栈顶元素,进栈操作是先修改指针,后存入数据。
- CU控制将SP减1,修改后的地址送入MAR,记做:(SP)-1→SP,(SP)→MAR
本质上是将断点存入某个存储单元,假设其地址为a,故可记做:a→MAR- CU发出控制信号,启动主存做写操作,记做:1→W
- 将断点(PC内容)送入MDR,记做:(PC)→MDR
- CU控制将中断服务程序的入口地址(由向量地址形成部件产生)送入PC,记做:向量地址→PC
2.7 指令执行方案
一个指令周期通常要包括几个时间段(执行步骤),每个步骤完成指令的一部分功能,几个依次执行的步骤完成这条指令的全部功能。

方案1.单指令周期
- 对所有指令都选用相同的执行时间来完成。
- 指令之间串行执行;指令周期取决于执行时间最长的指令的执行时间。
- 对于那些本来可以在更短时间内完成的指令,要使用这个较长的周期来完成,会降低整个系统的运行速度。
方案2.多指令周期
- 对不同类型的指令选用不同的执行步骤来完成。
- 指令之间串行执行;
- 可选用不同个数的时钟周期来完成不同指令的执行过程。
- 需要更复杂的硬件设计。
方案3.流水线方案
- 在每一个时钟周期启动一条指令,尽量让多条指令同时运行,但各自处在不同的执行步骤中。
- 指令之间并行执行。
2.8 指令执行过程小结















