文章目录
- 一,存储器
- 1.1 概述
- 1.1.1 半导体存储器的分类
- 按制造工艺:
- 易失性或挥发性存储器 / 不易失性或不挥发性存储器
- 按制造工艺:
- 1.1.2 半导体存储器的性能指标
- 1.1.3 半导体存储器的一般结构及组成
- 1.2 随机存取存储器 RAM
- 1.2.1 静态RAM
- 1.2.2 动态RAM
- 1.2.3 RAM存储容量扩展方法 ***==重点==
- 位扩展
- 字扩展
- 字位扩展
- 1.2.4 RAM 存储器与CPU连接 ***==重点==
- (1)数据总线的连接
- (2)地址总线的连接
- (3)控制总线的连接
- 1.2.5 译码
- 1.3 只读存储器 ROM(略)
- 典型 EEPROM 芯片有:AT24系列 AT24C04
- 1.4 高速缓冲存储器 Cache(略)
一,存储器
新型计算机的存储器组成可分为:CPU寄存器,高速缓冲寄存器,主存储器(简称内存/主存),辅助存储器(简称辅存/外存)。
内存储器由半导体芯片组成,依赖于电来维持信息的保存状态。
外存储器通常是磁性介质,能长期保存信息,不依赖电。
高速缓冲(Cache),解决CPU 与内存之间的速度匹配问题。
1.1 概述
半导体存储器优点:集成度高,速度快,功耗低,价格便宜,可靠性强,使用方便
=>已成为微型计算机的最主要的存储器
使用存储器要考虑的问题:
① 易失性;
② 只读性;(ROM)
③ 存储容量;
④ 速度。
⑤ 功耗;
1.1.1 半导体存储器的分类
按制造工艺:
- 双极型存储器(TTL型晶体管):特点是存取速度快,但和MOS型比,集成度低,功耗大,成本高,常作为高速缓冲存储器(Cache)
- MOS型存储器
- 静态RAM
- 动态RAM
- EPROM
- E^2PROM( E 2 P R O M E^2PROM E2PROM)(EEPROM)
- Flash Memory
- 速度较双极型慢,但集成度高,功耗低,价格便宜,是构成微型机内存的主要半导体存储器件。
易失性或挥发性存储器 / 不易失性或不挥发性存储器
断电后会丢失信息,被称为易失性或挥发性存储器;
电源关闭后,存储的信息不会丢失被称为 非易失性或不挥发性存储器。
按制造工艺:
- 随机存取存储器RAM(Random Access Memory)(读写存储器)
信息可以按地址随时读出或写入。一般来说,RAM断电后会丢失信息,被称为易失性或挥发性存储器;但是现在有些RAM芯片内部带有电池,被称为 非易失性或不挥发性存储器。
RAM 分为静态RAM(SRAM)和动态RAM(DRAM):- 静态RAM 读写速度快,但集成度低,容量小,主要用作Cache或小系统的内存储器
- 动态RAM 读写速度慢于静态RAM,但集成度高,单片容量大,多用于存储量大的系统中。动态RAM利用电容的电荷存储效应来存储信息,必须周期性对其刷新。
- 只读存储器ROM(Read Only Memory)
信息是在使用前或制造时写入的,作为固定信息存储,正常运行时只能读,不能写。电源关闭后,存储的信息不会丢失,是 非易失性或不挥发性存储器。
常用来存放操作系统的核心程序(如BIOS)或用户固化的程序。
根据信息写入的方式,常用ROM类型有:- 掩膜式ROM(Masked ROM),简称ROM
- 可编程ROM(Programmable ROM),简称PROM
- 可擦除ROM(Erasable ROM),简称EPROM
- 电可擦除ROM(Electrically Rrasable ROM),简称 EEPROM 或 E 2 P R O M E^2PROM E2PROM
- 闪速存储器(Flash Memory)
1.1.2 半导体存储器的性能指标
存储容量,存取速度,功耗,可靠性,性能/价格比,功耗
存储容量表示方式:N * M:N表示存储单元数(也是地址线根数),M每单元的存储位数(也是数据线根数)
存储容量 = 2 M × N 存储容量 = 2^M×N 存储容量=2M×N
1.1.3 半导体存储器的一般结构及组成
- 存储矩阵
- 地址译码器
- 三状态双向缓冲器
- 控制逻辑电路
1.2 随机存取存储器 RAM
- 主要用来存放当前运行的程序,各种输入输出数据,中间运算结果,堆栈等
- 随时可读可写
- 掉电后内容全部丢失
- 静态RAM 和 动态 RAM
1.2.1 静态RAM
静态RAM以触发器为基本存储单元。
只需要写入一次,就能一直在,除非被重新写入覆盖
电路结构 P220 略
静态RAM 芯片举例:SRAM 2114,SRAM 6264
1.2.2 动态RAM
利用电容存储电荷的原理来保存信息,它将晶体管结电容的充电状态和放电状态分别作为1和0。DRAM的基本存储单元是单个场效应管及其极间电容
电路结构 P222 略
- 必须配备“读出再生放大电路”进行刷新(2ms内必须都被刷新一次),刷新按行进行。刷新方式有三:定时集中刷新,非同步的刷新,同步刷新方式。
- 每个基本存储单元存储二进制数一位
动态RAM 芯片举例:DRAM 2164
1.2.3 RAM存储容量扩展方法 ***重点
使用存储器需要考虑的两个问题:
- 使存储单元的位满足要求
- 使存储单元的个数满足要求
位扩展
只进行存储单元位数扩充。
把各存储芯片的地址线,片选信号线和读/写控制信号线相应地并联,各芯片数据线分别接到系统的数据线上。

字扩展
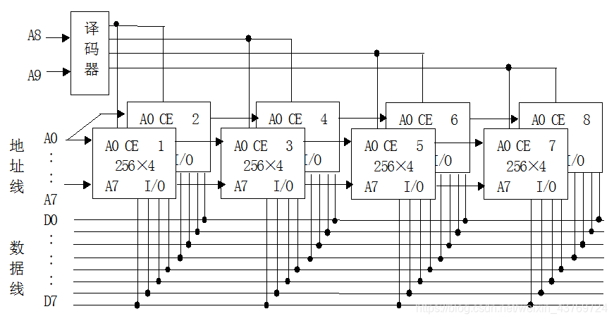
只进行存储单元(字)数目的扩展
将存储芯片的所有地址输入端,I/O数据端 及 读/写控制端 分别连在一起,而降这些芯片的片选信号端各自分开(接到地址高位上),由片选信号来区分各片地址。

字位扩展
同时进行存储单元位数扩充 和 存储单元(字)数目的扩展。

1.2.4 RAM 存储器与CPU连接 ***重点
实质上是RAM 存储器芯片与系统总线的连接
CPU 与静态RAM存储器连接时,主要解决数据总线,地址总线和控制总线的连接问题。
存储芯片与CPU总线的连接,有两个很重要的问题:
- CPU的总线负载能力
CPU的总线驱动能力有限
单向传送的地址和控制总线,可采用三态锁存器和三态单向驱动器等来加以锁存和驱动
双向传送的数据总线,可以采用三态双向驱动器来加以驱动 - 存储芯片与CPU总线时序的配合
分析存储器的存取速度是否满足CPU总线时序的要求
如果不能满足:
考虑更换存储芯片
总线周期中插入等待状态TW
(1)数据总线的连接
- 三态缓冲器
静态RAM芯片 中的输入输出电路包含 三态缓冲驱动器时,芯片的数据线可直接挂接到 CPU 的数据总线上去,对于不含三态缓冲器的芯片构成的存储器,则须加三态缓冲驱动器,再与CPU 的数据总线相接。 - 传送方向控制门(增加灵活性)
可在CPU 数据总线与存储器数据线间加入数据传送方向控制门电路,以提高系统控制的可靠性和灵活性。在8086系统中,用8286/8287 芯片控制数据的传送方向。
(2)地址总线的连接
CPU 的地址总线通常分为两部分:
- 一部分直接与存储芯片用以片内寻址的地址线连接,通常是从 A 0 A_0 A0开始的低地址部分。(部分译码在存储芯片内部进行,即 片内译码)
- 另一部分则经译码器译码,产生的片选信号与存储器的片选端相连,一般是高地址部分的地址线。(或者不扩展时让芯片常有效)
!!!
地址重复时:地址高位对芯片的寻址无效时,即出现地址重复时,常选取其中既好用、又不冲突的一个“可用地址”,选取原则:高位全为0
(3)控制总线的连接
静态RAM存储子系统的控制信号主要有:
- 控制信号 R D ‾ \overline {RD} RD
- 写控制信号 W R ‾ \overline {WR} WR
- 以及存储器或 I/O 端口选择信号 M / I O ‾ M/\overline {IO} M/IO
- M / I O ‾ M/\overline {IO} M/IO=1,选操作对象为存储器
- M / I O ‾ M/\overline {IO} M/IO=0,选操作对象为I/O端口
可以将这些信号进行逻辑组合成不同的信号对芯片进行控制。
1.2.5 译码
- 门电路组合逻辑
- 采用集成译码芯片(常用):
- 常用的2:4译码器: 74LS139
- 常用的3:8译码器: 74LS138
- 常用的4:16译码器:74LS154
常用的译码方法:
-
全译码:所有的系统地址线均参与对存储单元的译码寻址,包括:
- 片内译码:低位地址线对芯片内各存储单元的译码寻址
- 片选译码:高位地址线对存储芯片的译码寻址
采用全译码,每个存储单元的地址都是唯一的,不存在地址重复
译码电路可能比较复杂、连线也较多

-
部分译码:只有部分高位地址线参与对存储芯片的译码
每个存储单元将对应多个地址(地址重复),需要选取一个可用地址
可简化译码电路的设计,但系统的部分地址空间将被浪费

-
线选译码:只用少数几根高位地址线进行芯片的译码,且每根负责选中一个芯片(组)
虽构成简单,但地址空间严重浪费
必然会出现地址重复(一个存储单元对应多个存储地址)
一个存储地址会对应多个存储单元
多个存储单元共用的存储地址不应使用

对一些存储芯片通过片选无效可关闭内部的输出驱动机制,起到降低功耗的作用
1.3 只读存储器 ROM(略)
典型 EEPROM 芯片有:AT24系列 AT24C04
EPROM 2716,EPROM 2764
EEPROM芯片2817A,EEPROM芯片2864A
1.4 高速缓冲存储器 Cache(略)
思路: 在引入高速缓冲存储器的系统中,内存由两级存储构成。一级是采用高速静态RAM芯片组成的小容量存储器,即Cache;另一级是用廉价的动态RAM芯片组成的大容量主存储器。
程序运行的所有信息存放在主存储器内,而高速缓冲存储器中存放的是当前使用最多的程序代码和数据,即主存中部分内容的副本。CPU访问存储器时,首先在Cache中寻找,若寻找成功,通常称为“命中”,则直接对Cache操作;若寻找失败,则对主存储器进行操作,并将有关内容置入Cache。
引入Cache是存储器速度与价格折衷的最佳方法。