前些天发现了十分不错的人工智能学习电子书,通俗易懂,风趣幽默,没有广告,分享给大家,大家可以自行看看。(点击跳转人工智能学习资料)
微信公众号:创享日记(或csds992022)
发送关键词:双闭环
获取PPT汇报+实验报告+仿真Simulink源文件
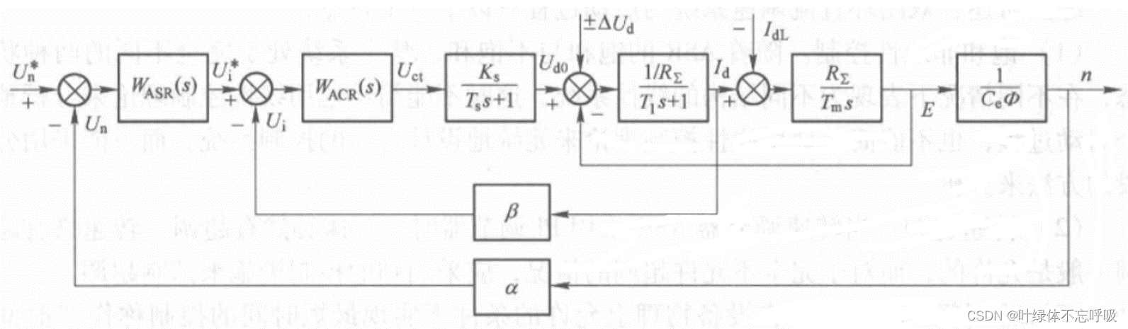
一、系统原理及框图
因为转速单闭环系统无法按照要求充分控制电流的动态过程,而对于部分生产机械在不同生产状态下需要有不同的转速值和电流值,即要求存在转速和电流两种负反馈,因此采取转速和电流两个调节器。ACR构成内环,ASR构成外环,即双闭环调速系统。

在实际建模中,系统会有一些不一样,反馈环节都要变成一个小惯性环节的低通滤波器,输入端也要有一个相应的惯性环节。(下图分别为电流环和转速换)


二、参数计算与设计

在设计双闭环调速系统时,一般是先内环后外环,调节器的结构和参数取决于稳态精度和动态校正的要求,双闭环调速系统动态校正的设计与调试都是按先内环后外环的顺序进行,在动态过程中可以认为外环对内环几乎无影响,而内环则是外环的一个组成环节。
三、电流环仿真框图

我们需要用积分模块和比例模块搭建PI控制器,然后在输出端加一个限幅模块。设置积分模块的输出限幅,将其设置为和限幅模块相同的限幅值,至此,PI控制器才与实际模拟控制器具有相同工作特性。
四、电流环仿真结果
KT=0.25,无超调,但上升时间长

KT=1,超调大,上升时间短

五、双闭环仿真框图

电流调节器作为内环的调节器,在外环转速的调节过程中,它的作用是使电流紧随其给定电压(即外环调节器的输出量)变化。在示波器模块中反应出转速和电流的对应关系。
六、双闭环仿真结果
ASR调节器经过了不饱和,饱和,退饱和三个阶段,最终稳定运行于给定转速。当直流电机达到稳态转速后,电流快速下降,保证输出矩阵与负载转矩平衡,电动机进入稳定运行状态。
给定10V,空载

给定10V,满载

在负载电流的输入端加上负载电流。空载起动到稳定运行后在4s时受到额定负载扰动时的转速与电流响应曲线。可以看出加载后转速下降,电流上升拉动转速再次上升,稳态时仍为给定转速。

七、仿真小结
在直流电动机转子转速动态过程中,电流调节器可以保证获得电机允许的最大电流,从而加快动态过程。当电机过载甚至堵转时,限制电枢电流的最大值,保护作用。一旦故障消失,系统立即自动恢复正常。
外环的相应比内环慢,这是按工程设计方法设计多环控制系统的特点,虽然其不利于快速性,但每个控制环本身都是稳定的,有利于对系统的组成和调试。