定时器用来产生PWM输出:
 STM32 的定时器除了 TIM6 和 7。其他的定时器都可以用来产生 PWM 输出。其中高级定时器 TIM1 和 TIM8 可以同时产生多达 7 路的 PWM 输出。而通用定时器也能同时产生多达 4路的 PWM 输出,这样,STM32 最多可以同时产生 30 路 PWM 输出!
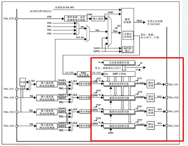
 STM32 PWM工作过程
 
 
 STM32 PWM工作过程(通道1为例:
 
-  CCR1:捕获比较(值)寄存器(x=1,2,3,4):设置比较值。 
-  CCMR1: OC1M[2:0]位:对于PWM方式下,用于设置PWM模式1【110】或者PWM模式2【111】 
-  CCER:CC1P位:输入/捕获1输出极性。0:高电平有效,1:低电平有效。 
-  CCER:CC1E位:输入/捕获1输出使能。0:关闭,1:打开。 
总结几个关键词:
-  有效电平:高电平 
-  无效电平:低电平 
-  高电平有效:高电平可以使能相应功能 
-  低电平有效:低电平可以使能相应功能 
PWM模式1 & PWM模式2
 寄存器TIMx_CCMR1的OC1M[2:0]位来分析:
 
 STM32 PWM工作过程
 STM32 PWM
 
void TIM_OC2PreloadConfig(TIM_TypeDef* TIMx, uint16_t TIM_OCPreload);void TIM_ARRPreloadConfig(TIM_TypeDef* TIMx, FunctionalState NewState);自动重载的预装载寄存器
 
 
- 捕获/比较模块由一个预装载寄存器和一个影子寄存器组成。读写过程仅操作预装载寄存器。在捕获模式下,捕获发生在影子寄存器上,然后再复制到预装载寄存器中。在比较模式下,预装载寄存器的内容被复制到影子寄存器中,然后影子寄存器的内容和计数器进行比较。
- 根据TIMx_CR1寄存器中APRE位的设置:APRE=0时,预装载寄存器的内容可以随时传送到影子寄存器,此时二者是连通的;而APRE=1时,在每一次更新事件(UEV)时,才把预装在寄存器的内容传送到影子寄存器。
void TIM_ARRPreloadConfig(TIM_TypeDef* TIMx, FunctionalState NewState);
简单的说,ARPE=1,ARR立即生效,APRE=0,ARR下个比较周期生效。
STM32 定时器3输出通道引脚
 
 PWM输出库函数
void TIM_OCxInit(TIM_TypeDef* TIMx, TIM_OCInitTypeDef* TIM_OCInitStruct);typedef struct
{uint16_t TIM_OCMode;  //PWM模式1或者模式2uint16_t TIM_OutputState; //输出使能 OR失能uint16_t TIM_OutputNState;uint16_t TIM_Pulse; //比较值,写CCRxuint16_t TIM_OCPolarity; //比较输出极性uint16_t TIM_OCNPolarity; uint16_t TIM_OCIdleState;  uint16_t TIM_OCNIdleState; 
} TIM_OCInitTypeDef;TIM_OCInitStructure.TIM_OCMode = TIM_OCMode_PWM2; //PWM模式2
TIM_OCInitStructure.TIM_OutputState = TIM_OutputState_Enable; //比较输出使能
TIM_OCInitStructure. TIM_Pulse=100;
TIM_OCInitStructure.TIM_OCPolarity = TIM_OCPolarity_High; //输出极性:TIM输出比较极性高
TIM_OC2Init(TIM3, &TIM_OCInitStructure);  //根据T指定的参数初始化外设TIM3 OC2
设置比较值函数:
void TIM_SetCompareX(TIM_TypeDef* TIMx, uint16_t Compare2);
使能输出比较预装载:
void TIM_OC2PreloadConfig(TIM_TypeDef* TIMx, uint16_t TIM_OCPreload);
使能自动重装载的预装载寄存器允许位:
void TIM_ARRPreloadConfig(TIM_TypeDef* TIMx, FunctionalState NewState);
PWM输出配置步骤:
 1、 使能定时器3和相关IO口时钟
- 使能定时器3时钟:
RCC_APB1PeriphClockCmd();
- 使能GPIOB时钟:
RCC_APB2PeriphClockCmd();
2、 初始化IO口为复用功能输出
- 函数:
GPIO_Init();
GPIO_InitStructure.GPIO_Mode = GPIO_Mode_AF_PP;     
3、 这里我们是要把PB5用作定时器的PWM输出引脚,所以要重映射配置,所以需要开启AFIO时钟。同时设置重映射。
 RCC_APB2PeriphClockCmd(RCC_APB2Periph_AFIO,ENABLE);GPIO_PinRemapConfig(GPIO_PartialRemap_TIM3, ENABLE); 
4、 初始化定时器:ARR,PSC等:
TIM_TimeBaseInit();
5、 初始化输出比较参数:
TIM_OC2Init();
6、 使能预装载寄存器:
TIM_OC2PreloadConfig(TIM3, TIM_OCPreload_Enable); 
7、 使能定时器:
TIM_Cmd();
8、 不断改变比较值CCRx,达到不同的占空比效果:
TIM_SetCompare2();
PWM 初始化代码:
#include "pwm.h"
#include "sys.h"void PWM_Init(u16 arr,u16 psc)
{GPIO_InitTypeDef GPIO_InitStrue;TIM_TimeBaseInitTypeDef TIM_TimStrue;TIM_OCInitTypeDef TIM_OCInitStrue;RCC_APB1PeriphClockCmd(RCC_APB1Periph_TIM3,ENABLE);//使能相应定时器的时钟RCC_APB2PeriphClockCmd(RCC_APB2Periph_GPIOB,ENABLE);//使能相应GPIO的时钟GPIO_InitStrue.GPIO_Mode=GPIO_Mode_AF_PP;//设置模式为复用输出GPIO_InitStrue.GPIO_Pin=GPIO_Pin_5;GPIO_InitStrue.GPIO_Speed=GPIO_Speed_50MHz;GPIO_Init(GPIOB,&GPIO_InitStrue);//初始化GPIOB.5RCC_APB2PeriphClockCmd(RCC_APB2Periph_AFIO,ENABLE);//开启AFIO时钟GPIO_PinRemapConfig(GPIO_PartialRemap_TIM3,ENABLE);//设置重映射TIM_TimStrue.TIM_ClockDivision=TIM_CKD_DIV1;//设置时钟分割:TDTS = Tck_timTIM_TimStrue.TIM_CounterMode=TIM_CounterMode_Up;TIM_TimStrue.TIM_Period=arr;//自动装载值TIM_TimStrue.TIM_Prescaler=psc;//预分频系数的设置TIM_TimeBaseInit(TIM3,&TIM_TimStrue);//初始化定时器TIM_OCInitStrue.TIM_OCMode=TIM_OCMode_PWM2;//PWM模式2TIM_OCInitStrue.TIM_OCPolarity=TIM_OCPolarity_High;//比较输出极性,TIM输出比较极性高TIM_OCInitStrue.TIM_OutputState=TIM_OutputState_Enable;//输出使能 TIM_OCInitStrue.TIM_Pulse=100;//比较值,写CCRxTIM_OC2Init(TIM3,&TIM_OCInitStrue);//根据指定的参数初始化外设TIM3 OC2(因为是通道2,所以是OC2)TIM_OC2PreloadConfig(TIM3,TIM_OCPreload_Enable);//使能预装载寄存器TIM_Cmd(TIM3,ENABLE);//使能定时器
}主函数代码:
#include "sys.h"
#include "delay.h"
#include "led.h"
#include "pwm.h"int main(void){	u16 led0pwmval=0;u8 dir=1;	delay_init();	    	 //延时函数初始化	  LED_Init();			     //LED端口初始化PWM_Init(899,0);	 //不分频。PWM频率=72000000/900=80Khzwhile(1){delay_ms(10);	 if(dir)led0pwmval++;else led0pwmval--;if(led0pwmval>300)dir=0;if(led0pwmval==0)dir=1;										 TIM_SetCompare2(TIM3,led0pwmval);//不断改变比较值CCRx,达到不同的占空比效果		   }	 }
以上代码可以实现呼吸灯的效果