参考:Linux之ARM(IMX6U)裸机主频和时钟配置
作者:一只青木呀
发布时间: 2020-08-28 10:39:17
网址:https://blog.csdn.net/weixin_45309916/article/details/108237599
目录
- 1、I.MX6U 时钟系统详解
- 系统时钟来源(两个晶振)
- 7路PLL时钟源(倍频而来)
- 7路PLL的具体作用
- 时钟树简介
 
- 2、系统主频的配置(内核时钟设置)
- 步骤①:设置分频系数
- 步骤②:设置PLL1频率
- 步骤③:暂时切换时钟源
- 修改I.MX6U主频的步骤总结
 
 
- 3、两个PLL对应的PFD时钟配置
- 设置PLL2的4路PFD 频率
- 设置PLL3的4路PFD频率
 
- 4、其他外设的时钟配置(AHB、IPG和PERCLK 根时钟)
- 5、实验程序编写(内核时钟主频为528MHz)
- bsp_clk.c
- bsp_clk.h
- main.c
 
- 6、编译下载验证
I.MX6U 系列标准的工作频率为 528MHz,有些型号甚至可以工作到 696MHz,但是 默认的工作频率为396MHz,这就造成了浪费了,本次 我们来配置主频时钟使其工作在528MHz,以及其他的外设时钟源都工作在NXP推荐的工作频率。
1、I.MX6U 时钟系统详解
I.MX6U 的系统主频为 528MHz,有些型号可以跑到 696MHz,但是默认情况下内部 boot rom 会将 I.MX6U 的主频设置为 396MHz。我们在使用 I.MX6U的时候肯定是要发挥它的最大性能,那么主频肯定要设置到 528MHz(其它型号可以设置更高,比如 696MHz),其它的外设时钟也要设置到 NXP 推荐的值。可参考NXP官方参考手册。
系统时钟来源(两个晶振)
打开 I.MX6U-ALPHA 开发板原理图,开发板时钟原理图如图:
 
 
 I.MX6U-ALPHA 开发板的系统时钟来源于两部分: 32.768KHz 和24MHz 的晶振
-  32.768KHz 晶振是 I.MX6U 的 RTC (实时时钟,不参与整个系统)时钟源 
-  24MHz 晶振是 I.MX6U 内核和其它外设的时钟源,看原理图是接在了6ull的T16、T17这两个IO上。 
7路PLL时钟源(倍频而来)
I.MX6U 的外设有很多,不同的外设时钟源不同, NXP 将这些外设的时钟源进行了分组,一共有 7 组,这 7 组时钟源都是从 24MHz 晶振 PLL(倍频) 而来的,因此也叫做 7 组 PLL,这 7 组 PLL结构如图 :
 

7路PLL的具体作用
| PLL | 作用 | 
|---|---|
| ARM_PLL(PLL1) | 此路 PLL 是供ARM 内核(主频)使用的, ARM 内核时钟就是由此 PLL生成的,此 PLL 通过编程的方式最高可倍频到 1.3GHz。 | 
| 528_PLL(PLL2) | 此路 PLL 也叫做 System_PLL,此路 PLL 是固定的 22 倍频,不可编程修改。因此,此路 PLL 时钟=24MHz * 22 = 528MHz,这也是为什么此 PLL 叫做 528_PLL 的原因。此 PLL 分出了 4 路 PFD,分别为: PLL2_PFD0~PLL2_PFD3,这 4 路 PFD 和 528_PLL共同作为其它很多外设的根时钟源。通常 528_PLL 和这 4 路 PFD 是 I.MX6U 内部系统总线的时钟源,比如内处理逻辑单元、 DDR 接口、 NAND/NOR 接口等等。 | 
| USB1_PLL(PLL3) | 此路 PLL 主要用于 USBPHY,此PLL 也有四路 PFD,为:PLL3_PFD0~PLL3_PFD3, USB1_PLL 是固定的 20 倍频,因此 USB1_PLL=24MHz *20=480MHz。USB1_PLL虽然主要用于USB1PHY,但是其和四路PFD同样也可以作为其他外设的根时钟源。 | 
| USB2_PLL(PLL7,没有写错!就是 PLL7,虽然序号标为 4,但是实际是 PLL7) | 看名字就知道此路PLL是给USB2PHY使用的。同样的,此路PLL固定为20倍频,因此也是480MHz。 | 
| ENET_PLL(PLL6) | 此路 PLL 固定为 20+5/6 倍频,因此 ENET_PLL=24MHz * (20+5/6)= 500MHz。此路 PLL 用于生成网络所需的时钟,可以在此 PLL 的基础上生成 25/50/100/125MHz的网络时钟。 | 
| VIDEO_PLL(PLL5) | 此路 PLL 用于视频显示相关的外设,比如 LCD,此路 PLL 的倍频可以调整, PLL 的输出范围在 650MHz~1300MHz。此路 PLL 在最终输出的时候还可以进行分频,可选 1/2/4/8/16 分频。 | 
| AUDIO_PLL(PLL4) | 此路 PLL 用于音频相关的外设,此路 PLL 的倍频可以调整, PLL的输出范围同样也是 650MHz~1300MHz,此路 PLL 在最终输出的时候也可以进行分频,可选1/2/4 分频 | 
时钟树简介
I.MX6U 的所有外设时钟源都是从这 7 路 PLL 和有些 PLL 的PFD 而来的,这些外设究竟是如何选择 PLL 或者 PFD 的?这个就要借助《IMX6ULL 参考手册》里面的时钟树了,在“Chapter 18 Clock Controller Module (CCM)”的 18.3 小节给出了 I.MX6U详细的时钟树图,如图:

 在图中一共有三部分: CLOCK_SWITCHER、 CLOCK ROOT GENERATOR 和SYSTEM CLOCKS。其中左边的 CLOCK_SWITCHER就是那 7 路 PLL 和8 路 PFD,右边的 SYSTEM CLOCKS就是芯片外设,中间的 CLOCK ROOT GENERATOR是最复杂的!这一部分就像“月老”一样, 给左边的CLOCK_SWITCHER和右边的SYSTEM CLOCKS进行牵线搭桥。外设时钟源是有多路可以选择的, CLOCK ROOT GENERATOR 就负责从 7 路PLL 和 8 路 PFD 中选择合适的时钟源给外设使用。
具体操作肯定是设置相应的寄存器,我们以ESAI 这个外设为例, ESAI 的时钟图如图:
 
 在图中我们分为了 3 部分,这三部分如下:
①、此部分是时钟源选择器, ESAI 有 4 个可选的时钟源: PLL4、 PLL5、 PLL3_PFD2 和pll3_sw_clk 。 具 体 选 择 哪 一 路 作 为 ESAI 的 时 钟 源 是 由 寄 存 器 CCM->CSCMR2 的ESAI_CLK_SEL 位来决定的,用户可以自由配置,配置如图:
 
②、此部分是 ESAI 时钟的前级分频,分频值由寄存器 CCM_CS1CDR 的 ESAI_CLK_PRED来确定的,可设置 1~8 分频,假如现在 PLL4=650MHz,我们选择 PLL4 作为 ESAI 时钟,前级分频选择 2 分频,那么此时的时钟就是 650/2=325MHz。
③、此部分又是一个分频器,对②中输出的时钟进一步分频,分频值由寄存器CCM_CS1CDR 的 ESAI_CLK_PODF 来决定,可设置 1~8 分频。假如我们设置为 8 分频的话,经过此分频器以后的时钟就是 325/8=40.625MHz。因此最终进入到 ESAI 外设的时钟就是40.625MHz。
2、系统主频的配置(内核时钟设置)
I.MX6U 的时钟系统前面已经分析的差不多了,现在就可以开始设置相应的时钟频率了。先从主频开始,我们将 I.MX6U 的主频设置为 528MHz,根据时钟树可以看到ARM 内核时钟如图所示:
 
 图中各部分详解如下:
①、内核时钟源来自于 PLL1,假如此时 PLL1 为 996MHz。
 ②、通过寄存器 CCM_CACRR 的 ARM_PODF 位对 PLL1 进行分频,可选择 1/2/4/8 分频,假如我们选择 2 分频,那么经过分频以后的时钟频率是 996/2=498MHz。
 ③、大家不要被此处的 2 分频给骗了,此处没有进行 2 分频(我就被这个 2 分频骗了好久,主频一直配置不正确!)。
 ④、经过第②步 2 分频以后的 498MHz 就是 ARM 的内核时钟,也就是 I.MX6U 的主频。
步骤①:设置分频系数
经过上面几步的分析可知,假如我们要设置内核主频为 528MHz,那么 PLL1 可以设置为1056MHz,寄存器 CCM_CACRR 的 ARM_PODF 位设置为 2 分频即可。同理,如果要将主频设置为 696MHz,那么 PLL1 就可以设置为 696MHz, CCM_CACRR 的 ARM_PODF 设置为 1 分频即可(如果选2分频就超过PLL1的最大值了,手册上讲到PLL的范围如下所示)。
 
CCM_CACRR 寄存器结构如图所示:
 
 寄存器 CCM_CACRR 只有 ARM_PODF 位,可以设置为 0~ 7,分别对应 1~8 分频。如果要设置为2分频的话CCM_CACCR就要设置为1。
步骤②:设置PLL1频率
PLL1 的频率可以通过寄存器CCM_ANALOG_PLL_ARMn 来设置,此寄存器结构如图所示:
 
 
 在寄存器 CCM_ANALOG_PLL_ARMn 中重要的位如下:
| 位 | 功能 | 
|---|---|
| ENABLE | 时钟输出使能位,此位设置为 1 使能 PLL1 输出,如果设置为 0 的话就关闭 PLL1输出。 | 
| DIV_SELECT | 此位设置 PLL1 的输出频率,可设置范围为: 54~108, PLL1 CLK = Fin *div_seclec/2.0(手册上给的)), Fin=24MHz(晶振)。如果 PLL1 要输出 1056MHz 的话, div_select 就要设置为 88。 | 
步骤③:暂时切换时钟源
在修改 PLL1 时钟频率的时候我们需要先将内核时钟源改为其他的时钟源(临时的时钟,类似给一个临时的心脏先用着), PLL1 可选择的时钟源如图所示:
 
 ①、 pll1_sw_clk 也就是 PLL1 的最终输出频率。
②、此处是一个选择器,选择 pll1_sw_clk 的时钟源,由寄存器 CCM_CCSR 的PLL1_SW_CLK_SEL 位决定 pll1_sw_clk 是选择 pll1_main_clk 还是 step_clk。
 正常情况下应该选择 pll1_main_clk,但是如果要对 pll1_main_clk(PLL1)的频率进行调整的话,比如我们要设置PLL1=1056MHz,此时就要先将 pll1_sw_clk 切换到 step_clk 上(临时的时钟,类似给一个临时的心脏先用着)。等 pll1_main_clk 调整完成以后再切换回来。
③、此处也是一个选择器,选择 step_clk 的时钟源,由寄存器 CCM_CCSR 的 STEP_SEL 位来决定 step_clk 是选择 osc_clk 还是 secondary_clk。一般首选 osc_clk,也就是 24MHz 的晶振(因为系统一上电此晶振一直在运行)。这里我们就用到了一个寄存器 CCM_CCSR,此寄存器结构如图所示:
 
 寄存器 CCM_CCSR 我们只用到了 STEP_SEL、 PLL1_SW_CLK_SEL 这两个位,一个是用来选择 step_clk 时钟源的,一个是用来选择 pll1_sw_clk 时钟源的。
修改I.MX6U主频的步骤总结
到这里,修改 I.MX6U 主频的步骤就很清晰了,修改步骤如下:
①、 设置寄存器 CCSR 的 STEP_SEL 位,设置 step_clk 的时钟源为 24M 的晶振。
②、设置寄存器 CCSR 的 PLL1_SW_CLK_SEL 位,设置 pll1_sw_clk 的时钟源为step_clk=24MHz,通过这一步我们就将 I.MX6U的主频先设置为 24MHz,直接来自于外部的24M 晶振(临时的时钟先用着)。
③、设置寄存器 CCM_ANALOG_PLL_ARMn,将pll1_main_clk(PLL1)设置为 1056MHz。
④、设置寄存器 CCSR 的 PLL1_SW_CLK_SEL 位,重新将pll1_sw_clk 的时钟源切换回pll1_main_clk,切换回来以后的 pll1_sw_clk 就等于 1056MHz。
⑤、最后设置寄存器 CCM_CACRR 的 ARM_PODF 为 2 分频, I.MX6U 的内核主频就为1056/2=528MHz。
【注意】:第⑤步骤要先于第④步进行,也就是先设置好分频系数,防止一上来接入1056MHZ出问题,因为系统主频最大就是528MHz!
课堂笔记:
3、两个PLL对应的PFD时钟配置
设置好主频以后我们还需要设置好其他的 PLL 和 PFD 时钟,PLL1 已经设置了,PLL2、 PLL3 和 PLL7 固定为 528MHz、 480MHz 和 480MHz, PLL4~PLL6 (音视频、LCD相关)都是针对特殊外设的,用到的时候再设置。
因此,接下来重点就是设置 PLL2 和 PLL3 的各自 4 路 PFD, NXP 推荐的这 8 路 PFD 频率如表所示:
| PFD | NXP推荐频率值 | 
|---|---|
| PLL2_PFD0 | 352MHz | 
| PLL2_PFD1 | 594MHz | 
| PLL2_PFD2 | 400MHz(实际为 396MHz) | 
| PLL2_PFD3 | 297MHz | 
| PLL3_PFD0 | 720MHz | 
| PLL3_PFD1 | 540MHz | 
| PLL3_PFD2 | 508.2MHz | 
| PLL3_PFD3 | 454.7MHz | 
设置PLL2的4路PFD 频率
用到寄存器是:CCM_ANALOG_PFD_528n,寄存器结构如图所示:
 
 从图可以看出,寄存器 CCM_ANALOG_PFD_528n 其实分为四组,分别对应PFD0~PFD3,每组 8 个 bit,我们就以 PFD0 为例,看一下如何设置 PLL2_PFD0 的频率。 PFD0对应的寄存器位如下:
| 寄存器位 | 描述 | 
|---|---|
| PFD0_FRAC | PLL2_PFD0 的分频数, PLL2_PFD0 的计算公式为 528 * 18 / PFD0_FRAC,此为 可 设 置 的 范 围 为 12~35 。 如 果 PLL2_PFD0 的 频 率 要 设 置 为 352MHz 的 话PFD0_FRAC=528*18/352=27。 | 
| PFD0_STABLE | 此位为只读位,可以通过读取此位判断 PLL2_PFD0 是否稳定。 | 
| PFD0_CLKGATE | PLL2_PFD0 输出使能位,为 1 的时候关闭 PLL2_PFD0 的输出,为 0 的时候使能输出。 | 
如果我们要设置 PLL2_PFD0 的频率为 352MHz 的话就需要设置 PFD0_FRAC 为 27,PFD0_CLKGATE 为 0 。 PLL2_PFD1~PLL2_PFD3 设 置 类 似 , 频 率 计 算 公 式 都 是528*18/PFDX_FRAC(X=1~3) , 因 此 PLL2_PFD1=594MHz 的 话 , PFD1_FRAC=16 ;PLL2_PFD2=400MHz 的话 PFD2_FRAC 不能整除,因此取最近的整数值,即 PFD2_FRAC=24,这样 PLL2_PFD2 实际为 396MHz; PLL2_PFD3=297MHz 的话, PFD3_FRAC=32。
设置PLL3的4路PFD频率
使用到的寄存器是CCM_ANALOG_PFD_480n,此寄存器结构如图所示:
 
 从图可以看出,寄存器 CCM_ANALOG_PFD_480n 和 CCM_ANALOG_PFD_528n的结构是一模一样的,只是一个是 PLL2 的,一个是 PLL3 的。寄存器位的含义也是一样的,只是 频 率 计 算 公 式 不 同 , 比 如 PLL3_PFDX=480*18/PFDX_FRAC(X=0~3) 。 如 果PLL3_PFD0=720MHz 的话, PFD0_FRAC=12;如果 PLL3_PFD1=540MHz 的话, PFD1_FRAC=16;如果 PLL3_PFD2=508.2MHz 的话, PFD2_FRAC=17;如果 PLL3_PFD3=454.7MHz 的话,PFD3_FRAC=19。
课堂笔记:
4、其他外设的时钟配置(AHB、IPG和PERCLK 根时钟)

 7 路 PLL 和 8 路 PFD 设置完成以后最后还需要设置AHB_CLK_ROOT、IPG_CLK_ROOT和PERCLK_CLK_ROOT的时钟,因为它们控制了大量的外设。由上图分析可知,IPG_CLK_ROOT和PERCLK_CLK_ROOT都要用到AHB_CLK_ROOT,所以首先需要初始化AHB_CLK_ROOT。
查询芯片手册,I.MX6U 外设根时钟可设置范围如图所示:
 
 
 图给出了大多数外设的根时钟设置范围, AHB_CLK_ROOT 最高可以设置 132MHz,IPG_CLK_ROOT和PERCLK_CLK_ROOT最高可以设置66MHz。那我们就将AHB_CLK_ROOT、IPG_CLK_ROOT 和 PERCLK_CLK_ROOT 分 别 设 置 为 132MHz 、 66MHz 、 66MHz 。
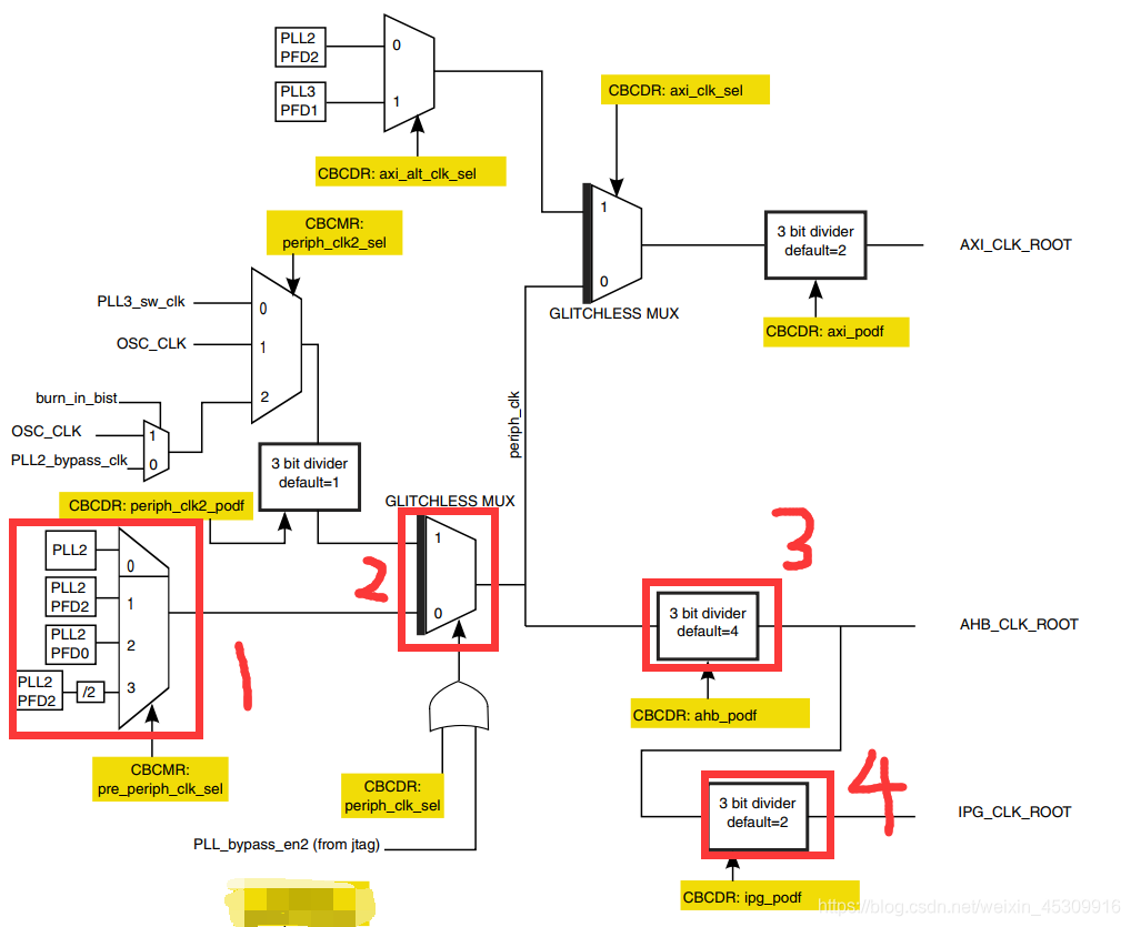
AHB_CLK_ROOT 和 IPG_CLK_ROOT 的涉及如下图所示(将上面的图简化):

 ①、此选择器用来选择 pre_periph_clk 的时钟源,可以选择 PLL2、 PLL2_PFD2、 PLL2_PFD0和 PLL2_PFD2/2。寄存器 CCM_CBCMR 的 PRE_PERIPH_CLK_SEL 位决定选择哪一个,默认选择 PLL2_PFD2,因此 pre_periph_clk=PLL2_PFD2=396MHz。
②、此选择器用来选择 periph_clk 的时钟源,由寄存器 CCM_CBCDR 的 PERIPH_CLK_SEL位与 PLL_bypass_en2 组成的或来选择。当 CCM_CBCDR 的 PERIPH_CLK_SEL 位为 0 的时候periph_clk=pr_periph_clk=396MHz。
③、通过 CBCDR 的 AHB_PODF 位来设置 AHB_CLK_ROOT 的分频值,可以设置 1~8 分频,如果想要 AHB_CLK_ROOT=132MHz 的话就应该设置为 3 分频: 396/3=132MHz。图 16.1.2中虽然写的是默认 4 分频,但是 I.MX6U 的内部 boot rom 将其改为了 3 分频!
④、通过 CBCDR 的 IPG_PODF 位来设置 IPG_CLK_ROOT 的分频值,可以设置 1~4 分频,IPG_CLK_ROOT 时钟源是 AHB_CLK_ROOT,要想 IPG_CLK_ROOT=66MHz 的话就应该设置2 分频: 132/2=66MHz。
最后要设置的就是 PERCLK_CLK_ROOT 时钟频率,其时钟结构图如下图所示:
 
 从 上图可 以 看 出 , PERCLK_CLK_ROOT 来 源 有 两 种 : OSC(24MHz) 和IPG_CLK_ROOT,由寄存器 CCM_CSCMR1 的 PERCLK_CLK_SEL 位来决定,如果为 0 的话PERCLK_CLK_ROOT 的 时 钟 源 就 是 IPG_CLK_ROOT=66MHz 。 可 以 通 过 寄 存 器CCM_CSCMR1 的 PERCLK_PODF 位来设置分频,如果要设置 PERCLK_CLK_ROOT 为 66MHz的话就要设置为 1 分频。
在上面的设置中用到了三个寄存器: CCM_CBCDR、 CCM_CBCMR 和 CCM_CSCMR1,我们依次来看一下这些寄存器, CCM_CBCDR 寄存器结构如图所示:
 
 寄存器 CCM_CBCDR 各个位的含义如下:
| 位 | 含义 | 
|---|---|
| PERIPH_CLK2_PODF | periph2 时钟分频,可设置 0~7,分别对应 1~8 分频。 | 
| PERIPH2_CLK_SEL | 选择 peripheral2 的主时钟,如果为 0 的话选择 PLL2,如果为 1 的话选择 periph2_clk2_clk。修改此位会引起一次与 MMDC 的握手,所以修改完成以后要等待握手完成,握手完成信号由寄存器 CCM_CDHIPR 中指定位表示。 | 
| PERIPH_CLK_SEL | peripheral 主时钟选择,如果为 0 的话选择 PLL2,如果为 1 的话选择 periph_clk2_clock。修改此位会引起一次与 MMDC 的握手,所以修改完成以后要等待握手完成,握手完成信号由寄存器 CCM_CDHIPR 中指定位表示。 | 
| AXI_PODF | axi 时钟分频,可设置 0~7,分别对应 1~8 分频。 | 
| AHB_PODF | ahb 时钟分频,可设置 0~7,分别对应 1~8 分频。修改此位会引起一次与MMDC 的握手,所以修改完成以后要等待握手完成,握手完成信号由寄存器 CCM_CDHIPR 中指定位表示。 | 
| IPG_PODF | ipg 时钟分频,可设置 0~3,分别对应 1~4 分频。 | 
| AXI_ALT_CLK_SEL | axi_alt 时钟选择,为 0 的话选择 PLL2_PFD2,如果为 1 的话选择PLL3_PFD1。 | 
| AXI_CLK_SEL | axi 时钟源选择,为 0 的话选择 periph_clk,为 1 的话选择 axi_alt 时钟。 | 
| FABRIC_MMDC_PODF | fabric/mmdc 时钟分频设置,可设置 0~7,分别对应 1~8 分频。 | 
| PERIPH2_CLK2_PODF | periph2_clk2 的时钟分频,可设置 0~7,分别对应 1~8 分频。 | 
接下来看一下寄存器 CCM_CBCMR,寄存器结构如下图所示:
  寄存器 CCM_CBCMR 各个位的含义如下:
寄存器 CCM_CBCMR 各个位的含义如下:
| 位 | 含义 | 
|---|---|
| LCDIF1_PODF | lcdif1 的时钟分频,可设置 0~7,分别对应 1~8 分频。 | 
| PRE_PERIPH2_CLK_SEL | pre_periph2 时钟源选择, 00 选择 PLL2, 01 选择 PLL2_PFD2,10 选择 PLL2_PFD0, 11 选择 PLL4。 | 
| PERIPH2_CLK2_SEL | periph2_clk2 时钟源选择为 0 的时候选择 pll3_sw_clk,为 1 的时候选择 OSC。 | 
| PRE_PERIPH_CLK_SEL | pre_periph 时钟源选择, 00 选择 PLL2, 01 选择 PLL2_PFD2, 10 选择 PLL2_PFD0, 11 选择 PLL2_PFD2/2。 | 
| PERIPH_CLK2_SEL | peripheral_clk2 时钟源选择, 00 选择 pll3_sw_clk, 01 选择 osc_clk,10 选择 pll2_bypass_clk。 | 
最后看一下寄存器 CCM_CSCMR1,寄存器结构如下图所示:
 
此寄存器主要用于外设时钟源的选择,比如 QSPI1、 ACLK、 GPMI、 BCH 等外设,我们重点看一下下面两个位:
| 位 | 描述 | 
|---|---|
| PERCLK_CK_SEL | perclk 时钟源选择,为 0 的话选择 ipg clk,为 1 的话选择 osc clk。 | 
| PERCLK_PODF | perclk 的时钟分频,可设置 0~7,分别对应 1~8 分频。 | 
在修改如下时钟选择器或者分频器的时候会引起与 MMDC 的握手发生:
 ①、 mmdc_podf
 ②、 periph_clk_sel
 ③、 periph2_clk_sel
 ④、 arm_podf
 ⑤、 ahb_podf
发生握手信号以后需要等待握手完成,寄存器 CCM_CDHIPR 中保存着握手信号是否完成,如果相应的位为 1 的话就表示握手没有完成,如果为 0 的话就表示握手完成,很简单,这里就不详细的列举寄存器 CCM_CDHIPR 中的各个位了。
另外在修改 arm_podf 和 ahb_podf 的时候需要先关闭其时钟输出,等修改完成以后再打开,否则的话可能会出现在修改完成以后没有时钟输出的问题。本教程需要修改寄存器CCM_CBCDR 的 AHB_PODF 位来设置 AHB_ROOT_CLK 的时钟,所以在修改之前必须先关闭AHB_ROOT_CLK 的输出。但是笔者没有找到相应的寄存器,因此目前没法关闭,那也就没法设置 AHB_PODF 了。不过 AHB_PODF 内部 boot rom 设置为了 3 分频,如果 pre_periph_clk 的时钟源选择 PLL2_PFD2 的话, AHB_ROOT_CLK 也是 396MHz/3=132MHz。
课堂笔记:
 

5、实验程序编写(内核时钟主频为528MHz)
我们在上一次实验的基础上(ARM(MX6U)裸机按键输入实验(GPIO的输出与输入))进行修改.
bsp_clk.c
#include "bsp_clk.h"/*使能所有外设时钟*/
void clk_enable(void)
{CCM->CCGR0 =0xFFFFFFFF;CCM->CCGR1 =0xFFFFFFFF;CCM->CCGR2 =0xFFFFFFFF;CCM->CCGR3 =0xFFFFFFFF;CCM->CCGR4 =0xFFFFFFFF;CCM->CCGR5 =0xFFFFFFFF;CCM->CCGR6 =0xFFFFFFFF;}
/** @description : 初始化系统时钟 528Mhz,并且设置 PLL2 和 PLL3 各个* PFD 时钟,所有的时钟频率均按照 I.MX6U 官方手册推荐的值.* @param : 无* @return : 无*/
void imx6u_clkinit(void)
{/* 1、初始化 ARM 内核时钟(主频)为 528MHz *//* 1.1、判断当前内部bootroom使用哪个时钟源启动的,正常情况下是由 pll1_sw_clk 驱动的,而* pll1_sw_clk 有两个来源: pll1_main_clk 和 step_clk, 如果要* 让 I.MX6ULL 跑到 528M, 那必须选择 pll1_main_clk 作为 pll1 的时钟* 源。 如果我们要修改 pll1_main_clk 时钟的话就必须先将 pll1_sw_clk 从* pll1_main_clk 切换到 step_clk,当修改完以后再将 pll1_sw_clk 切换* 回 pll1_main_cl, step_clk 等于 24MHz。*/unsigned int reg = 0;if((((CCM->CCSR)>>2) & 0x1) ==0)//内部bootroom使用的时钟是否是pll1_main_clk{CCM->CCSR &= ~(1 << 8); /* 配置 step_clk 时钟源为 24MHz OSC */CCM->CCSR |= (1 << 2);  /* 配置 pll1_sw_clk 时钟源为 step_clk 24MHz */}/* 1.2、设置 pll1_main_clk 为 1056MHz,也就是 528*2=1056MHZ,* 因为 pll1_sw_clk 进 ARM 内核的时候会被二分频!* 配置 CCM_ANALOG->PLL_ARM 寄存器* bit13: 1 使能时钟输出* bit[6:0]: 88, 由公式: Fout = Fin * div_select / 2.0,* 1056=24*div_select/2.0, 得出: div_select=88。*///                     13位使能   div_select bit0~bit6设置为88CCM_ANALOG->PLL_ARM = (1 << 13) | ((88 << 0) & 0X7F);CCM->CCSR &= ~(1 << 2);   /* 将 pll_sw_clk 时钟切换回 pll1_main_clk */CCM->CACRR = 1;  // 设置2分频  ARM 内核时钟为 pll1_sw_clk/2=1056/2=528Mhz  视频里这一步放到前面,分频好了再切换/* 2、设置 PLL2(SYS PLL)4路 PFD */reg = CCM_ANALOG->PFD_528;reg &=  ~(0x3f3f3f3f);      /* 清除原来的设置 用16进制计算器计算就行*/reg |= (32<<24);            /* PLL2_PFD3=528*18/32=297Mhz */reg |= (24<<16);            /* PLL2_PFD2=528*18/24=396Mhz */reg |= (16<<8);             /* PLL2_PFD1=528*18/16=594Mhz */reg |= (27<<0);             /* PLL2_PFD0=528*18/27=352Mhz */CCM_ANALOG->PFD_528 = reg;  /* 设置 PLL2_PFD0~3 *//* 3、设置 PLL3(USB1)4路 PFD */reg =0;                         /* 清零reg */reg = CCM_ANALOG->PFD_480;      /* 清除原来的设置 */reg &= ~(0x3f3f3f3f);           reg |=  (19<<24);               /* PLL3_PFD3=480*18/19=454.74Mhz */reg |=  (17<<16);               /* PLL3_PFD2=480*18/17=508.24Mhz */reg |=  (16<<8);                /* PLL3_PFD1=480*18/16=540Mhz */reg |=  (12<<0);                /* PLL3_PFD0=480*18/12=720Mhz */CCM_ANALOG->PFD_480 = reg;      /* 设置 PLL3_PFD0~3 *//* 4、设置 AHB 时钟为最大值  132Mhz */CCM->CBCMR &= ~(3<<18);         /* 清除设置*/CCM->CBCMR |= (1<<18);          /* pre_periph_clk=PLL2_PFD2=396MHz  后面3分频正好就是132MHz*/     CCM->CBCDR &= ~(1<<25);         /* periph_clk=pre_periph_clk=396MHz */while(CCM->CDHIPR & (1 << 5));  /* 等待握手完成 (手册上要求的步骤)*//* 修改 AHB_PODF 位的时候需要先禁止 AHB_CLK_ROOT 的输出,但是* 我没有找到关闭 AHB_CLK_ROOT 输出的的寄存器,所以就没法设置。* 下面设置 AHB_PODF 的代码仅供学习参考不能直接拿来使用!!* 内部 boot rom 将 AHB_PODF 设置为了 3 分频,即使我们不设置 AHB_PODF,* AHB_ROOT_CLK 也依旧等于 396/3=132Mhz。*/
#if 0/* 要先关闭 AHB_ROOT_CLK 输出,否则时钟设置会出错 */CCM->CBCDR &= ~(7 << 10);       /* CBCDR 的 AHB_PODF 清零 */CCM->CBCDR |= (2 << 10);        /* AHB_PODF 3 分频, AHB_CLK_ROOT=132MHz */while(CCM->CDHIPR & (1 << 5));  /* 等待握手完成 */
#endif/* 5、设置 IPG_CLK_ROOT成最大值  66Mhz */CCM->CBCDR &= ~(3<<8);       /* CBCDR 的 IPG_PODF 清零 */CCM->CBCDR |= (1<<8);        /* IPG_PODF 2 分频, IPG_CLK_ROOT=66MHz *//* 6、设置 PERCLK_CLK_ROOT 时钟 */CCM->CSCMR1 &= ~(1<<6);         /* PERCLK_CLK_ROOT 时钟源为 IPG */CCM->CSCMR1 &= ~(0x3f << 0);      /* 1分频 */}
bsp_clk.c 中一共有两个函数: clk_enable 和 imx6u_clkinit
- clk_enable 就是使能 I.MX6U 的所有外设时钟
- 函数 imx6u_clkinit 先设置系统主频为 528MHz,然后根据我们分析的 I.MX6U 时钟系统来设置 8 路 PFD,最后设置 AHB、 IPG 和 PERCLK 的时钟频率。
bsp_clk.h
#ifndef __BSP_CLK_H
#define __BSP_CLK_H#include "imx6ul.h"void clk_enable(void);//使能外设时钟
void imx6u_clkinit(void);//初始化时钟#endif // !__BSP_CLK_H
在 bsp_clk.h 文件中添加函数 imx6u_clkinit 的声明
main.c
修改 main.c 文件,在 main 函数里面调用 imx6u_clkinit 来初始化时钟,代码如下:
#include "main.h"int main() 
{int i=0;int keyvalue=0;   unsigned char led_status= OFF;unsigned char beep_status= OFF;imx6u_clkinit(); /* 初始化系统时钟 */   clk_enable();  //使能外设时钟led_init(); //初始化LEDinit_beep();//初始化蜂鸣器key_init(); //初始化keywhile(1){keyvalue = key_get_value();if(keyvalue){switch (keyvalue){case KEY_VALUE:beep_status=!beep_status;beep_switch(beep_status);break;default:break;}}i++;if(i == 50){i=0;led_status=!led_status;led_switch(LED0,led_status);}delay(10);}return 0;
}
6、编译下载验证
具体所有代码在GitHub:裸机主频时钟配置
使用 Make 命令编译代码,编译成功以后使用软件 imxdownload 将编译完成的 clk.bin 文件下载到 SD 卡中,命令如下:
chmod 777 imxdownload 				//给予 imxdownload 可执行权限,一次即可
./imxdownload clk.bin /dev/sdd 		//烧写到 SD 卡中
烧写成功以后将 SD 卡插到开发板的 SD 卡槽中,然后复位开发板。本试验效果其实和试验“7_key”一样,但是 LED 灯的闪烁频率相比试验“7_key”要快一点。因为试验“7_key”的主频是 396MHz,而本试验的主频被配置成了 528MHz,因此代码执行速度会变快,所以延时函数的运行就会加快。

