参考博客:江科大STM32笔记
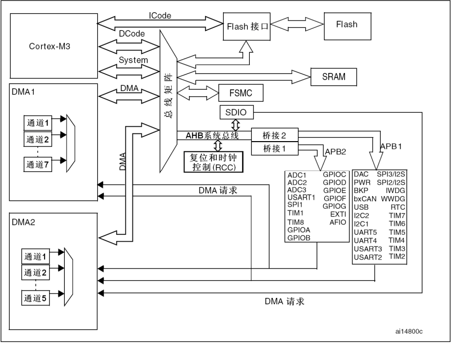
Stm32外设

一、GPIO
基础
GPIO位结构

 
I/O引脚的保护二极管是对输入电压进行限幅的上面的二极管接VDD, 3.3V,下面接VSS, 0V,当输入电压
- >3.3V
那上方这个二极管就会导通,输入电压产生的电流就会大部分充入VDD而不会流入内部电路;
 - <0V(这个电压是相对于VSS的电压,所以是可以有负电压的)
小于0的情况大概率是电源反接,此时,那这时下方这个二极管就会导通,电流会从I/O直接流出去,然后再流到地,而不会从内部电路汲取电流,也是可以保护内部电路的;
 - 在0~3.3v之间
那两个二极管均不会导通,这时二极管对电路没有影响,这就是保护二极管的用途。 

开关:如果上面导通、下面断开,就是上拉输入模式;如果下面导通、上面断开,就是下拉输入模式;如果两个都断开,就是浮空输入模式。
上拉和下拉的作用——>为了给输入提供一个默认的输入电平
 因为对应一个数字的端口,输入不是高电平就是低电平,那如果输入引脚什么都不接,那就不确定算高电平还是低电平。而实际情况是,如果啥也不接,这时输入就会处于一种浮空的状态,引脚的输入电平极易受外界干扰而改变。为了避免引脚悬空导致的输入数据不确定,我们就需要在这里加上拉或者下拉电阻了,如果接入上拉电阻,当引脚悬空时,还有上拉电阻来保证引脚的高电平,所以上拉输入又可以称作是默认为高电平的输入模式。下拉也是同理,就是默认为低电平的输入方式。
注:
1、这个上拉电阻和下拉电阻的阻值都是比较大的,是一种弱上拉和弱下拉,目的是尽量不影响正常的输入操作,所以当IO引脚有电流时,不会经过上下拉电阻。
2、只有输入才有上下拉输入,因为只有输入才要确定一个高电平或者低电平

英文原文档是施密特触发器,(模电里这叫迟滞/滞回比较器,也就是施密特触发器的电路)
施密特触发器的作用就是对输入电压进行整形的,它的执行逻辑是,如果输入电压大于某一阈值,输出就会瞬间升为高电平,如果输入电压小于某一阈值,输出就会瞬间降为低电平。

接下来经过施密特触发器整形的波形就可以直接写入输入数据寄存器了,我们再用程序读取数据输存器对应某一位的数据,就可以知道端口的输入电平了。最后上面这还有两路线路,这些就是连接到片上外设的一些端口,其中有模拟输入,这个是连接到ADC上的,因为ADC需要接收模拟量,所以这根线是接到施密特触发器前面的;另一个是复用功能输入,这个是连接到其他需要读取端口的外设上的,比如串口的输入引脚等,这根线接收的是数字量,所以在施密特触发器后面。

输出部分可以由 输出数据寄存器或片上外设 控制,两种控制方式通过这个数据选择器接到了输出控制部分。
 如果选择通过输出数据寄存器进行控制,就是普通的IO口输出,写这个数据寄存器的某一位就可以操作对应的某个端口了。
 位设置/清除寄存器:这个可以用来单独操作输出数据寄存器的某一位,而不影响其它位。因为这个输出数据寄存器同时控制16个端口,并且这个寄存器只能整体读写,所以如果想单独控制其中某一个端口而不影响其他端口的话,就需要一些特殊的操作方式。 
- 第一种方式是先读出这个寄存器,然后用 按位与 和 按位或 的方式更改某一位,最后再将更改后的数据写回去,在C语言中就是&=和 |=的操作,这种方法比较麻烦,效率不高,对于IO口的操作而言不太合适;
 -  
第二种方式是通过设置这个位设置和位清除寄存器,如果我们要对某一位进行置1的操作,在位设置寄存器的对应位写1便可,剩下不需要操作的位写0,这样它内部就会有电路,自动将输出数据寄存器中对应位置为1,而剩下写0的位则保持不变,这样就保证了只操作其中某一位而不影响其它位,并且这是一步到位的操作。如果想对某一位进行清0的操作,就在位清除寄存器的对应位写1即可,这样内部电路就会把这一位清0了,这就是第二种方式也就是这个位设置和位清除寄存器的作用。【作用:将设置/清除寄存器的某一位写1/0就能达到单独影响输出寄存器的某一位,从而单独影响某个端口】
 -  
第三种操作方式【了解即可】 ,就是读写STM32中的“位带”区域,这个位带的作用就跟51单片机的位寻址作用差不多,在STM32中,专门分配的有一段地址区域,这段地址映射了RAM和外设寄存器所有的位,读写这段地址中的数据,就相当于读写所映射位置的某一位,这就是位带的操作方式,这个方式我们本课程暂时不会用到。我们的教程主要使用的是库函数来操作的,库函数使用的是读写位设置和位清除寄存器的方法
 

上面是P-MOS,下面是N-MOS,这个MOS管就是一种电子开关,我们的信号来控制开关的导通和关闭,开关负责将IO口接到VDD或者VSS,
 在这里可以选择推挽、开漏或关闭三种输出方式。 
-  
推挽输出模式
在推挽输出模式下,P-MOS和N-MOS均有效,数据寄存器为1时,上管导通,下管断开,输出直接接到VDD,就是输出高电平,数据寄存器为0时,上管断开,下管导通,输出直接接到VSS,就是输出低电平,这种模式下,高低电平均有较强的驱动能力,所以推挽输出模式也可以叫强推输出模式。在推挽输出模式下,STM32对IO口具有绝对的控制权,高低电平都由STM32说的算。 -  
开漏输出模式
在开漏输出模式下,这个P-MOS是无效的,只有N-MOS在工作,数据寄存器为1时,下管断开,这时输出相当于断开,也就是高阻模式;数据寄存器为0时,下管导通,输出直接接到VSS,也就是输出低电平;这种模式下,只有低电平有驱动能力,高电平是没有驱动能力的。那这个模式有什么用呢,这个开漏模式可以作为通信协议的驱动方式,比如I2C通信的引脚,就是使用的开漏模式,在多机通信的情况下,这个模式可以避免各个设备的相互干扰,另外开漏模式还可以用于输出5V的电平信号。 

比如在I0口外接一个上拉电阻到5V的电源,当输出低电平时,由内部的N-MOS直接接VSS,当输出高电平时,由外部的上拉电阻拉高至5V,这样就可以输出5V的电平信号,用于兼容一些5V电平的设备,这就是开漏输出的主要用途。
开漏模式下,输出1时,两个mos管都相当于关断,左侧相当于断路。外接5V的电能只能流向右侧,故输出5V。反之,输出0时,左下方mos管导通,外接5V的电能流到左下方Vss,且两者之间几乎没有电压降,可看做5V电压降在了上拉电阻上,故引脚输出0V
- 关闭
剩下的一种状态就是关闭,这个是当引脚配置为输入模式的时候,这两个MOS管都无效,也就是输出关闭,端口的电平由外部信号来控制。 
GPIO八种工作模式
| 模式 | Mode | 
| 模拟输入模式 | GPIO_Mode_AIN | 
| 浮空输入模式 | GPIO_Mode_IN_FLOATING | 
| 下拉输入模式 | GPIO_Mode_IPD | 
| 上拉输入模式 | GPIO_Mode_IPU | 
| 通用开漏输出模式 | GPIO_Mode_Out_OD | 
| 通用推挽输出模式 | GPIO_Mode_Out_PP | 
| 复用开漏输出模式 | GPIO_Mode_AF_OD | 
| 复用推挽输出模式 | GPIO_Mode_AF_PP | 
输入模式

当I/O端口配置为输入时:
- 输出缓冲器被禁止
 - 施密特触发输入被激活
 - 根据输入配置(上拉,下拉或浮动)的不同,弱上拉和下拉电阻被连接
 - 出现在I/O脚上的数据在每个APB2时钟被采样到输入数据寄存器
 - 对输入数据寄存器的读访问可得到I/O状态
 
输出模式

当I/O端口配置为输出时:
-  输出缓冲器被激活─ 开漏模式:输出寄存器上的 ’ 0 ’ 激活 N-MOS ,而输出寄存器上的 ’ 1 ’ 将端口置于高阻状态 (P-MOS 从不被激活 ) 。─ 推挽模式:输出寄存器上的 ’ 0 ’ 激活 N-MOS ,而输出寄存器上的 ’ 1 ’ 将激活 P-MOS 。
 - 施密特触发输入被激活
 - 弱上拉和下拉电阻被禁止
 - 出现在I/O脚上的数据在每个APB2时钟被采样到输入数据寄存器
 - 在开漏模式时,对输入数据寄存器的读访问可得到I/O状态
 -  在推挽式模式时,对输出数据寄存器的读访问得到最后一次写的值。
 
复用功能模式

当I/O端口配置为复用功能时:
-  在开漏或推挽式配置中,输出缓冲器被打开
 -  内置外设的信号驱动输出缓冲器 ( 复用功能输出 )
 -  施密特触发输入被激活
 -  弱上拉和下拉电阻被禁止
 -  在每个 APB2 时钟周期,出现在 I/O 脚上的数据被采样到输入数据寄存器
 -  开漏模式时,读输入数据寄存器时可得到 I/O 口状态
 -  在推挽模式时,读输出数据寄存器时可得到最后一次写的值
 
模拟输入模式

当I/O端口配置为模拟输入时:
- 输出缓冲器被禁止;
 -  禁止施密特触发输入,实现了每个模拟 I/O 引脚上的零消耗。施密特触发输出值被强置为 ’0’ ;
 -  弱上拉和下拉电阻被禁止;
 -  读取输入数据寄存器时数值为 ’0’ 。
 
AFIO
作用:
1、复用与重映射
2、引脚选择(EXIT外部中断)
 通用模式下,CPU直接去控制IO引脚

复用模式下,CPU将控制权交给了其它片上外设
项目:按键控制LED
LED.C
#include "stm32f10x.h"                  // Device headervoid LED_Init_A(uint16_t GPIO_Pin)
{//开启GPIOA的时钟RCC_APB2PeriphClockCmd(RCC_APB2Periph_GPIOA,ENABLE);//初始化GPIOAGPIO_InitTypeDef GPIO_InitStruct;GPIO_InitStruct.GPIO_Mode = GPIO_Mode_Out_OD;//开漏模式GPIO_InitStruct.GPIO_Pin = GPIO_Pin;GPIO_InitStruct.GPIO_Speed = GPIO_Speed_50MHz;GPIO_Init(GPIOA,&GPIO_InitStruct);
}void LED_ON_A(uint16_t GPIO_Pin)
{GPIO_SetBits(GPIOA,GPIO_Pin);
}void LED_OFF_A(uint16_t GPIO_Pin)
{GPIO_ResetBits(GPIOA,GPIO_Pin);
}void LED_Turn_A(uint16_t GPIO_Pin)
{if(GPIO_ReadInputDataBit(GPIOA,GPIO_Pin) == 0)//引脚为低电平转变为高电平{GPIO_SetBits(GPIOA,GPIO_Pin);}else//引脚为和高电平转变为低电平{GPIO_ResetBits(GPIOA,GPIO_Pin);}
}
 
Key.c
#include "stm32f10x.h"                  // Device header
#include "Delay.h"void Key_Init_B(uint16_t GPIO_Pin)
{//开启GPIOB的时钟RCC_APB2PeriphClockCmd(RCC_APB2Periph_GPIOB,ENABLE);//初始化GPIOBGPIO_InitTypeDef GPIO_InitStruct;GPIO_InitStruct.GPIO_Mode = GPIO_Mode_IPU;//上拉输入GPIO_InitStruct.GPIO_Pin = GPIO_Pin;GPIO_InitStruct.GPIO_Speed = GPIO_Speed_50MHz;GPIO_Init(GPIOB,&GPIO_InitStruct);
}uint8_t Key_GetNum(uint16_t GPIO_Pin)
{uint8_t KeyNum = 0;	switch(GPIO_Pin){case GPIO_Pin_1:if (GPIO_ReadInputDataBit(GPIOB, GPIO_Pin_1) == 0)			//读PB1输入寄存器的状态,如果为0,则代表按键1按下{Delay_ms(20);											//延时消抖while (GPIO_ReadInputDataBit(GPIOB, GPIO_Pin_1) == 0);	//等待按键松手Delay_ms(20);											//延时消抖KeyNum = 1;												//置键码为1}break;case GPIO_Pin_2:if (GPIO_ReadInputDataBit(GPIOB, GPIO_Pin_2) == 0)			//读PB1输入寄存器的状态,如果为0,则代表按键1按下{Delay_ms(20);											//延时消抖while (GPIO_ReadInputDataBit(GPIOB, GPIO_Pin_2) == 0);	//等待按键松手Delay_ms(20);											//延时消抖KeyNum = 2;												//置键码为1}break;case GPIO_Pin_3:if (GPIO_ReadInputDataBit(GPIOB, GPIO_Pin_3) == 0)			//读PB1输入寄存器的状态,如果为0,则代表按键1按下{Delay_ms(20);											//延时消抖while (GPIO_ReadInputDataBit(GPIOB, GPIO_Pin_3) == 0);	//等待按键松手Delay_ms(20);											//延时消抖KeyNum = 3;												//置键码为1}break;case GPIO_Pin_4:if (GPIO_ReadInputDataBit(GPIOB, GPIO_Pin_4) == 0)			//读PB1输入寄存器的状态,如果为0,则代表按键1按下{Delay_ms(20);											//延时消抖while (GPIO_ReadInputDataBit(GPIOB, GPIO_Pin_4) == 0);	//等待按键松手Delay_ms(20);											//延时消抖KeyNum = 4;												//置键码为1}break;case GPIO_Pin_5:if (GPIO_ReadInputDataBit(GPIOB, GPIO_Pin_5) == 0)			//读PB1输入寄存器的状态,如果为0,则代表按键1按下{Delay_ms(20);											//延时消抖while (GPIO_ReadInputDataBit(GPIOB, GPIO_Pin_5) == 0);	//等待按键松手Delay_ms(20);											//延时消抖KeyNum = 5;												//置键码为1}break;case GPIO_Pin_6:if (GPIO_ReadInputDataBit(GPIOB, GPIO_Pin_6) == 0)			//读PB1输入寄存器的状态,如果为0,则代表按键1按下{Delay_ms(20);											//延时消抖while (GPIO_ReadInputDataBit(GPIOB, GPIO_Pin_6) == 0);	//等待按键松手Delay_ms(20);											//延时消抖KeyNum = 6;												//置键码为1}break;case GPIO_Pin_10:if (GPIO_ReadInputDataBit(GPIOB, GPIO_Pin_10) == 0)			//读PB1输入寄存器的状态,如果为0,则代表按键1按下{Delay_ms(20);											//延时消抖while (GPIO_ReadInputDataBit(GPIOB, GPIO_Pin_10) == 0);	//等待按键松手Delay_ms(20);											//延时消抖KeyNum = 10;												//置键码为1}break;case GPIO_Pin_11:if (GPIO_ReadInputDataBit(GPIOB, GPIO_Pin_11) == 0)			//读PB1输入寄存器的状态,如果为0,则代表按键1按下{Delay_ms(20);											//延时消抖while (GPIO_ReadInputDataBit(GPIOB, GPIO_Pin_11) == 0);	//等待按键松手Delay_ms(20);											//延时消抖KeyNum = 11;												//置键码为1}break;}return KeyNum;
}
 
main.c
#include "stm32f10x.h"                  // Device header
#include "Delay.h"
#include "LED.h"
#include "Key.h"int main(void)
{LED_Init_A(GPIO_Pin_1 | GPIO_Pin_2);Key_Init_B(GPIO_Pin_10 | GPIO_Pin_11);while(1){uint8_t keyNum = Key_GetNum(GPIO_Pin_10 | GPIO_Pin_11);if(keyNum  == 10){LED_Turn_A(GPIO_Pin_10);}else if(keyNum  == 11){LED_Turn_A(GPIO_Pin_11);}}}
 
二、EXTI外部中断
基础
三、USART
基础
通信接口
 USART和UART的区别
USART(universal synchronous asynchronous receiver and transmitte): 通用同步异步收发器
USART是一个串行通信设备,可以灵活地与外部设备进行全双工数据交换。
UART(universal asynchronous receiver and transmitter): 通用异步收发器
异步串行通信口(UART)就是我们在嵌入式中常说的串口,它还是一种通用的数据通信议。
- 异步通信:没有共享时钟信号,每个字符前后有起始位和停止位,适用于较低速的数据传输。
 - 同步通信:共享时钟信号,数据传输速率较高,但需要额外的时钟信号支持。
 
注:是不是同步就看是不是共用了一根时钟线,共用就是同步,反之则是异步
区别:
USART是指单片机的一个端口模块,可以根据需要配置成同步模式(SPI,I2C),也可以将其配置为异步模式,而UART只能是异步模式。所以说UART姑且可以称之为一个与SPI,I2C对等的“协议”,而USART则不是一个协议,而是更应该理解为一个实体。
相比于同步通讯,UART不需要统一的时钟线,接线更加方便。但是,为了正常的对信号进行解码,使用UART通讯的双方必须事先约定好波特率,即单位事件内传输码元的个数。
UART的连接方式
1、芯片与芯片的连接方式
 
2、 芯片与PC机的连接方式
 
交叉连接,己方Tx连接对方的Rx,己方Rx连接对方Tx
数据帧


注:发送数据要倒着发 也就是 小端的方式
空闲状态:高电平
起始位:发送方将线路拉低表示一帧到来(低电平),长度为1
数据位:低电平0,高电平1,总长度是8位或9位
校验位:奇偶校验,可以没有,也可以是数据位最后一位
停止位:发送方将线路拉高表示一帧结束(高电平),长度可以是0.5,1,2
校验位和数据位

奇偶校验规则


采用9位奇校验的方式,也就是8位数据位 1位校验位
发送方发送1010 1010时 发现‘1’的个数是偶数 所以校验位要补个‘1’
假如接收方有一个‘1’变成‘0’ 然后 ‘1’的总个数为4 是偶数 所以数据传输出错
波特率
波特率:单位时间内发送的码元个数,这里一个码元就是1位,所以看成比特率应该也没问题
 波特率9600:一秒发送9600个码元,也就是一秒发送9600个比特,每个比特的发送需要消耗0.104ms
硬件流控
发送方发送数据后,并不知道接收方是否已经接收并保存数据了,如果还没有接收并保存,发送方发送数据过快(比如发送方发送了10个帧,接收方只来得及保存了1个),可能会使旧数据因新数据覆盖而丢失数据,可以让接收方收到数据后返回一个应答表示数据已收到了,发送到收到答复才继续发。
 带硬件流控的连线图:



接收方接收数据寄存器为空时,rts为低电平,发送方cts收到低电平,us发送方把数据发给接收方,接收方完全接收这一帧后,把rts置高电平表示暂时无法接收数据,发送方cts收到高电平,于是暂停发送数据,等到接收方将输入数据寄存器的值读走后,接收方rts为低电平,发送方cts收到低电平,便可以进行下一个数据帧的发送