辐射发射RE和传导发射CE测试方法分析
- 1. 所有测试项目总结
- 2. 辐射发射RE测试方法
- 3. 传到发射CE测试方法
1. 所有测试项目总结
所有EMC测试项目都是基于模拟现实的。
模拟现实中可能发生的各种真实场景,然后统计总结出各种场景下的真实应力,并通过制造测试仪里,模拟出相应激励来。
各类要求标准的测试项目近似,只是因行业的不同,在指标限值要求上会略有差异。
有些特定行业,因为其特殊的应用场景要求,也会有响应的独特测试项目,如汽车行业的BCI(Bulk Current Injection,机动车电子电器组件的电磁辐射抗扰性限值和测量方法)、军工的核电磁脉冲测试、航空D0-160标准的第22节“雷电感应瞬变敏感度”、第23节“雷电直接效应”测试等。
2. 辐射发射RE测试方法
RE:Radiated Emission
考察设备在正常工作时,对外界的辐射干扰强度;
测试频段根据不同的标准要求不同。如:在CISPR 22中,测试频段为30~1000MHz,值得注意的是设备进行RE测试时标准要求尽可能满配置、满负荷的运行。

3. 传到发射CE测试方法
CE:Conducted Emission
不同类产品会有不同的针对标准。
- 电源端:测试频段为150KHz~30MHz,军工从9KHz开始;
- 通信端测:频段同上,指对接到公网的端口,如网口、ISDN口等才测试。而对接中断的信号端口,如音视频端口则无CE要求。

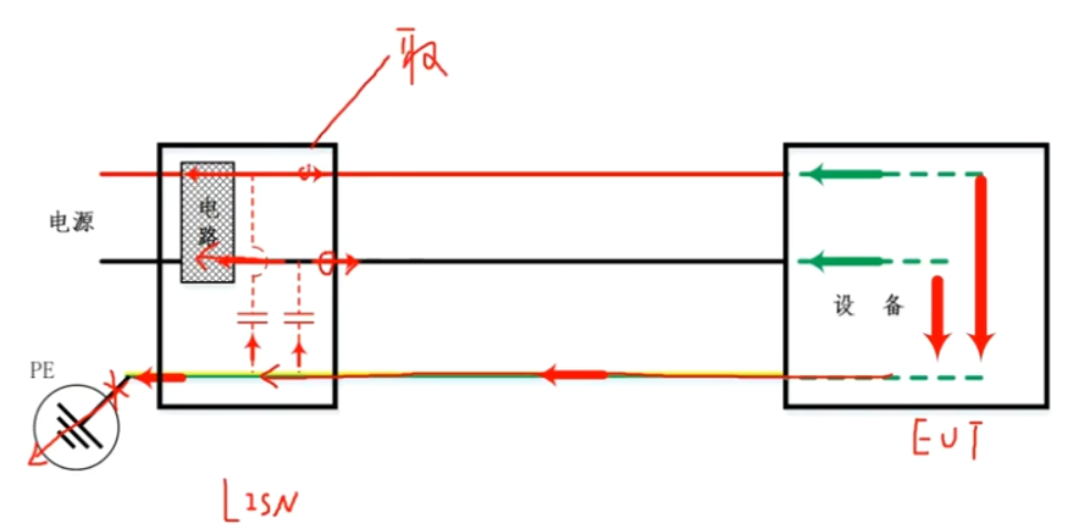
LISN——Line Impedance Stabilization Network,线路阻抗稳定网络。
不同实验室的测试会略有差异,如果实验室接地不好,EUT的干扰可能会通过参考地经LISN的耦合电容反灌与原干扰叠加,导致测试超标。
