该程序基于 LabVIEW,用于控制数字万用表(DMM)与开关模块进行测量扫描。通过合理配置触发源、测量参数等,实现对多路信号的自动化测量与数据获取,在电子测试、工业测量等领域有广泛应用。

各步骤功能详解
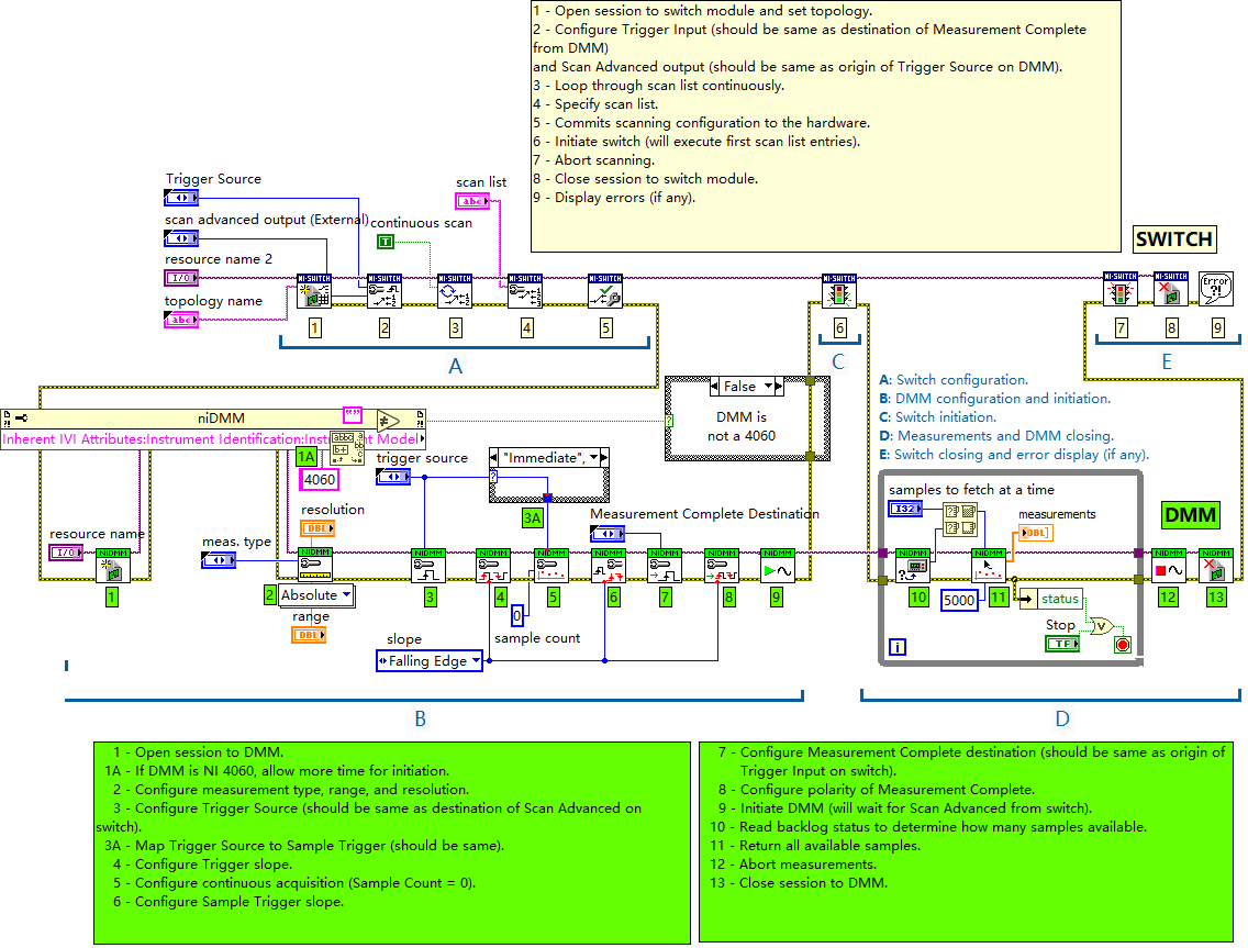
开关模块配置(SWITCH 部分)
-
打开会话并设置拓扑(步骤 1):建立与开关模块的连接会话,定义其物理连接结构,为后续配置和操作奠定基础。例如在一个多路信号切换测量场景中,需明确各通道与测量设备的连接关系。
-
配置触发输入(步骤 2):设置触发信号的来源和相关参数,确保测量与触发事件准确关联。如指定从 DMM 的某个特定输出作为触发输入,使测量操作能按预期的信号条件启动。
-
配置触发源(步骤 3):确定触发测量的信号源头,且需与 DMM 上的触发源起始点一致。比如将外部设备的脉冲信号设为触发源,保证测量系统与外部激励同步。
-
指定扫描列表(步骤 4):规划要进行测量的通道顺序或组合等信息。像在电路板多节点电压测量中,可按节点编号顺序编制扫描列表。
-
提交扫描配置到硬件(步骤 5):将软件设定的扫描参数传输至硬件设备,使其按配置要求工作。
-
启动扫描(步骤 6):触发硬件开始按照扫描列表执行测量任务,依次对指定通道进行数据采集。
-
终止扫描(步骤 7):在完成测量需求或需要提前结束时,停止当前正在进行的扫描操作。
-
关闭开关模块会话(步骤 8):断开与开关模块的连接,释放占用资源。
-
显示错误(步骤 9):若在上述过程中出现错误,将错误信息展示出来,便于排查问题。
DMM 配置与测量(DMM 部分)
DMM 初始化配置(步骤 1A - 6)
-
打开 DMM 会话(步骤 1):建立与 DMM 的通信连接,为后续操作做准备。若 DMM 是 NI 4060 型号,需额外预留初始化时间(步骤 1A) 。
-
配置测量类型、量程和分辨率(步骤 2):根据测量需求,选择如电压、电流等测量类型,并设置合适的量程和分辨率。例如测量微弱信号时,需设置高分辨率和合适小量程。
-
配置触发源(步骤 3):使 DMM 的触发源与开关模块上扫描高级输出的目的地一致,保证两者触发逻辑协同。
-
映射触发源到采样触发(步骤 3A):确保触发信号能正确驱动采样过程,使采样与触发精准匹配。
-
配置触发斜率(步骤 4):设定触发信号的上升沿或下降沿触发条件,比如选择下降沿触发,可使测量在特定信号变化时刻启动。
-
配置连续采集(采样计数 = 0)(步骤 5):设置为连续采集模式,让 DMM 持续获取数据,采样计数为 0 表示持续不间断采集。
-
配置采样触发斜率(步骤 6):进一步细化采样触发的条件,与整体触发逻辑配合,精准控制采样时机。
测量完成与数据获取(步骤 7 - 13)
-
配置测量完成目的地(步骤 7):指定测量完成信号的输出目标,使其与开关上触发输入的起始点一致,保证测量流程的逻辑连贯。
-
配置测量完成的极性(步骤 8):设置测量完成信号的电平特性,确保信号能被正确识别和处理。
-
启动 DMM(步骤 9):让 DMM 开始执行测量任务,等待开关模块的扫描高级信号。
-
读取积压状态(步骤 10):检查 DMM 中已采集但未处理的数据量,以便合理安排数据读取节奏。
-
返回所有可用样本(步骤 11):将 DMM 中积累的测量数据一次性获取到程序中,进行后续分析处理。
-
终止测量(步骤 12):结束当前正在进行的测量操作,释放相关资源。
-
关闭 DMM 会话(步骤 13):断开与 DMM 的连接,完成测量流程。
扫描方式优点
自动化与高效性
通过预先配置好的扫描列表和触发逻辑,系统可自动按顺序对多路信号进行测量,无需人工频繁干预。例如在电路板批量测试中,可快速完成多个测试点的测量,大幅提升测试效率。
精准触发与同步
精确配置触发源、触发斜率等参数,能使测量与外部激励信号精准同步。在测量随时间变化的动态信号时,可确保每次测量都在信号的同一特征点进行,提高测量准确性和数据一致性。
灵活性与可扩展性
可根据不同测量需求灵活调整扫描列表、测量参数等。在新的测量任务或被测对象改变时,只需修改相应配置,而无需大幅改动硬件或软件架构,方便系统扩展和功能升级。
注意事项
触发配置一致性
在配置触发源相关参数时,务必保证开关模块与 DMM 之间触发逻辑的一致性。若触发源、触发输入等设置不匹配,可能导致测量不同步或误触发,使测量数据无效。
硬件资源管理
在打开和关闭设备会话时,要确保资源正确释放。若会话未正常关闭,可能导致硬件资源被占用,影响后续测量操作,甚至引起设备故障。
数据处理与积压
当 DMM 处于连续采集模式时,要及时处理读取积压状态并获取数据。若积压数据过多未处理,可能导致数据丢失或测量系统性能下降。
硬件要求
开关模块
需支持通过软件配置拓扑结构、触发参数等功能,具备可靠的通道切换能力和稳定的电气性能。例如 NI 公司的相关开关模块产品,能满足多种复杂测量场景下的通道切换需求。
DMM
应具备丰富的测量功能(如电压、电流、电阻等测量),高精度和高分辨率指标,同时支持通过软件配置测量参数、触发条件等。像 NI 4060 数字万用表,在测量精度和功能扩展性上表现出色。
配合要求
通信接口
开关模块与 DMM 需具备兼容的通信接口,如常见的 USB、GPIB 等,确保两者能与控制计算机进行稳定的数据传输和指令交互。
软件环境
控制程序需运行在合适的操作系统(如 Windows)上,且要安装相应的驱动程序和开发环境(如 LabVIEW 及相关仪器驱动),保证软件对硬件设备的正确识别和控制。
扫描方式分类
硬件扫描
主要依靠硬件电路实现信号通道的切换和测量触发。例如通过硬件继电器阵列实现通道切换,硬件定时器触发测量。优点是响应速度快,适用于对实时性要求极高的场景,如高频信号测量;缺点是灵活性较差,更改测量配置时需重新设计硬件电路。
软件扫描
如本程序所示,通过软件编程配置触发源、扫描列表等参数来控制测量过程。优点是灵活性强,可根据不同需求快速修改测量配置;缺点是相比硬件扫描,在超高速测量场景下可能存在一定的响应延迟。
混合扫描
结合硬件和软件扫描的优势,部分关键触发和快速通道切换由硬件实现,而复杂的测量参数配置、数据处理等由软件完成。在一些高端测试系统中,常采用这种方式,既能保证测量的实时性,又具备良好的灵活性和扩展性。