1 概述
1.1 简介
多路复用开关板是使用信号继电器实现2线制的多路复用开关板卡;多路复用开关是一种可以将一个输入连接到多个输出或一个输出连接到多个输入的拓扑结构。这种拓扑通常用于扫描,适合将一系列通道自动连接到公共线路的的设备。多路复用开关板灵活的拓扑结构,常用在大规模互连解决方案中;特别是在兼容不同型号的被测产品的测试系统中,可以尽量减少所需测试系统的测量信号的数量。
1.2 性能概述
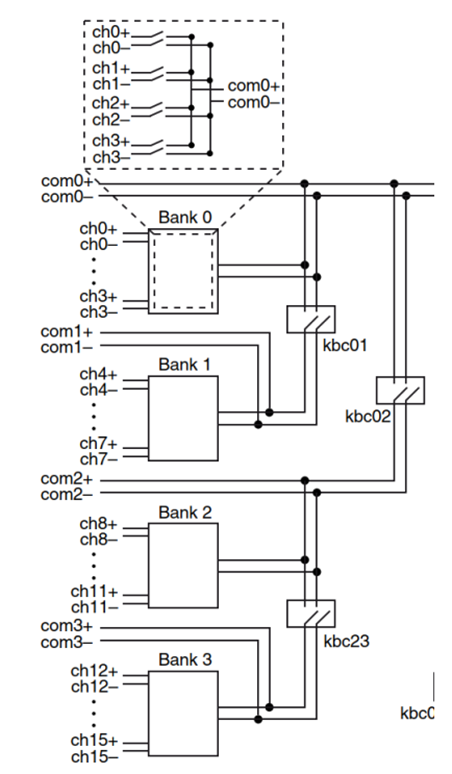
多路复用开关板具有8个切换组,每个切换组为2线4×1多路开关模块;再通过多个级联继电器实现8×1、16×1和32×1连接;多路复用开关板切换原理如图1所示。

多路复用开关板使用单片机作为主控芯片,单片机IO管脚控制驱动电路,使继电器实现开关动作。
单片机的SPI接口驱动10M/100M自适应PHY芯片实现以太网通信接口。
使用RS485驱动芯片实现单片机的串口转RS485通信;
多路复用开关板设计原理框图,如图1所示。

1.3 规格参数
多路复用开关板具备以下技术参数:
a) 开关电流:≤0.5A;
b) 复用资源:
- 组数:板卡共具有8个组;
- 组资源:每组为2线制4×1多路复用开关模块;
- 复用配置:可配置为8组2线制4×1、4组2线制8×1、2组2线制16×1、1组2线制32×1;
c) 通信接口: - RS485通讯接口:115200bps、8位数据位、无校验、1位停止位;
- 通过拨码开关配置通信节点的地址;
- 最多支持100张板卡通过RS485总线级联;
2 板卡特性
2.1 外形图

2.2 尺寸图

2.3 接口定义




3 通信协议
3.1 RS485通信
3.1.1 通信配置
波特率:115200bps;
校验位:无校验;
数据位:8位;
停止位:1位;
3.1.2 帧格式

3.1.3 查询版本号



3.1.4 板卡复位

3.1.5 板卡分组设置

3.1.6 板卡通道设置
3.1.7 板卡状态查询


4 应用软件
用户在使用多路复用开关板卡时,可以根据实际情况使用我公司提供的控制软件或者用户根据通信协议二次开发软件。
a) 打开软件后,点击左侧工具栏的“打开设备”按钮;

b) 在打开设备界面,选择串口号和串口参数,点击“确定”按钮打开设备。

c) 成功打开设备后,进入设备控制界面;根据以下步骤操作控制板卡

1) 选择总线总节点数;
2) 打开所有节点;
3) 选择每个节点的分组配置;
4) 配置信息下发到各个节点;
5) 选择每个节点板卡,每组的选通号;
6) 所有节点选择好后更新设置到每个节点板卡。