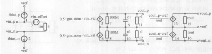
做电路设计,需要提前用理想模型如VerilogA模型做验证。这里分享一个由ahdlib库里单端opamp改造而来的差分opamp。参考何乐年的《模拟集成电路设计与仿真》10.4节423页;




描述的小信号模型如上。
VerilogA 用到了SR=I/C,GBW=gm/C,gain=gm*r1等概念。加了内部节点cout_p,coutn作为描述对象,很巧妙。
做电路设计,需要提前用理想模型如VerilogA模型做验证。这里分享一个由ahdlib库里单端opamp改造而来的差分opamp。参考何乐年的《模拟集成电路设计与仿真》10.4节423页;




描述的小信号模型如上。
VerilogA 用到了SR=I/C,GBW=gm/C,gain=gm*r1等概念。加了内部节点cout_p,coutn作为描述对象,很巧妙。
本文来自互联网用户投稿,该文观点仅代表作者本人,不代表本站立场。本站仅提供信息存储空间服务,不拥有所有权,不承担相关法律责任。如若转载,请注明出处:http://www.mzph.cn/pingmian/79938.shtml
如若内容造成侵权/违法违规/事实不符,请联系多彩编程网进行投诉反馈email:809451989@qq.com,一经查实,立即删除!