使用安全继电器的急停电路设计
- 一,急停回路的设计
- 1,如何将急停接到线路当中?
- 2,急停开关 如何接到安全继电器中
一,急停回路的设计
急停是每一个设备必不可少的部分,因为关乎安全,所以说所以说他的设计是非常重要的;
急停可以选择常开出点与常闭触点,按照安全等级要求的话,选择长鼻触电是比较合适的;
(选择常开触电的话,整个回路就是断开的,一旦出现线路损坏,则会导致急停失效,出现安全隐患)
1,如何将急停接到线路当中?
①,接到普通的继电器当中(不推荐);
②,接到安全的继电器当中;
③,接到安全的PLC当中(成本高),只有当系统中用到的安全继电器很多时才选择用安全PLC;
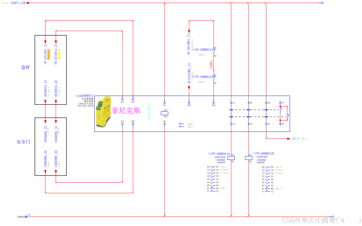
2,急停开关 如何接到安全继电器中

如上图所示,黄色的是安全继电器,首先给他供个电源,A1(正),A2(负)接24V的电源;
S11和S12, S21和S22是接急停的两个常闭触点,S33,S34是他的一个复位的功能
13,14和23,24是它的两对常开触电,正常情况下,急停未被触发,13,14和23,24是闭合的,可以给它接两个个中间继电器,在使用中间继电器去控制其他部分;
急停未被触发的正常情况下,安全几点起上面的灯CH1和CH2是亮的,急停拍下以后,这两个灯是灭掉的;
灯灭掉之后,再把急停恢复之后,这个安全继电器是不能自动复位的,只有当S33,S34两者之间被导通一下才能实现复位;
如果需要自动复位的话,将S33,S34接到这两个继电器的常闭的触点,会实现自动复位的功能;

选择两个普通中间继电器的目的:可以将这连个中间继电器的常开出点KA串联接到PLC当中;以防止KA1,KA2触点的捏和,故选择两个中间继电器;
包括一些关键的设备,因为所使用的中间继电器有很多触点,不仅是可以接到PLC当中,也是可以设计在硬件回路当中,比如说关键性的设备,一合设备肯定有一个关键设备,可以将KA1,KA2常开触点串联到其中;
对于变频设备,正常情况下都知道有个STO的功能,可以将KA1,KA2的常开触点接到变频器的STO的的线路当中;
这样会使我们的设备更加的安全