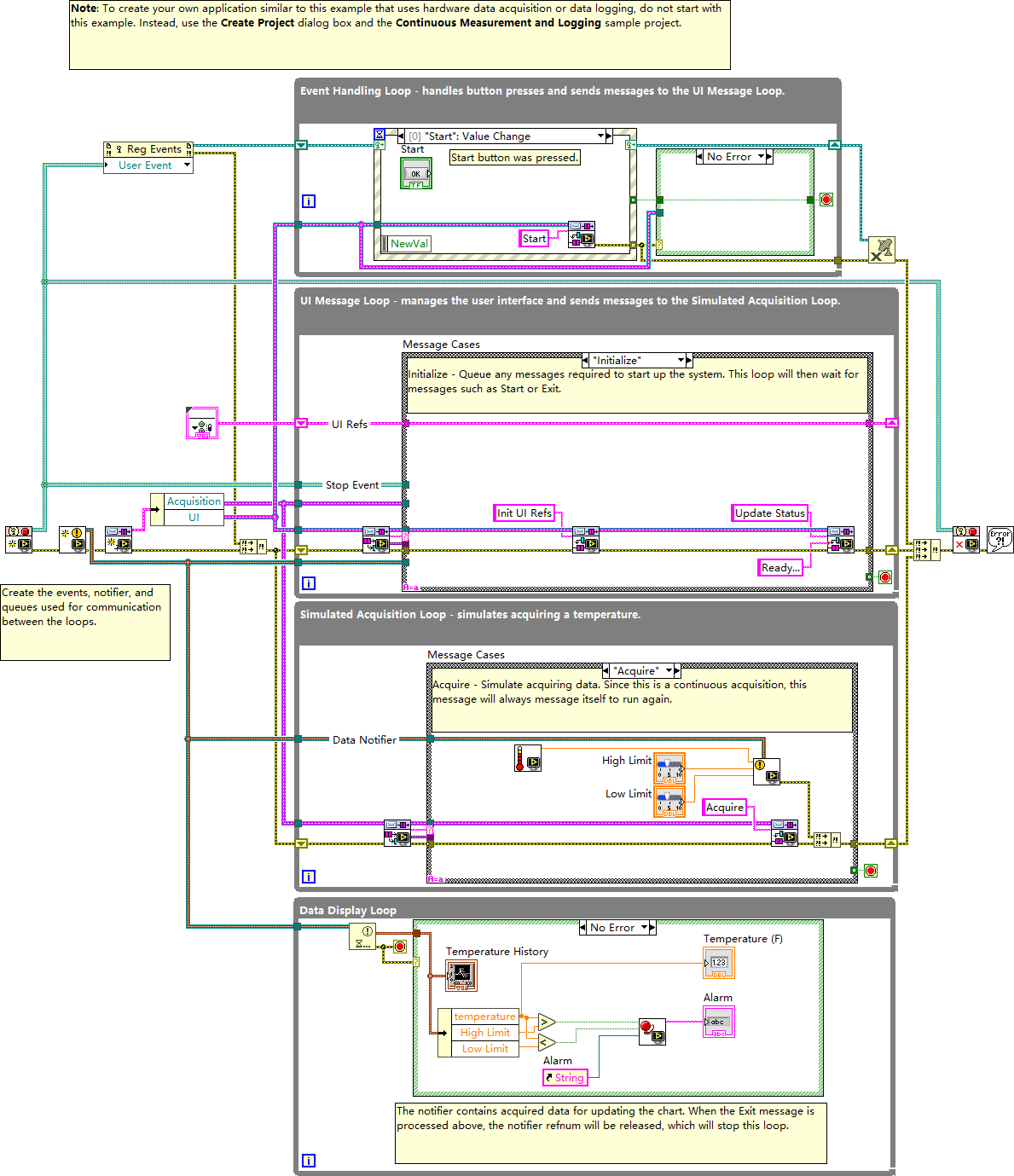
这是一个温度监测应用程序,基于 Continuous Measurement and Logging 示例项目构建,用于读取模拟温度值,当温度超出给定范围时发出警报 。

这个。
详细说明
-
运行操作:直接运行该 VI 程序。点击 “Start” 按钮,即可开始监测温度数据;点击 “Stop” 按钮,停止监测温度数据;点击 “Exit”,可停止整个 VI 程序运行。
-
程序架构:
-
事件处理循环(Event Handling Loop):负责处理按钮按下事件,并向用户界面消息循环(UI Message Loop)发送消息 。例如,当 “Start” 按钮被按下,会触发相应事件并传递信息。
-
用户界面消息循环(UI Message Loop):管理用户界面,向模拟采集循环(Simulated Acquisition Loop)发送消息。程序启动时,它会等待 “Start” 或 “Exit” 等消息来执行相应操作 。
-
模拟采集循环(Simulated Acquisition Loop):模拟温度采集过程。收到 “Acquire” 消息后,模拟采集数据,并持续循环此操作。同时,会将采集的数据与设定的高低限(High Limit、Low Limit)比较,判断是否超出范围 。
-
数据显示循环(Data Display Loop):接收采集的数据,更新温度历史记录图表(Temperature History)。若温度超出设定范围,触发警报(Alarm) 。
-
-
优点:结构清晰,通过多个循环分工协作,各部分功能明确,便于理解和维护;基于示例项目构建,对于初学者易于上手学习 。
-
特点:模拟温度采集功能,可自定义温度范围并触发警报,具备一定的灵活性和实用性 。
-
适用场合:适用于学习 LabVIEW 编程中关于数据采集、事件处理、用户界面管理等相关知识;也可作为工业、环境等领域温度监测系统开发的基础参考示例 。
-
应用范围:主要用于温度监测相关场景,也可通过修改扩展到其他需要模拟数据采集和范围判断的应用中 。
总结
Temperature Monitoring.vi 是一个结构清晰、功能实用的温度监测示例程序,无论是编程学习还是相关项目开发,都具有较高的参考价值,能帮助用户快速掌握相关编程要点和应用逻辑