放大电路、单管共发射极放大电路结构、工作原理
- 本文介绍的定义
- 一、放大电路基本概念
- 二、单管共发射极放大电路
 
本文介绍的定义
放大、实现放大作用、放大电路技术指标测量、电压放大倍数、电流放大倍数、相量表示、最大输出幅度、峰峰值、非线性失真系数、输入电阻、输出电阻、通频带、最大输出功率与效率、单管共射放大电路、集电极电源、集电极负载电阻、基极电源、静态基极电流、单管共射放大电路工作原理、放大电路原则、阻容耦合单管共射放大电路、隔直电容、耦合电容。
一、放大电路基本概念
放大:实现能量的控制,使用能量小的输入信号控制另一个能源,使输出端负载上得到能量比较大的信号。扬声器,听到什么声音,取决于天线接收的信号,输出功率大的音量,能量来自于另一个直流源。放大的对象是变化量,输入信号小变化量,输出端负载上得到大变化量。
实现放大作用:要采用具有放大作用的电子器件,双极型三极管基极电流Ib对集电极电流Ic有控制作用。场效应管栅源电压Ugs对漏极电流Id也有控制作用。两种器件都可以实现放大作用。
放大电路技术指标测量:在放大电路输入端加上正弦测试电压,然后测量电路中其他有关电量。

放大倍数:电压放大倍数,输出电压与输入电压变化量之比,输入正弦测试电压时,可用输出电压与输入电压正弦相量之比表示。电流放大倍数,输出电流与输入电流变化量之比,可用输出电流与输入电流正弦相量之比表示。以下两公式,在输出电压输出电流基本也是正弦波,输出信号没有明显失真时,有意义。


相量表示:电压的相量表示,由正弦电压的有效值U和初相ψ构成,复数的模表示电压的最大值,其辐角表示电压的初相,如下图。

最大输出幅度:放大电路提供给负载的最大输出电压(最大输出电流),一般是电压的有效值,也可用峰峰值表示,,正弦信号峰峰值等于有效值乘以二倍根号二。

非线性失真系数:放大器件输入输出具有非线性,因此放大电路输出波形会产生非线性失真,输入单一频率正弦波,输出波形除基波还有谐波。非线性失真系数的公式如下,U1、U2、U3… 表示输出信号基波、二次谐波、三次谐波… 的幅值。

输入电阻:从放大电路输入端看进去的等效电阻。描述放大电路对信号源索取电流的大小,输入电阻越大,说明索取电流越小,这样最好。输入电阻公式如下,等于外加正弦输入电压与输入电流之比。

输出电阻:从放大电路输出端看进去的等效电阻。描述放大电路带负载能力,输出电阻越小越好,越小,说明带负载能力强(消耗能量少,更多能量给负载)。公式如下,当输入端信号短路Us=0(Rs保留),输出端负载Rl开路,外加正弦输出电压得到输出电流,两者之比是输出电阻。

实际测试时用下面这个公式,输入端加上固定正弦交流电压,首先负载开路,得到输出电压为U0撇,接上阻值Rl的负载电阻,再测输出电压U0,就可以由下面公式

通频带:放大器件存在级间电容,放大电路可能接有电抗元件,放大倍数将随信号频率变化而变化。频率和放大倍数关系如下,放大倍数在高频和低频段下降至中频的1/根号二时,包括的频率范围是放大电路的通频带。通频带越宽,放大电路对信号频率变化有更强适应力。

最大输出功率与效率:输出功率,在输出信号不明显失真前提下,能够向负载提供的最大输出功率。负载得到的输出功率是利用放大器件控制作用,将直流电源功率转换成交流功率得到的。放大电路的效率,最大输出功率与直流电源消耗功率之比。

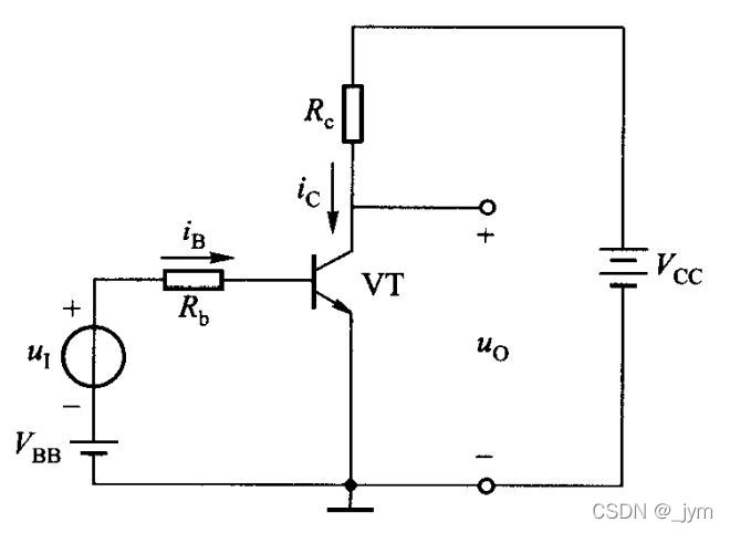
二、单管共发射极放大电路

单管共射放大电路:上图是只有一个NPN三极管构成的放大电路,输入回路和输出回路公共端是三极管的发射极,称为单管共射放大电路。
直流电源Vcc:集电极电源Vcc是直流电源,输出端负载得到的较大能量由Vcc提供。
集电极负载电阻Rc:将集电极电流Ic变化转换为集电极电压变化,送到放大电路的输出端。
基极电源Vbb:基极电源Vbb是直流电源,使发射结正偏,与基极电阻Rb共同决定输入信号等于0时,放大电路基极电流。这个电流为静态基极电流,静态电流对三极管能否工作在放大区、放大电路的性能,有重要影响。
单管共射放大电路工作原理:输入端加上微小变化量Ui,基极和发射极电压也变化,产生变化量Ube;发射结正偏,Ube变化,产生变化量Ib,Ib变化引起Ic变化;Ic流过Rc,Uce变化,Ic增加,Rc压降增加,Uce降低(因为Vcc恒定不变),Uce变化量与Rc变化量数值相等极性相反。Uce变化量就是输出电压变化量U0。也就是说,由于Ic变化量大于Ib,导致输出电压变化量大于输入电压变化量,这就是放大电路的放大作用。

放大电路原则:外加直流电源要使三极管发射结正偏,集电结反偏,保证三极管工作在放大区;输入回路应使输入电压变化量传到三极管基极回路,使基极电流产生变化量;输出回路应使集电极电流变化量转化为集电极电压变化量,传到放大电路输出端。
图示电路的缺点:需要两路直流电源;输入电压与输出电压不共地。改进如下图。

阻容耦合单管共射放大电路:将基极电阻Rb接到Vcc正端;输入回路,将输入电压一端与输出电压共地,另一端连接电容接到三级管基极,这样的话,输入电压交流成分基本上能够没有衰减的通过电容到基极,直流不能通过。这个电容称为隔直电容、耦合电容;输出回路,集电极也通过隔直电容接到输出端,Rl是负载电阻。
简化画法:不将直流电源画出,只标出其正端。
