微变等效电路法分析放大电路
- 本文介绍的定义
- 一、简化的h参数微变等效电路
- 1.静态工作点计算
- 2.微变等效电路法估算电压放大倍数
 
- 二、微变等效电路法应用
 
本文介绍的定义
微变等效电路法、h参数微变等效电路、单管共射放大电路的微变等效电路、Rbe近似估算、微变等效电路法应用。
一、简化的h参数微变等效电路
微变等效电路法:在信号变化范围很小的情况下,三极管电压、 电流之间的关系基本是线性的。此时,可以将二极管的输入、输出特性曲线近似地视为直线。用一个线性电路来等效非线性的三极管。这样的电路称为三极管的微变等效电路。微变等效电路法用于电路的动态分析。

如上图所示,对于输入特性曲线(a),可用等效电阻表示Ube变化量和Ib变化量之间的关系。

对于上图输出特性曲线(b),Q点附近特性曲线基本上是水平的,可以用一个大小为βIb的恒流源来代替三极管。这个电流源是一个受控电流源,体现了基极电流ib对集电极电流ic的控制作用。
最终得到下图(b)的微变等效电路,称为简化的h参数(混合参数)微变等效电路,因为忽略了Uce对Ic的影响,忽略了Uce对输入特性的影响。但是由于忽略这些影响带来的误差小,所以简化的h参数微变等效电路足以应对工程计算。

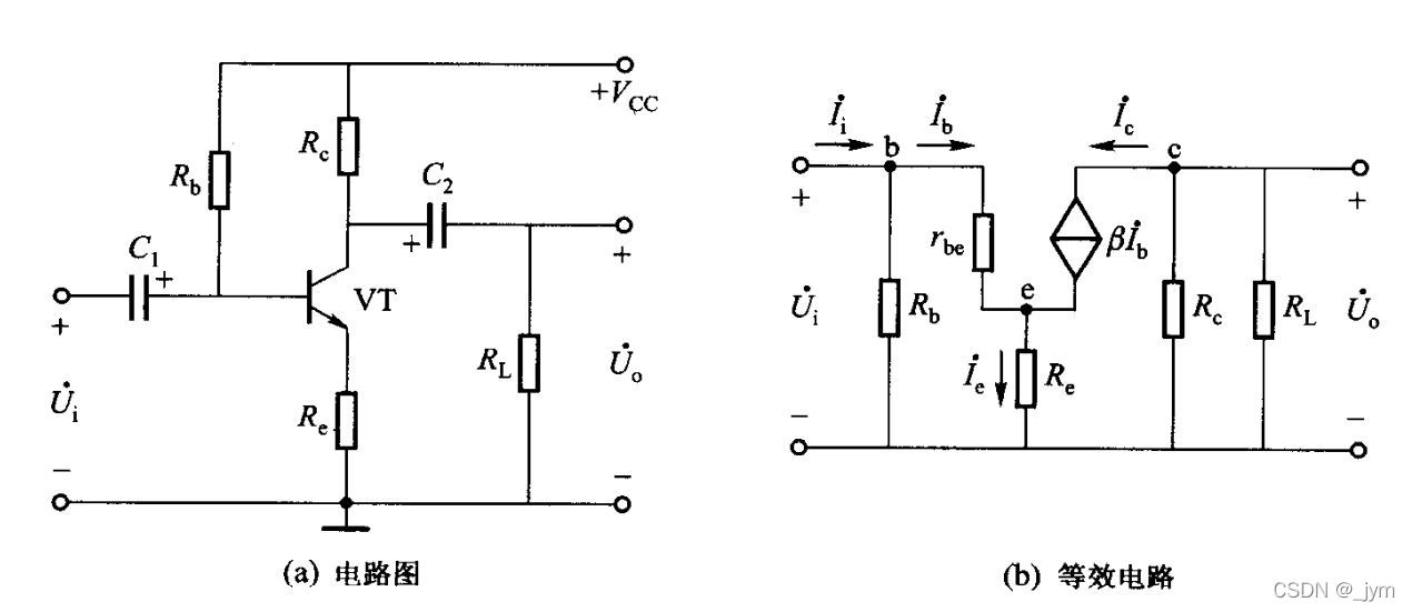
单管共射放大电路的微变等效电路:首先用上图b的等效电路代替三极管,然后画其他部分的交流通路。Ui、Uo、Ib、Ic上面有个点,表示输入电压、输出电压、基极电流、集电极电流的正弦相量。
一些公式如下,Au是单管共射放大电路的电压放大倍数。





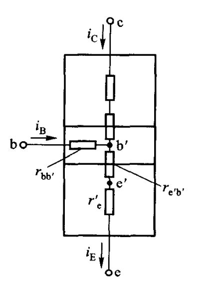
Rbe近似估算:Rbe由三部分组成,基区体电阻、基射之间的结电阻、发射区体电阻。
流过PN结的电流Ie与PN两端电压Ube之间的关系:Is是反向饱和电流;Ut温度电压当量,常温等于26mv;工作在放大区发射结正向偏置,Ube大于0.1 。

由于上式括号里面左边的数远大于1,可以简化:

对Ube求导,得到Rbe的倒数,那么就可以得到Rbe的值,而且在静态工作点附近一个比较小的变化范围内,Ie约等于Ieq,那么Reb表示如下。

发射区多子浓度高,体电阻较小,可忽略。那就可以根据下图得到Ube和Ib的表达式。

然后对Ib求导就得出Rbe:低频小功率三极管Rbb一般等于300欧姆。


由以上得知,Ieq一定,β越大,Rbe越大,电压放大倍数里面,Rbe是在分母上的,所以,β增大,三极管不能按比例提高电压放大倍数。可以通过提高Ieq的值,减小Rbe,从而增大电压放大倍数。
1.静态工作点计算

 
2.微变等效电路法估算电压放大倍数

 
 如果提高Au,那么可以减小Rb,但是会增大Ib,那么静态工作点就向饱和区移动,容易产生饱和失真。

二、微变等效电路法应用
有的放大电路无法用图解法直接求电压放大倍数,比如发射极不直接接地的情况,如下图a。
用微变等效电路法可画出图a的等效电路如图b。

由图b可知:输入电压、输出电压、电压放大倍数、输入电阻。接入Re,电压放大倍数降低;输入电阻增大;




 
 静态分析,观察电路的直流通路:
 
 动态分析:
 