分压式静态工作点稳定电路
- 本文介绍的定义:
- 一、静态工作点稳定问题
- 二、分压式静态工作点稳定电路
 
本文介绍的定义:
静态工作点稳定问题、温度对三极管参数的影响、分压式静态工作点稳定电路、电流负反馈式工作点稳定电路、旁路电容、静态分析、动态分析。
一、静态工作点稳定问题
静态工作点稳定问题:如果静态工作点不稳定,则放大电路的某些性能也将发生波动。因此,如何使静态工作点保持稳定,是一个十分重要的问题。电子设备在常温下能够正常工作,但当温度升高时,性能就可能不稳定,这是因为电子器件的参数受温度影响而发生变化。
温度对三极管参数的影响:
常识:温度升高,得到得到同样的Ib所需的Ube值将减小;Ubeq减小则Ibq增大,温度每升高一度,Ube约下降2mv;温度升高,β增大,输出特性间距增大,温度每升高一度,β增大百分之0.5-百分之1;温度升高,三极管反向饱和电流Icbo增加,因为反向电流是少子形成的受温度影响严重,温度每升高10度,Icbo大致将增加一倍。
温度20度的时候三极管的输出特性如图实线所示,而当温度上升时,输出特性可能变为图中的虚线所示。静态工作点将由Q点上移至Q’点,此时静态工作点移近饱和区,使输出波形产生严重的饱和失真。

二、分压式静态工作点稳定电路
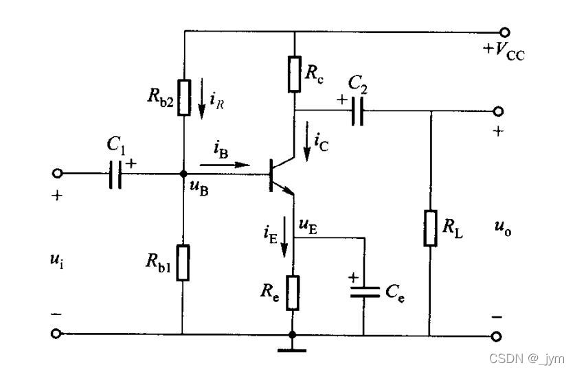
分压式静态工作点稳定电路:在环境温度变化时,为减小静态工作点的波动。可采用分压式静态工作点稳定电路。和单管共射放大电路区别是这里的发射极接了电容和电阻;直流电源Vcc经Rb1、Rb2分压后接到三极管的基极。

工作原理:Ubq由Vcc经电阻分压得到,基本上不受温度变化的影响,比较稳定。温度升高,Icq增大,Ieq增大,Ieq经过Re,Ueq升高,Ubeq=Ubq-Ueq,Ubeq降低,Ibq减小,Icq减小,最终静态工作点稳定。
电流负反馈式工作点稳定电路:分压式静态工作点稳定电路通过发射极电流的负反馈作用来牵制集电极电流的变化,使Q点保持稳定,所以分压式静态工作点稳定电路也称为电流负反馈式工作点稳定电路
旁路电容:电路中仅接入发射极电阻Re,则电压放大倍数将降低很多。如果Re两端并联一个容量大的电容Ce,可以认为交流短路,此时Re和Ce对电压放大倍数基本没有影响,Ce称为旁路电容。
常用取值:Ir=(5-10)Ibq;Ubq=(5-10)Ubeq
分析分压式工作点稳定电路静态工作点:

下面这个jym认为,Ie=Ic+Ib,由于Ib很小,可忽略。



动态分析:旁路电容足够大时,发射极直接接地,这电路也就相当于共射放大电路,因此分压式工作点稳定电路电压放大倍数和单管共射放大电路相同。不同的就是电路的输入电阻。
