
革
新
READ
随着建筑技术的进步,建筑内部功能和机电系统越来越多样,带来机电管线的数量成倍增加。为节约建筑空间,提高建筑净高,保证系统功能,提升履约品质,越来越多的项目选择采用联合支架的形式将各类管线集合成束,达到既施工方便,又美观大气的效果。

但问题来了,支架大小如何选择?选型过大造成浪费,增加成本,选型过小又带来安全隐患和质量风险,这让很多项目都犯了难。
青海农信社项目18年新员工蒋中恒,在技术部和项目部同事的引导支持下,刻苦钻研,研究出一套简单便捷的联合支架设计校核方法,并在现场良好运用起来,一举解决了联合支架设计难题。快来看看他是如何进行设计计算的吧!
支架计算原理
支架受力模型简化
联合支架由于承担的管道、桥架、风管等管线较多,受力分析相对比较复杂。但根据力的平衡原则,对联合支架受力力系进行简化,可以近似的看作联合支架内各横担的受力平衡和联合支架各竖向拉杆的受力平衡。各个联合支架的构成杆件满足受力要求并达到平衡,联合支架整体即满足要求。横担的受力和稳定可视为简支梁的受力计算(如图1.1),拉杆的受力由于受纵向拉力(或压力)和水平向摩擦力,可视为杆件拉伸计算或受压(如图1.2)和一端固定的杆件弯曲计算(如图1.3)。下面首先对联合支架进行荷载分析。

图1.1 简支梁结构计算示意(横担受力简化)

图1.2 联合支架拉杆结构计算示意(支架立杆受力简化)

图1.3 悬臂梁结构计算示意(支架拉杆水平受力简化)
垂直荷载
管道支吊架垂直荷载根据性质可分为基本垂直荷载(恒载)和可变垂直荷载(活载),其中基本垂直荷载指管道支吊架所承受的管道重力、介质重力、保温层等附件的重力等永久性荷载。可变垂直荷载指管道所承受的活荷载、沉积物重力和发生地震时所应该承受的特殊变化的荷载。因可变垂直荷载是无法精确计算的,为此我们将管道支吊架的基本垂直荷载乘以一个经验系数(一般为1.2~1.4)作为管架垂直方向的计算荷载。
1 | 水管的垂直荷载 水管的垂直荷载为水管的自重及满水状态下水管内水的重量,由此可计算: G=(Gm+Gw)×1.2=ρmg(So-Si)ΔL+ρwgSiΔL=πgΔL[ρmRo2-(ρm-ρw) Ri2] (式1.1) 式中:ρm为管道材质密度; ρw为水的密度,1.0×103kg/m3; So为管道外径; Si为管道内径; ΔL为支架承担管段长度。 |
2 | 风管的垂直荷载 风管的垂直荷载主要为风管的铁皮、法兰及保温等附件重量 |
3 4 | 桥架的垂直荷载 桥架的垂直荷载为桥架自身重量与桥架内承担电缆、电线的重量。 ΔL的确定 根据各项目管道支架间距的不同,ΔL的取值也不同,一般为两个管道固定支架的间距,不得大于规范限定的最大值。 ![]() 图1.4 ΔL的取值示意 |
水平荷载
由于管道内的水流与管壁支架产生摩擦,带动管道一起沿管道轴向发生位移,造成管道与支吊架的摩擦形成推力,因此支架的水平荷载即是管道作用于联合支架上的水平推力,根据管道类型可分为普通固定支架水平推力和设置补偿器的管道水平推力。
1 | 普通固定支架水平推力计算 普通固定支架水平推力主要来自管道摩擦力,吊杆水平推力可忽略: 水平推力=管道摩擦力F=μG (式1.2) 式中:μ为摩擦系数,钢材与钢材摩擦取0.3,钢材与混凝土摩擦取0.6; G为管道垂直荷载。 |
2 | 设置补偿器的管道水平推力计算 采用补偿器补偿的管道,其作用在固定管架上的水平推力为补偿器被压缩或拉伸所产生的反弹力。 水平推力=补偿器反弹力T=ηΔL (式1.3) 式中:η为补偿器的弹性模量; ΔL为补偿器发生的变形长度。 采用自然补偿的管道,是利用管道的自然弯曲形状所具有的柔性以补偿管道的热胀和冷缩位移,如图1.5所示: ![]() 图1.5管道补偿器及自动补偿工作示意 固定支架变形管道长度为L,补偿臂管道长为Lb 管道安装温度按t1℃考虑,管道工作温度为t2℃,故钢管材质的管道会在温度变化下缩短: ΔL=α×ΔT×L (式1.4) 式中:α为钢管的线膨胀系数; ΔT 为温差; L为固定支架变形管道长度。 故作用在管道补偿上的推力为: T=3ΔLEI/Lb3 (式1.5) 式中:E为管道的弹性模量; I为管道的惯性矩; Lb为补偿臂管道长。 |
支架计算过程
根据以上计算原理,运用AutoCAD的插件MSteel工具箱辅助可以快速进行支架校核计算。Msteel工具箱是以CAD为平台开发的钢结构计算插件,占用体积小且支持CAD全部版本,可以快速计算和校核结构杆件受力情况,并导出计算书,非常方便快捷,准确性较高。下面将以农信社项目1#楼7层走廊过道综合支架设计校核为例,讲解支架计算过程:

图2.1 农信社项目1#楼7层走廊过道综合排布剖面
联合支架设计
首先根据剖面综合管线排布设计联合支架形式,如图2.2所示:

图2.2 农信社项目1#楼7层走廊过道联合支架形式
荷载计算
1 | 水管荷载计算 ●垂直荷载 根据式1.1用excel制作满水水管质量计算表格,可以方便快速的计算管道满水重量,从而得出水管垂直计算荷载G=2600N,如图2.3所示: ![]() 图2.3 水管垂直计算荷载表格计算结果 ●水平荷载 由于该管道为消防喷淋管道,根据式1.2计算可得管道水平荷载为: F=μG=0.3×2600=780N |
2 | 桥架荷载计算 由于该处界面主要为弱电桥架,与弱电专业沟通桥架内敷设线缆较少,暂按桥架重量的1.2倍估算桥架及线缆整体重量,算的荷载分别为560N、680N、450N。其他类型桥架重量计算需和专业电气工长沟通配合确保准确。 |
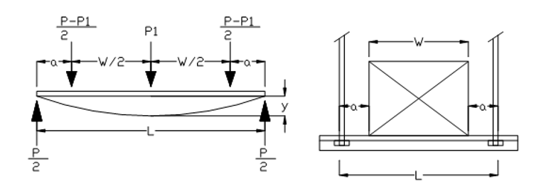
3 | 风管荷载计算 根据五金手册查得数据计算风管重量得风管垂直荷载为1020N。 ![]() 图2.4 五金手册查询板材数据 根据《JGJ141-2004通风管道技术规程》,风管吊架荷载受力如图2.5所示: ![]() 图2.5 《JGJ141-2004通风管道技术规程》中风管吊架荷载分布图 图中:y—吊架挠度(mm); P—风管、保温及附件总重 ( kg); P1—保温材料及附件重量 ( kg); a—吊架与风管壁间距(mm); L—吊架有效长度(mm); 最终得到联合支架受力图如下: ![]() 图2.6 联合支架受力分析图 各荷载与联合支架的相对位置如下图所示: ![]() 图2.7 垂直荷载与联合支架相对位置示意图 |
运用Msteel计算
1 | 横担计算 根据力系简化结果,采用Msteel工具箱中的“连续梁计算”进行计算。由于综合支架是通过膨胀螺栓固定在梁上,所以梁两端采用铰支。首先计算上面横担受力情况: ![]() 图2.8 Msteel连续梁计算界面 ●梁跨输入跨度:0.97m。梁跨即支架横担长度,设计长度为0.97m。 ![]() 图2.9 梁跨输入界面 ●选取截面:选择40X4等肢角钢,先以40×4等肢角钢进行受力分析。 ![]() 图2.10 截面选取界面 如图2.10所示,能清晰看见40X4等肢角钢的截面参数。 ●计算整体稳定系数 Msteel插件对工字形截面、槽钢可自动计算稳定系数,对闭合截面(圆管、方管、箱形截面)稳定系数按规范取为1.0(对话框内不再输入),其余截面稳定系数自行输入;等肢角钢的整体稳定系数的计算过程示例如下: ①根据《钢结构设计规范》GB50017-2014,确定等肢角钢为b类截面轴心受压构件: ![]() 图2.11 钢结构规范中对截面轴心受压构件分类 ②根据附表《钢结构--截面形心受压稳定系数》,查询b类截面轴心受压构件整体稳定系数: ![]() 图2.12 钢结构设计规范中b类截面轴心受压构件稳定系数表 其中通过 ![]() 的计算值查表得到整体稳定系数φ: λ :构件在弯矩作用平面内的长细比 fy:钢材抗弯强度设计值 φ:轴心受压构件稳定系数 (注:第一列代表十位及百位数字,第一行代表各位数字。比如长细比如果是23,那就对应第三行,第四列的数,即0.938。) (i)计算构件长细比: 长细比是指杆件的计算长度与杆件截面的回转半径之比,杆件的计算长度即是计算横担长度,回转半径是个材料力学概念,可根据Msteel插件中材料界面力学属性获知。 λ=L/ix (式2.1) 查得40X4等肢角钢的回转半径是: ix=iy=12.2 横担计算长度L=0.97m=970mm(即支架计算横担长度) 算的40X4等肢角钢长细比=970/12.2≈80 (ii)计算钢材抗弯强度设计值: 根据《钢结构设计规范》查得40X4等肢角钢的抗弯强度设计值为215N/mm2 ![]() 图2.13 钢结构设计规范中钢材强度设计值 (注:尺寸越小,强度越大。这和加工工艺有关,一般来讲,尺寸越小的钢带或钢丝,其工艺也复杂,需要加工次数越多,碾压次数越多,表现出来的刚度就越大,及弹性模量越大、抗拉强度也越大。) 由此,代入钢结构--截面形心受压稳定系数附表计算式: ![]() 故查询上表得到整体稳定系数φ=0.688 ●在Msteel软件中输入稳定系数值 ![]() 图2.14 稳定系数输入界面 ●荷载输入及计算 根据横担上的受力位置添加荷载: ![]() 图2.15 荷载输入界面 为提高上限,受压横担自重放大系数1.2,最后点击计算,点击计算书得到弯矩、剪力、挠度、支座反力和验算结果。 ![]() 图2.16 全部参数输入完成界面 ![]() ![]() ![]() ![]() ![]() 图2.17 Msteel自动导出计算书 由计算书可得结论:使用40×4等肢角钢时正应力超限,稳定应力超限,不满足要求。重新选取5#槽钢,重复以上步骤。 ![]() 图2.18 重新选取5#槽钢 其中5#槽钢能自动计算稳定系数,所以只需要填写受压翼缘自由长度:0.97m。受压翼缘自由长度是指侧向约束点之间的距离。计算结论如下: ![]() 满足条件,所以横担选择采用5#槽钢。 同理得到支撑风管的横担采用40X4等肢角钢。 | |
2 | 立杆强度验算 ●立杆垂直荷载计算校核 根据图2.12钢材强度设计值,乘以钢材截面积计算可得: 30X3等肢角钢的抗弯、抗拉和抗压强度值约为36000N; 40X4等肢角钢的抗弯、抗拉和抗压强度值约为65000N; 50X5等肢角钢的抗弯、抗拉和抗压强度值约为102000N; 且根据正应力计算公式: σ=G/A (式2.2) 式中:G为拉杆所承担最大重力; A为拉杆的截面积。 可得: 30X3等肢角钢:σ=(2600+560+680+450+510+510)/175 =30.3MPa<210MPa 40 X4等肢角钢:σ=(2600+560+680+450+510+510)/309=17.2 MPa<210MPa 50X5等肢角钢:σ=(2600+560+680+450+510+510)/480=11.1 MPa<210MPa 均符合抗拉强度设计。 为使提高焊接质量,同时有效降低蠕变,立杆选取50X5等肢角钢,完全符合要求。(蠕变:固体材料在保持应力不变的条件下,应变随时间延长而增加的现象。它与塑性变形不同,塑性变形通常在应力超过弹性极限之后才出现,而蠕变只要应力的作用时间相当长,它在应力小于弹性极限施加的力时也能出现。) ●立杆水平荷载计算校核 由受力模型简化可得,立杆水平荷载计算可按照一端固定的杆件弯曲计算。采用Msteel工具箱连续梁工具按照一端固定支座,一端自由的悬臂梁进行计算校核。 由式1.2水平推力计算式得: 联合支架受到的水平推力:F=μG=2600X0.3=780N 由式2.1长细比λ计算式得: 长细比=470/15.3≈31 查图2.12 钢结构设计规范中b类截面轴心受压构件稳定系数表得稳定系数φ=0.961。然后在MSteel上输入参数,进行计算。 ![]() 图2.20 参数设定完成界面 ![]() 图2.21 单元验算结果 由计算书可得,50X5等肢角钢满足校核要求。 | |
3 | 选取膨胀螺栓 由于该联合支架承担管线不多,重量不重,每根立杆采用2颗螺栓进行梁上固定。其中各螺栓所受剪力为:G/4=(2600+560+680+450+510+510)/4=1327.5N。根据《2016年最新国标膨胀螺栓规格表》可知,M8及以上型号螺栓即可满足条件。 ![]() 图2.22 螺栓选取表 | |
4 | 绘制综合支架剖面图 根据以上计算和校核结果,按照实际选用型钢实际长度和宽度绘制联合支架加工图,与结构复核后,交由现场加工及安装。 ![]() 图2.23 联合支架加工图 |
施工保障措施
1 | 质量保障措施 a) 所有进场材料全部进行验收,从材料源头开始控制质量,杜绝使用不合格产品; b) 所有焊工实名制管理,确保每道焊缝合格,对于焊缝全数检查; c) 支架所有焊缝采用专职焊工焊接,对于焊缝进行防腐处理。 |
2 | 成品保护措施 所有材料堆放于干燥、干净的场地,防止腐蚀。 |
3 | 安全保障措施 a) 现场必须正确佩戴安全帽,高空作业必须正确佩带安全带,脚手架、施工吊架搭设验收合格,严禁酒后进入施工现场作业,施工负责人对施工人员做好相关应急工作。 b) 管道吊装所用绳索、葫芦及其他工具,在使用前一定检查合格,存在安全隐患的禁止使用。 c) 在梁上部临时设置的吊装点一定要焊接牢固,吊装前要有专人检查,才能使用。 d) 吊装管道时要有足够的人手,不能盲目施工,现场要有专人负责指挥,起吊速度不宜过快,确保吊装安全顺利进行。 e) 特殊工种必须有操作证件,当现场进行电气焊作业时,操作人员必须对现场周围进行检查是否存在易燃易爆物品,如果存在不安全因素,应采取相应的保护措施,移动可燃物品隔离,设专业人员携带干粉灭火器监护。 |
成
品
展
示



通过总结的这套计算方法,青海农信社项目能科学快速的设计校核联合支架,提高了项目综合支吊架的整体安全性、美观性和经济性,运用技术的手段,从源头控制成本,提升品质,多方面都取得了良好的效果。

怎么样,这个方法是不是既简单方便,又理论扎实,计算可靠,实在是干货满满啊!有想了解和掌握这个快速有效办法的小伙伴们,或者想请蒋中恒同学到项目讲解的,快来跟技术部预约吧!当然,各个项目情况条件各不相同,需要灵活运用,以安全为重。如果你也有独门绝技或奇思妙想想跟大家分享的,也可以联系技术部,说不定下一个来讲课的就是你哟!快点行动起来吧!
图文/蒋中恒 孙立山
编辑/蔡叶欣
审核/李高钦

以爱与青春为名,陪你一路成长
不失初心,不忘初衷
中建三局安装公司成都分公司




























