1、电路芯片
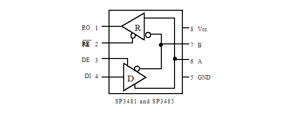
485芯片有很多种,项目中用的比较多的是高速SP3485。满足RS-485和RS-422串行协议的要求,兼容工业标准规范,数据传输速率可高达10Mbps(带负载)。

2、工业设计
485需要做防雷考虑、瞬态过电压抑制、阻抗匹配等,一下是常用设计,可供参考。
(1)芯片部分

(2)接口部分

485芯片有很多种,项目中用的比较多的是高速SP3485。满足RS-485和RS-422串行协议的要求,兼容工业标准规范,数据传输速率可高达10Mbps(带负载)。

485需要做防雷考虑、瞬态过电压抑制、阻抗匹配等,一下是常用设计,可供参考。
(1)芯片部分

(2)接口部分

本文来自互联网用户投稿,该文观点仅代表作者本人,不代表本站立场。本站仅提供信息存储空间服务,不拥有所有权,不承担相关法律责任。如若转载,请注明出处:http://www.mzph.cn/news/405028.shtml
如若内容造成侵权/违法违规/事实不符,请联系多彩编程网进行投诉反馈email:809451989@qq.com,一经查实,立即删除!