STM32时钟系统的基本概念
概念及意义
(1)概念:时钟系统是由振荡器(信号源)、定时唤醒器、分频器等组成的电路。常用的信号源有晶体振荡器和RC振荡器。
(2)意义:时钟对数字电路而言非常重要,没有时钟数字电路就没法工作,其全称是时钟频率,一般由晶振来提供时钟频率。在数字电路中,所有数据、逻辑单元等状态的更新都是以时钟为基础的,时钟频率在数字电路中起着同步的作用。时钟是嵌入式系统的脉搏,处理器内核在时钟驱动下完成指令执行,状态变换等动作。外设部件在时钟的驱动下完成各种工作,比如串口的数据发送,A/D转化,定时器计数等。因此时钟对于计算机系统是至关重要的,通常时钟系统出现问题也是致命的,比如振荡器不起振,振荡不稳,停振等。
常见的时钟系统
(1)晶体振荡器
石英晶体振荡器是高精度和高稳定度的振荡器,被广泛的应用于彩电、计算机等各类振荡电路中。
优点:相对来说振荡频率一般比较稳定,同时精度也比较高
缺点:价格稍微高点,还有用晶体振荡器一般还需要接两个15~33pF起振电容。
(2)RC振荡器
电阻电容构成的振荡电路,能够将直流电转化为具有一定频率交流信号输出的电子电路或装置
优点:实现的成本比较低,
缺点:由于电阻电容的精度问题所以RC振荡器的振荡频率会有误差,同时也会受到问题湿度的影响
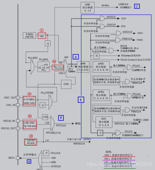
STM32 的时钟系统图:

在 STM32 中,有五个时钟源,为 HSI、HSE、LSI、LSE、PLL。从时钟频率来分可以分为高速时钟源和低速时钟源,在这 5 个中 HIS,HSE 以及 PLL 是高速时钟,LSI 和 LSE 是低速时钟。从来源可分为外部时钟源和内部时钟源,外部时钟源就是从外部通过接晶振的方式获取时钟源,其中 HSE 和 LSE 是外部时钟源,其他的是内部时钟源。下面我们看看 STM32 的 5 个时钟源,我们讲解顺序是按图中红圈标示的顺序:
①、HSI 是高速内部时钟,RC 振荡器,频率为 8MHz。
②、HSE 是高速外部时钟,可接石英/陶瓷谐振器,或者接外部时钟源,频率范围为4MHz~16MHz。我们的开发板接的是 8M 的晶振。
③、LSI 是低速内部时钟,RC 振荡器,频率为40kHz。独立看门狗的时钟源只能是 LSI,同时 LSI 还可以作为 RTC 的时钟源。
④、LSE 是低速外部时钟,接频率为 32.768kHz 的石英晶体。这个主要是 RTC 的时钟源。
⑤、PLL 为锁相环倍频输出,其时钟输入源可选择为 HSI/2、HSE 或者 HSE/2。倍频可选择为2~16
倍,但是其输出频率最大不得超过 72MHz。
5 个时钟源是怎么给各个外设以及系统提供时钟的:
A. MCO 是 STM32 的一个时钟输出 IO(PA8),它可以选择一个时钟信号输出,可以选择为 PLL 输出的 2 分频、HSI、HSE、或者系统时钟。这个时钟可以用来给外部其他系统提供时钟源。
B. 这里是 RTC 时钟源,从图上可以看出,RTC 的时钟源可以选择 LSI,LSE,以及HSE 的 128 分频。
C. 从图中可以看出 C 处 USB 的时钟是来自 PLL 时钟源。STM32 中有一个全速功能的 USB 模块,其串行接口引擎需要一个频率为 48MHz 的时钟源。该时钟源只能从 PLL 输出端获取,可以选择为 1.5 分频或者 1 分频,也就是,当需要使用 USB模块时,PLL 必须使能,并且时钟频率配置为 48MHz 或72MHz。
D. D 处就是 STM32 的系统时钟 SYSCLK,它是供 STM32 中绝大部分部件工作的时钟源。系统时钟可选择为 PLL 输出、HSI 或者 HSE。系统时钟最大频率为 72MHz,当然你也可以超频,不过一般情况为了系统稳定性是没有必要冒风险去超频的。
E. 这里的 E 处是指其他所有外设了。从时钟图上可以看出,其他所有外设的时钟最终来源都是SYSCLK。SYSCLK 通过 AHB 分频器分频后送给各模块使用。这些模块包括:
-
AHB 总线、内核、内存和 DMA 使用的 HCLK 时钟。
-
通过 8 分频后送给 Cortex 的系统定时器时钟,也就是 systick 了。
-
直接送给 Cortex 的空闲运行时钟 FCLK。
-
送给 APB1 分频器。APB1 分频器输出一路供 APB1 外设使用(PCLK1,最大频率 36MHz),另一路送给定时器(Timer)2、3、4 倍频器使用。
-
送给 APB2 分频器。APB2 分频器分频输出一路供 APB2 外设使用(PCLK2,最大频率 72MHz),另一路送给定时器(Timer)1 倍频器使用。
其中需要理解的是 APB1 和 APB2 的区别,APB1 上面连接的是低速外设,包括电源接口、备份接口、CAN、USB、I2C1、I2C2、UART2、UART3 等等,APB2 上面连接的是高速外设包括 UART1、SPI1、Timer1、ADC1、ADC2、所有普通 IO 口(PA~PE)、第二功能 IO 口等。记忆方法是 2>1, APB2 下面所挂的外设的时钟要比 APB1 的高。
总结一下:
SystemInit()函数中设置的系统时钟大小:
-
SYSCLK(系统时钟) =72MHz
-
AHB 总线时钟(使用 SYSCLK) =72MHz
-
APB1 总线时钟(PCLK1) =36MHz
-
APB2 总线时钟(PCLK2) =72MHz
-
PLL 时钟 =72MHz
RCC相关配置寄存器:

RCC相关头文件和固件库源文件:

stm32独立看门狗和窗口看门狗的区别为:时钟源不同、中断不同、使用条件不同。
一、时钟源不同
- stm32独立看门狗:stm32独立看门狗使用的是内部专门的 40Khz低速时钟,不需要使能时钟操作。
- 窗口看门狗:窗口看门狗使用的是 PCLK1的时钟,使用前需要先使能时钟。
二、中断不同
- stm32独立看门狗:stm32独立看门狗没有中断,超时直接位。
- 窗口看门狗:窗口看门狗可以在中断中做位前的函数操作。
三、使用条件不同
- stm32独立看门狗:stm32独立看门狗一般用于避免程序跑飞或者死循环。
- 窗口看门狗:窗口看门狗避免程序不安预定逻辑执行,比如先于理想环境完成,或者后于极限时间超时。