参考:Linux NXP (I.MX6uLL) UART串口通信原理
作者:一只青木呀
发布时间: 2020-09-20 16:48:33
网址:https://blog.csdn.net/weixin_45309916/article/details/108694634
目录
- 1、UART简介
- 1.1、UART串口通讯格式
- 1.2、UART 的通信格式:
- 1.3、UART 电平标准
 
- 2、I.MX6U UART 简介
- 2.1、UART的时钟源选择
 
- 3、UART 几个重要的寄存器
- 3.1、UART 的控制寄存器 1,即UARTx_UCR1(x=1~8)
- 3.2、UART 的控制寄存器 2,即: UARTx_UCR2
- 3.3、寄存器UARTx_UCR3
- 3.4、寄存器 UARTx_USR2
- 3.5、寄 存 器 UARTx_UFCR 、 UARTx_UBIR 和 UARTx_UBMR
 
- UART1 的配置步骤
- 硬件原理分析
- 实验程序编写
- 编译下载验证
- 编写Makefile 和链接脚本
- 编译下载
 
不管是单片机开发还是嵌入式 Linux 开发,串口都是最常用到的外设。可以通过串口将开发板与电脑相连,然后在电脑上通过串口调试助手来调试程序。还有很多的模块,比如蓝牙、GPS、 GPRS 等都使用的串口来与主控进行通信的,在嵌入式 Linux 中一般使用串口作为控制台,所以掌握串口是必备的技能。
1、UART简介
1.1、UART串口通讯格式
串口全称叫做串行接口,通常也叫做 COM 接口,串行接口指的是数据一个一个的顺序传输,通信线路简单。使用两条线即可实现双向通信,一条用于发送,一条用于接收。串口通信距离远,但是速度相对会低,串口是一种很常用的工业接口。 I.MX6U 自带的 UART 外设就是串口的一种, UART 全称是 Universal Asynchronous Receiver/Trasmitter,也就是异步串行收发器。既然有异步串行收发器,那肯定也有同步串行收发器,学过 STM32 的同学应该知道, STM32除 了 有 UART 外 ,还有 另 外一 个 叫 做 USART 的 东 西。 USART 的全 称 是 UniversalSynchronous/Asynchronous Receiver/Transmitter,也就是同步/异步串行收发器。 相比 UART 多了一个同步的功能,在硬件上体现出来的就是多了一条时钟线。 一般 USART 是可以作为 UART使用的,也就是不使用其同步的功能。
UART 作为串口的一种,其工作原理也是将数据一位一位的进行传输,发送和接收各用一条线,因此通过 UART 接口与外界相连最少只需要三条线: TXD(发送)、RXD(接收) 和 GND(地线)。
1.2、UART 的通信格式:

 上图中的每个位的含义如下:
| 位 | 含义 | 
|---|---|
| 空闲位 | 数据线在空闲状态的时候为逻辑“1”状态,也就是高电平,表示没有数据线空闲,没有数据传输。 | 
| 起始位 | 当要传输数据的时候先传输一个逻辑“0”,也就是将数据线拉低,表示开始数据传输。 | 
| 数据位 | 数据位就是实际要传输的数据,数据位数可选择 5~8 位,我们一般都是按照字节传输数据的,一个字节 8 位,因此数据位通常是 8 位的。低位在前,先传输,高位最后传输。 | 
| 奇偶校验位 | 这是对数据中“1”的位数进行奇偶校验用的,可以不使用奇偶校验功能。 | 
| 停止位 | 数据传输完成标志位,停止位的位数可以选择 1 位、 1.5 位或 2 位高电平,一般都选择 1 位停止位。 | 
| 波特率 | 波特率就是 UART 数据传输的速率,也就是每秒传输的数据位数,一般选择 9600、19200、 15200(用的最多)等。 | 
1.3、UART 电平标准
UART 一般的接口电平有 TTL 和 RS-232,一般开发板上都有 TXD 和 RXD 这样的引脚,这些引脚低电平表示逻辑 0,高电平表示逻辑 1,这个就是 TTL 电平。 RS-232 采用差分线, -3~ -15V 表示逻辑 1, +3~+15V 表示逻辑 0。一般下图中的接口就是 TTL 电平:
 
 上图中的模块就是 USB 转 TTL 模块, TTL 接口部分有 VCC、 GND、 RXD、 TXD、RTS 和 CTS。 RTS 和 CTS 基本用不到,使用的时候通过杜邦线和其他模块的 TTL 接口相连即可。
RS-232 电平需要 DB9 接口, I.MX6U-ALPHA 开发板上的 COM3(UART3)口就是 RS-232 接口的,如下图所示:
 
 由于现在的电脑都没有 DB9 接口了,取而代之的是 USB 接口,所以就催生出了很多 USB转串口 TTL 芯片,比如 CH340、PL2303 等 。通过这些芯片就可以实现串口 TTL 转 USB。I.MX6UALPHA开发板就使用CH340 芯片来完成UART1 和电脑之间的连接,只需要一条USB 线即可,
 
2、I.MX6U UART 简介
上面介绍了 UART 接口,下面具体看一下 I.MX6U 的 UART 接口, I.MX6U 一共有 8 个 UART,其主要特性如下:
- ①、兼容 TIA/EIA-232F 标准,速度最高可到 5Mbit/S。
- ②、支持串行 IR 接口,兼容 IrDA,最高可到 115.2Kbit/s。
- ③、支持 9 位或者多节点模式(RS-485)。
- ④、 1 或 2 位停止位。
- ⑥、可编程的奇偶校验(奇校验和偶校验)。
- ⑦、自动波特率检测(最高支持 115.2Kbit/S)
2.1、UART的时钟源选择
UART 的时钟源是由寄存器 CCM_CSCDR1 的 UART_CLK_SEL(bit)位来选择的,当为 0 的时候 UART 的时钟源为 pll3_80m(80MHz),如果为 1 的时候 UART 的时钟源为 osc_clk(24M),一般选择 pll3_80m 作为 UART 的时钟源。寄存器 CCM_CSCDR1 的 UART_CLK_PODF(bit5:0)位是 UART 的时钟分频值,可设置 0~ 63,分别对应 1~64 分频,一般设置为 1 分频,因此最终进入 UART 的时钟为 80MHz
3、UART 几个重要的寄存器
3.1、UART 的控制寄存器 1,即UARTx_UCR1(x=1~8)

 寄存器 UARTx_UCR1 我们用到的重要位如下:
| 重要位 | 含义 | 
|---|---|
| ADBR(bit14) | 自动波特率检测使能位,为 0 的时候关闭自动波特率检测,为 1 的时候使能自动波特率检测。 | 
| UARTEN(bit0) | UART 使能位,为 0 的时候关闭 UART,为 1 的时候使能 UART。 | 
3.2、UART 的控制寄存器 2,即: UARTx_UCR2
 寄存器 UARTx_UCR2 用到的重要位如下:
寄存器 UARTx_UCR2 用到的重要位如下:
| 位 | 含义 | 
|---|---|
| IRTS(bit14) | 为 0 的时候使用 RTS 引脚功能,为 1 的时候忽略 RTS 引脚。 | 
| PREN(bit8) | 奇偶校验使能位,为 0 的时候关闭奇偶校验,为 1 的时候使能奇偶校验。 | 
| PROE(bit7) | 奇偶校验模式选择位,开启奇偶校验以后此位如果为 0 的话就使用偶校验,此位为 1 的话就使能奇校验。 | 
| STOP(bit6) | 停止位数量,为 0 的话 1 位停止位,为 1 的话 2 位停止位。 | 
| WS(bit5) | 数据位长度,为 0 的时候选择 7 位数据位,为 1 的时候选择 8 位数据位。 | 
| TXEN(bit2) | 发送使能位,为 0 的时候关闭 UART 的发送功能,为 1 的时候打开 UART的发送功能。 | 
| RXEN(bit1) | 接收使能位,为 0 的时候关闭 UART 的接收功能,为 1 的时候打开 UART的接收功能。 | 
| SRST(bit0) | 软件复位,为 0 的是时候软件复位 UART,为 1 的时候表示复位完成。复位完成以后此位会自动置 1, 表示复位完成。此位只能写 0,写 1 会被忽略掉。 | 
3.3、寄存器UARTx_UCR3

 寄存器 UARTx_UCR3 用到的重要位如下:
| 位 | 含义 | 
|---|---|
| RXDMUXSEL(bit2) | 这个位应该始终为 1 | 
3.4、寄存器 UARTx_USR2

 寄存器 UARTx_USR2 用到的重要位如下:
| 位 | 含义 | 
|---|---|
| TXDC(bit3) | 发送完成标志位,为 1 的时候表明发送缓冲(TxFIFO)和移位寄存器为空,也就是发送完成,向 TxFIFO 写入数据此位就会自动清零。 | 
| RDR(bit0) | 数据接收标志位,为 1 的时候表明至少接收到一个数据,从寄存器UARTx_URXD 读取数据接收到的数据以后此为会自动清零 | 
3.5、寄 存 器 UARTx_UFCR 、 UARTx_UBIR 和 UARTx_UBMR
通过这三个寄存器可以设置 UART 的波特率,波特率的计算公式如下:
 
- Ref Freq:经过分频以后进入 UART 的最终时钟频率。
- UBMR:寄存器 UARTx_UBMR 中的值。
- UBIR:寄存器 UARTx_UBIR 中的值。
通过 UARTx_UFCR 的 RFDIV 位、 UARTx_UBMR 和 UARTx_UBIR 这三者的配合即可得到我们想要的波特率。比如现在要设置 UART 波特率为 115200,那么可以设置 RFDIV 为5(0b101),也就是 1 分频,因此 Ref Freq=80MHz。设置 UBIR=71, UBMR=3124,根据上面的公式可以得到:
 
 最后来看一下寄存器 UARTx_URXD 和 UARTx_UTXD,这两个寄存器分别为 UART 的接收和发送数据寄存器,这两个寄存器的低八位为接收到的和要发送的数据。读取寄存器UARTx_URXD 即可获取到接收到的数据,如果要通过 UART 发送数据,直接将数据写入到寄存器 UARTx_UTXD 即可。
寄 存 器UARTx_UFCR中我们要用到的是位 RFDIV(bit9:7),用来设置参考时钟分频,如下表:
| RFDIV(bit9:7) | 分频值 | 
|---|---|
| 000 | 6 分频 | 
| 001 | 5 分频 | 
| 010 | 4 分频 | 
| 011 | 3 分频 | 
| 100 | 2 分频 | 
| 101 | 1 分频 | 
| 110 | 7 分频 | 
| 111 | 保留 | 
UART1 的配置步骤
关于UART 的寄存器就介绍到这里,关于这些寄存器详细的描述,请参考《I.MX6ULL 参考手册》第3608 页的55.15 小节。本章我们使用I.MX6U 的UART1 来完成开发板与电脑串口调试助手之间串口通信,UART1 的配置步骤如下:
1、设置UART1 的时钟源
 设置UART 的时钟源为pll3_80m,设置寄存器CCM_CSCDR1 的UART_CLK_SEL 位为0即可。
2、初始化UART1
 初始化UART1 所使用IO,设置UART1 的寄存器UART1_UCR1~UART1_UCR3,设置内容包括波特率,奇偶校验、停止位、数据位等等。
4、使能UART1
 UART1 初始化完成以后就可以使能UART1 了,设置寄存器UART1_UCR1 的位UARTEN为1。
5、编写UART1 数据收发函数
 编写两个函数用于UART1 的数据收发操作。
硬件原理分析
本试验用到的资源如下:
 ①、一个LED 灯:LED0。
 ②、串口1。
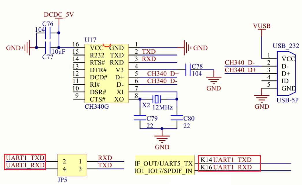
 I.MX6U-ALPHA 开发板串口1 硬件原理图如图21.2.1 所示:
 
 在做实验之前需要用USB 串口线将串口1 和电脑连接起来,并且还需要设置JP5 跳线帽,将串口1 的RXD、TXD 两个引脚分别与P116、P117 连接一起,如图21.2.2 所示:

 硬件连接设置好以后就可以开始软件编写了,本章实验我们初始化好UART1,然后等待SecureCRT 给开发板发送一个字节的数据,开发板接收到SecureCRT 发送过来的数据以后在同通过串口1 发送给SecureCRT。
实验程序编写
本实验对应的例程路径为:开发板光盘-> 1、裸机例程-> 13_uart。
本章实验在上一章例程的基础上完成,更改工程名字为“uart”,然后在bsp 文件夹下创建名为“uart”的文件夹,然后在bsp/uart 中新建bsp_uart.c 和bsp_uart.h 这两个文件。在bsp_uart.h中输入如下内容:
1 #ifndef _BSP_UART_H
2 #define _BSP_UART_H
3 #include "imx6ul.h"
4 /***************************************************************
5 Copyright © zuozhongkai Co., Ltd. 1998-2019. All rights reserved.
6 文件名: bsp_uart.h
7 作者: 左忠凯
8 版本: V1.0
9 描述: 串口驱动文件头文件。
10 其他: 无
11 论坛: www.openedv.com
12 日志: 初版V1.0 2019/1/15 左忠凯创建
13 ***************************************************************/
14
15 /* 函数声明*/
16 void uart_init(void);
17 void uart_io_init(void);
18 void uart_disable(UART_Type *base);文件bsp_uart.h 内容很简单,就是一些函数声明。继续在文件bsp_uart.c 中输入如下所示内容:
/***************************************************************
Copyright © zuozhongkai Co., Ltd. 1998-2019. All rights reserved.
文件名: bsp_uart.c
作者: 左忠凯
版本: V1.0
描述: 串口驱动文件。
其他: 无
论坛: www.openedv.com
日志: 初版V1.0 2019/1/15 左忠凯创建
***************************************************************/
1 #include "bsp_uart.h"
2
3 /*
4 * @description : 初始化串口1,波特率为115200
5 * @param : 无
6 * @return : 无
7 */
8 void uart_init(void)
9 {
10 /* 1、初始化串口IO */
11 uart_io_init();
12
13 /* 2、初始化UART1 */
14 uart_disable(UART1); /* 先关闭UART1 */
15 uart_softreset(UART1); /* 软件复位UART1 */
16
17 UART1->UCR1 = 0; /* 先清除UCR1寄存器*/
18 UART1->UCR1 &= ~(1<<14); /* 关闭自动波特率检测*/
19文件bsp_uart.c 中共有10 个函数,我们依次来看一下这些函数都是做什么的,第一个函数是uart_init,这个函数是UART1 初始化函数,用于初始化UART1 相关的IO、并且设置UART1的波特率、字长、停止位和校验模式等,初始化完成以后就使能UART1。第二个函数是uart_io_init,用于初始化UART1 所使用的IO。第三个函数是uart_setbaudrate,这个函数是从
 NXP 官方的SDK 包里面移植过来的,用于设置波特率。我们只需将要设置的波特率告诉此函数,此函数就会使用逐次逼近方式来计算出寄存器UART1_UFCR 的FRDIV 位、寄存器UART1_UBIR 和寄存器UART1_UBMR 这三个的值。第四和第五这两个函数为uart_disable 和uart_enable,分别是使能和关闭UART1。第6 个函数是uart_softreset,用于软件复位指定的UART。第七个函数是putc,用于通过UART1 发送一个字节的数据。第八个函数是puts,用于通过UART1发送一串数据。第九个函数是getc,用于通过UART1 获取一个字节的数据,最后一个函数是raise,这是一个空函数,防止编译器报错。
最后在main.c 中输入如下所示内容:
/**************************************************************
Copyright © zuozhongkai Co., Ltd. 1998-2019. All rights reserved.
文件名: main.c第5 行调用函数uart_init 初始化UART1,最终在while 循环里面获取串口接收到的数据,并且将获取到的数据通过串口打印出来。
编译下载验证
编写Makefile 和链接脚本
在Makefile 文件中输入如下内容:
1 CROSS_COMPILE ?= arm-linux-gnueabihf-
2 TARGET ?= uart
3
4 CC := $(CROSS_COMPILE)gcc
5 LD := $(CROSS_COMPILE)ld
6 OBJCOPY := $(CROSS_COMPILE)objcopy
7 OBJDUMP := $(CROSS_COMPILE)objdump
8
9 LIBPATH := -lgcc -L /usr/local/arm/gcc-linaro-4.9.4-2017.01- x86_64_arm-linux-gnueabihf/lib/gcc/arm-linux-gnueabihf/4.9.4
10
11
12 INCDIRS := imx6ul \
13 bsp/clk \
14 bsp/led \
15 bsp/delay \
16 bsp/beep \
17 bsp/gpio \
18 bsp/key \
19 bsp/exit \
20 bsp/int \
21 bsp/epittimer \
22 bsp/keyfilter \
23 bsp/uart
24
25 SRCDIRS := project \
26 bsp/clk \上述的Makefile 文件内容和上一章实验的区别不大。将TARGET 为uart,在INCDIRS 和SRCDIRS 中加入“bsp/uart”。但是,相比上一章中的Makefile 文件,本章实验的Makefile 有两处重要的改变:
①、本章Makefile 文件在链接的时候加入了数学库,因为在bsp_uart.c 中有个函数uart_setbaudrate,在此函数中使用到了除法运算,因此在链接的时候需要将编译器的数学库也链接进来。第9 行的变量LIBPATH 就是数学库的目录,在第56 行链接的时候使用了变量LIBPATH。
在后面的学习中,我们常常要用到一些第三方库,那么在连接程序的时候就需要指定这些第三方库所在的目录,Makefile 在链接的时候使用选项“-L”来指定库所在的目录,比如“示例代码21.4.1”中第9 行的变量LIBPATH 就是指定了我们所使用的编译器库所在的目录。
②、在第61 行和64 行中,加入了选项“-fno-builtin”,否则编译的时候提示“putc”、“puts”这两个函数与内建函数冲突,错误信息如下所示:
warning: conflicting types for built-in function ‘putc’
warning: conflicting types for built-in function ‘puts’
在编译的时候加入选项“-fno-builtin”表示不使用内建函数,这样我们就可以自己实现putc和puts 这样的函数了。
链接脚本保持不变。
编译下载
使用Make 命令编译代码,编译成功以后使用软件imxdownload 将编译完成的uart.bin 文件下载到SD 卡中,命令如下:
chmod 777 imxdownload //给予imxdownload 可执行权限,一次即可
./imxdownload uart.bin /dev/sdd //烧写到SD 卡中,不能烧写到/dev/sda 或sda1 设备里面!
烧写成功以后将SD 卡插到开发板的SD 卡槽中,然后复位开发板。打开SourceCRT,点击File->Quick Connect…,打开快速连接设置界面,设置好相应的串口参数,比如在我的电脑上是COM8,设置如图21.4.2.1 所示:
 
 设置好以后就点击“Connect”就可以了,连接成功以后SecureCRT 收到来自开发板的数据,但是SecureCRT 显示可能会是乱码,如图21.4.2.2 所示:
 
 这是因为有些设置还没做,点击Options->Session Options…,打开会话设置窗口,按照图21.4.2.3 所示设置:
 
 设置好以后点击“OK”按钮就可以了,清屏,然后重新复位一次开发板,此时SecureCRT显示就正常了,如图21.4.2.4 所示:
 
 根据提示输入一个字符,这个输入的字符就会通过串口发送给开发板,开发板接收到字符以后就会通过串口提示你接收到的字符是什么,如图21.4.2.5 所示:
 
 至此,I.MX6U 的串口1 就工作起来了,以后我们就可以通过串口来调试程序。但是本章只实现了串口最基本的收发功能,如果我们要想使用格式化输出话就不行了,比如最常用的printf 函数,下一章就讲解如何移植printf 函数。