IP核

IP核

PLL 的英文全称是 Phase Locked Loop,即锁相环, 是一种反馈控制电路。
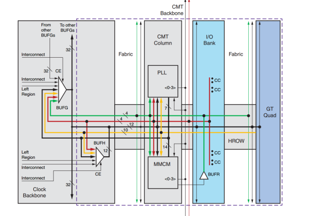
时钟管理单元 CMT如下图。
在这里插入图片描述
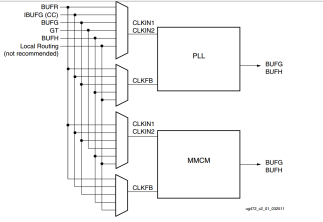
MMCM/PLL 的参考时钟输入可以是 IBUFG(CC)即具有时钟能力的 IO 输入、区域时钟 BUFR、全局时
钟 BUFG、 GT 收发器输出时钟、行时钟 BUFH 以及本地布线(不推荐使用本地布线来驱动时钟资源)。
BUFG/BUFH/CMT 在一个时钟区域内的连接框图如下图所示。在这里插入图片描述MMCM如下图

本文来自互联网用户投稿,该文观点仅代表作者本人,不代表本站立场。本站仅提供信息存储空间服务,不拥有所有权,不承担相关法律责任。如若转载,请注明出处:http://www.mzph.cn/news/243885.shtml

如若内容造成侵权/违法违规/事实不符,请联系多彩编程网进行投诉反馈email:809451989@qq.com,一经查实,立即删除!

相关文章

《网球王子》与阿梅尔

这是女儿以《网球王子》中的人物做的三幅画。我喜欢这几个人物的造型,尤其是趴在桌子上的那个红头发叫芥川慈郎的男孩。动作夸张甚至不合情理,但确实表达了这个人物懒散嗜睡、另类出格的性情。整个画的色调也舒服。这个构图我非常喜欢,感觉女…

nodejs写html文件路径,Nodejs读取文件时相对路径的正确写法(使用fs模块)

搜索热词在开发Nodejs中,我们往往最常用的模块就是fs核心模块(fs.readFile)来读取文件。代码如下:但是运行之后,并没有按照想象中一样,读取test.html文件内容,这是一个bug,坑爹的玩意,解决办法&…

IP核之RAM

IP核之RAM 原理图如下 DINA: RAM 端口 A 写数据信号。 ADDRA: RAM 端口 A 读写地址信号,对于单端口 RAM 来说,读地址和写地址共用同该地址线。 WEA: RAM 端口 A 写使能信号,高电平表示向 RAM 中写入数据,低电平表示从 RAM 中读出数据。 ENA:端口 A 的使能信号,高电平…

在呼和浩特

今晨来呼和浩特。 2007年是内蒙古自治区成立60周年大庆。我也来凑个热闹。想拍些图片回去。

呼和浩特的奈热酒吧

在呼和浩特两天。见了大学同学和校友。他们带我吃完手把肉喝完奶茶之后,去了一家专门听蒙古歌的酒吧——奈热酒吧,奈热是蒙古语,据说是爱或爱情的意思。我非常喜欢这个名字。我想,生活在这样的环境与氛围中的人是幸运的,无论是蒙古…

华科考研834计算机网络,2018年华中科技大学834计算机专业基础综合 (模)...

2018年华中科技大学834计算机专业基础综合参考答案一&#xff0e;填空题(20分&#xff0c;每题2分)1. 在一个长度为n的顺序表中第i个元素(1<i<n)之前插入一个元素时&#xff0c;需向后移动n-i 1 个元素。2. 栈是操作受限(或限定仅在表尾进行插入和删除操作)的线性表&…

串口通信UART

串口通信UART UART时序如下: 本实验具有波特率可选以及具有校验位 顶层模块如下 `timescale 1ns / 1psmodule uart_test1(input sys_clk, // 系统时钟 200Mhz input sys_rst_n,input uart_r…

摆成“吉”字的一万响鞭炮

我妹妹的律师事务所在内蒙开分所&#xff0c;我去捧场。这是他们在揭牌仪式上燃放鞭炮的过程。先是将一万响的鞭炮排列成“吉”字。然后分三头点燃。这个鞭炮非常厉害&#xff0c;我站在10米远&#xff0c;仍被炸开的鞭炮纸屑崩在脸上。一阵脆响的鞭炮之后&#xff0c;地上留下…

2021泰州高考什么时候查成绩查询,2021年泰州学院高考录取结果什么时候出来及查询系统入口...

2020年高考志愿填报后&#xff0c;很多报考泰州学院的考生很焦急的等待录取结果什么时候出来&#xff0c;那么如何查询泰州学院录取结果呢&#xff0c;录取结果一般会在什么时候公布&#xff0c;一起来了解关于泰州学院的正规录取流程吧。一、2020年泰州学院高考录取结果什么时…

北京国际图书博览会暨2007 BIBF

这次博览会主宾国是德国&#xff0c;所以他们的展区非常大&#xff0c;也非常别致&#xff0c;以白色为主要基调,并加入了黑色的点缀。显然人家的展区是经过精心设计的&#xff0c;很像一个装置艺术的展览。这是德国展台的书。西班牙展区以红色为主色调&#xff0c;显得热情而火…

IIC驱动

IIC IIC 是一种多向控制总线,也就是说多个芯片可以连接到同一总线结构下,同时每个芯片都可以作为实时数据传输的控制源。 IIC 总线是一种串行数据总线,只有二根信号线,一根是双向的数据线 SDA,另一根是时钟线 SCL,两条线可以挂多个设备。 IIC设备(绝大多数)里有个固化…

一个法国摄影师在中国

法国摄影家阎雷(YANN LAYMA&#xff09;前几天在798的映艺术中心看了法国摄影家阎雷(YANN LAYMA&#xff09;的摄影展。感觉很好。在我们中国人看来极其普通的场景进入他的镜头&#xff0c;就显得与众不同。他把我们忽略的甚至已经熟视无睹的生活和景象收在他的摄影机里&…

jkkfgk

gfkgfgkkhkgkkkkkkkkkkkkkkkkkkkkkkkkkkkkkkkkkkkkkkkkkkkkkkkkkkkkkkkkkkkkk

计算机网络马宏伟应用层作业,马宏伟《计算机网络A》Chapter3-作业.doc

第三章 作业1. 两个应用进程使用UDP交换数据。设发送端要传输三个字节数据给接收端进程&#xff0c;三个字节数据为&#xff1a;101010102。假设发送端进程的端口号为1024&#xff0c;接收端进程的端口号为80。为简化问题&#xff0c;假设只有UDP Segment的头部和数据两部分参与…

几张旧照片,用傻瓜拍的,翻出来凑数

2004年广西。在桂林参加全国书市&#xff0c;顺便去了漓江。2004年桂林。忘了叫什么溶洞。2004年在湖北十堰开文学论坛。武当山顶。四只惊奇的白鸽。2003年上海。一家好玩的小店。2003年上海。弄堂里的小道具。2005年上海。南京路上的一家餐厅。2004年与几个文学杂志的朋友到内…

IP核之FIFO

IP核之FIFO FIFO(first input first output 或者 first in first out),先入先出队列,是一种数字电路中常用的缓冲器,先进入的数据或者命令会先出来,后进入的数据或者命令会后出来,不改变数据的先后顺序。无论多大的缓冲区都可能会被装满。当装满后,再次进行载入时,就会…

VC6,SDI视图改变背景颜色的方法

不怎么时髦,还在用VC6,无聊瞎写的............ SDI视图改变背景颜色分两步吧,效果还是很好的. 首先在CXXView类的OnDraw添加颜色. void CDigimizerView::OnDraw(CDC* pDC) { CDigimizerDoc* pDoc GetDocument(); ASSERT_VALID(pDoc); CRect rect; GetClientRect(rect); COL…

几张旧照片,用傻瓜拍的,翻出来凑数 (续)

2004年上海。徐家汇路边的儿童乞丐&#xff0c;“八宝粥”的广告代言人。2004年上海。徐家汇。中国人说&#xff1a;子不教&#xff0c;父之过。美国人说&#xff1a;未来的“垮掉派”。老夫有言&#xff1a;活人不能让尿憋死。2003年上海。港汇中心。

计算机1级 计算机基础知识,计算机一级计算机基础及MSOffice应用:计算机基础知识...

计算机一级计算机基础及MSOffice应用&#xff1a;计算机基础知识全国计算机等级考试是社会考试&#xff0c;就考试性质而言&#xff0c;它是一种重视应试人员对计算机和软件的实际运用能力的考试。本文特意为大家收集整理了计算机一级计算机基础及MSOffice应用&#xff1a;计算…