一、原理介绍
永磁同步伺服系统是包含了电流环、速度环和位置环的三环控制系统。

伺服系统通过电流检测电路和光电编码器检测电动机三相绕组电流和转子位置θ,通过坐标变换,计算出转矩电流分量iq和励磁电流分量id。
位置信号指令与实际转子位置信号的差值∆θ作为位置控制器输入,产生速度信号指令ω*;速度信号指令与实际速度信号的差值∆ω作为速度控制器的输入,产生转矩电流指令iq*;转矩电流指令iq*、励磁电流指令iq* 和实际电流信号经过电流预测控制算法得到相应的电压指令信号;dq轴的电压指令通过反Park变换及SVPWM调制产生控制逆变器的脉宽调制信号,从而驱动永磁同步电机。
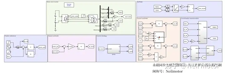
二、仿真模型
在MATLAB/simulink里面验证所提算法,搭建仿真。采用和实验中一致的控制周期1e-4,电机部分计算周期为1e-6。仿真模型如下所示:

仿真工况:电机跟踪不同转子位置给定信号,0.8s施加阶跃负载
P调节器
2.1转角阶跃信号
给定转角与实际转角

转角误差

2.2转角斜坡信号
给定转角与实际转角

转角误差

2.3转角正弦信号
给定转角与实际转角

转角误差

单P位置环调节器的方案在跟踪阶跃信号时可以较为简单的调整为没有超调的状态,但是在跟踪斜坡信号时,必然存在一个位置静差,根据P的原理可以理解,存在位置静差才能保持输出一个转速给定值。在跟踪正弦信号时,则存在较为明显的误差,这也是无法避免的。为了减小跟踪斜坡信号和正弦信号的误差,可以增大P值,但这样会导致系统出现超调。下面尝试一下带积分作用的PI位置环调节器是否能解决这个问题呢。
PI调节器
为解决静差问题,这里先从跟踪斜坡信号开始调节
2.1转角斜坡信号
给定转角与实际转角

转角误差

可以看出,增加积分项可以有效消除跟踪斜坡信号时的静差,这里静差在积分作用下逐渐消失,这里的I值我已经给的比较克制了,看看下面的波形吧
2.2转角正弦信号
给定转角与实际转角

转角误差

积分项对跟踪正弦信号并无明显改善作用
2.3转角斜坡信号
给定转角与实际转角

转角误差

跟踪斜坡信号时,出现明显过调,这在一些伺服控制中是不能接受的。