知识点1【电阻】
常见的是 色环电阻和贴片电阻
1、色环电阻
色环电阻,早期是碳膜电阻,精度不是很高,一般是4个色环,红 橙 黄 绿 蓝 紫 灰 白 黑,每个颜色代表一个阻值
后期是金属膜电阻,5个色环,精度高(1%左右)。当对精度要求高,使用金属膜色环电阻
2、贴片电阻
贴片电阻,体积较小,价格便宜,精度还可以,5%是可以的。1盘,5000个,15块钱左右
焊接费用贵于电阻,能用贴片电阻,不用色环电阻(需要插件)。
3、电阻选取的注意事项
1、选择电阻表有的电阻,并且比较常用的电阻,方便采购:如1k,470Ω,330Ω等
2、如果电子产品中,阻值比较接近,尽量使用一种电阻,减少元器件的种类,方便统一的采购,议价和管理。
3、贴片电阻电阻能够满足要求,不用插件。
知识点2【电容】
贴片电容,电解电容最多,除此之外还有钽电容,涤纶电容
贴片电容:它的材质是陶瓷,也可以交独石电容,特点就是体积小,但是容值通常不大,一般小于10uF
电解电容:容值可以做的比较大,220uF,470uF……很常见,在电源的入口这种电容用得很多。
注意事项
1、在电源的入口,通常会放一个大电容和一个小电容,在芯片的电源脚,通常会放一个小电容。
这两种电容,大电容一般选10uF,小电容一般选0.1uF,0.01uF,一般情况0.1uF和0.01uF是可以通用的。通常情况下超过1uF就算是大电容
2、对于贴片电容,大于1uF,电容的容值越大,耐压越大,价格也就越贵,所以满足要求就是最好的。
虽然电子产品单价都很便宜,但是走量的话,一个板子省1块,量产节省就会上十万。
知识点3【电感】
模拟地和数字地共地,用电感,既可以保证两个地的电位一致,就能防止数字地的干扰串扰到模拟地里。
使用电感的原因
电路板中有模拟电路,也有数字电路,两个电路都有地,两个地需要接在一起,如果不接在一起,两个地之间就会有压差,压差会产生静电,会有伤害到板子的隐患。
由于数字信号的发送较快,直接接在一起会对模拟信号产生干扰,因此为了将两个地接在一起,并且减弱上述干扰,就需要在两个地之间接加一个电感。
知识点4【二极管】
二极管有很多种,普通二极管,稳压二极管,发光二极管,肖特基二极管。无论是哪一种二极管,都分正负极。
每一种二极管都有一个门槛电压,当正极电压与负极电压的压差超过门槛电压,二极管导通,导通的电阻几乎可以忽略不计。当负极的电压比正极电压高,就截止。
1、普通二极管
![]()
一般应用的时候,把二极管直接串联到电源的入口,可以防止电源反接。低成本 防反接 电路
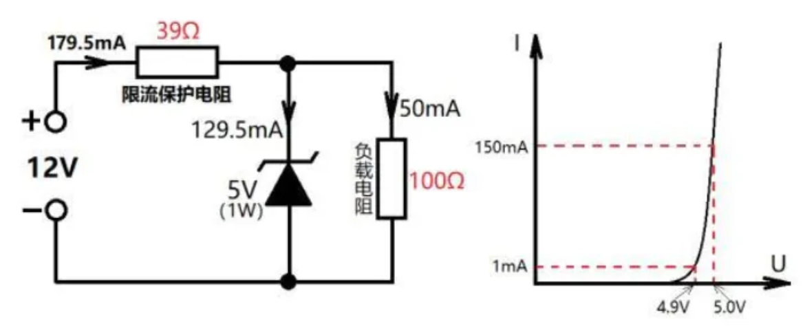
2、稳压二极管

原理
当稳压管在反向接法时,当反向电压小于击穿电压时,反向电流很小,呈现的动态电阻很大。通常工作电流越大,动态电阻越小,稳压性能越好。当反向电压大于击穿电压时,流过二极管的电流急剧增大,但是它两端的电压却基本不变,利用这一点来实现稳压。
原文链接:<https://www.xianjichina.com/news/details_44484.html>
来源:贤集网
著作权归作者所有。商业转载请联系作者获得授权,非商业转载请注明出处。
接入的时候一定要反接
应用场景
通常是接到电源的入口然后并联到地,主要的作用是起到一个过压保护
3、发光二极管
发光二极管:就是电子产品小灯,电源指示灯

典型的电源指示灯电路

电阻通常选1K。
4、肖特基二极管

左右很有多,也可以起到一个防反接的作用
肖特基二极管,与电源输入端并联(反接)。由于肖特基二极管的反接时的阻抗较小,分流较多,以起到保护电路的作用

注意
二极管焊接过程中,手一定要快,因为温度较高的时候,时间一长,二极管就会被烧坏
知识点5【三极管】
在PCB当中,三极管充当着电子开关的作用
b:基极
c:集电极
e:发射极

(图片来源于百度)
知识点6【常见电路】
1、电源电路

这个起到一个稳压的作用
知识点补充
1uF = 10^6pF
电容大小的另一种表现形式
104:10*10^4 = 10^5pF= 0.1uF
106:10*10^6 = 10uF
大小两个电容的作用
小电容:滤波 0.1uF 0.01uF
大电容:稳压
滤波解释:电源的电压是有波动(杂波)的,小电容会将 杂波 导入地下。进而得到一个干净平稳的直流电压。
稳压解释:防止电压的骤变;我们由C = Q/V,可知在电容周围积聚有电荷,电荷防止电压的骤变,保证传输的稳定性。
2、复位电路
这里补充一个知识点,当我们的硬件程序执行过程中,一旦我们给其一个高电平(微秒级)后恢复(有的板子可能时需要给一个低电平),硬件的程序即可从第一行开始执行。

当复位按键按下,RST端就会有一个高电平,进而实现复位的功能。
结束
代码重在练习!
代码重在练习!
代码重在练习!
今天的分享就到此结束了,希望对你有所帮助,如果你喜欢我的分享,请点赞收藏夹关注,谢谢大家!!!