文章目录
- 0 前言
- 1 设计信息
- 1.1 设计需求
- 1.2 原理图
- 1.3 电源表现
- 2 原因分析
- 3 横向对比
- TI UCG28826 (GaN)
- 采购的普通QR反激变换器
- 4 总结
0 前言
笔者原计划设计一款省电的,效率尚可的,稳定的2路输出反激电源,用于系统供电。选定JW15158B作为反激控制器。
设计出来的电源带载能力尚可,但输出端受到开关噪声影响,始终存在与原边同步的开关尖峰,尝试多种方式无果。
1 设计信息
1.1 设计需求
输入:85~265VAC
输出:12V2.5A + 15V1.0A 双路输出,峰峰值要求<±150mV。
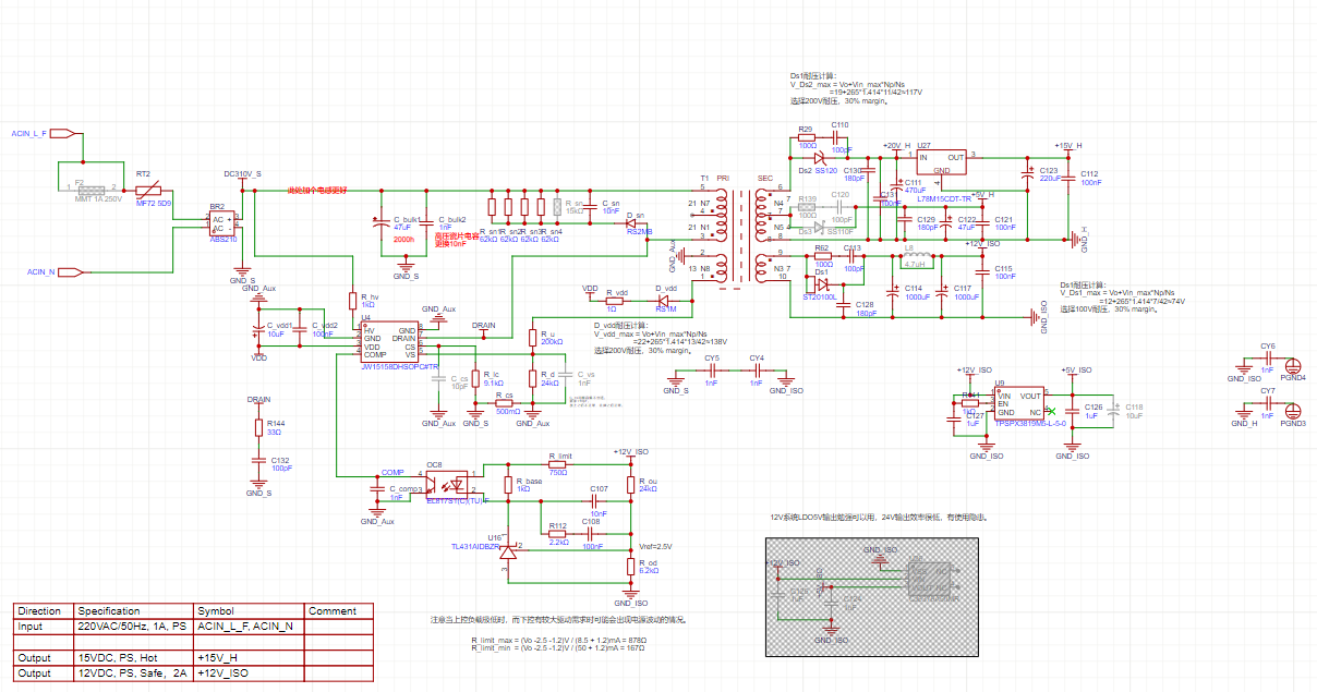
1.2 原理图

有需要的读者请私信笔者。
1.3 电源表现
示波器接线非严格按纹波测量要求测试
空载(注意时间分辨率):


带载(12V1.6A)


尝试很多调整方式都无法将开关噪声抑制到目标要求,包括但不限于如下方法:
环路优化、RCD参数调整、输出滤波、输出RC吸收电路参数调整、初次级Y电容参数调整、变压器调整(470uH,漏感<10uH)。
探头按纹波测试方式接线
!!!!!!
空载电压峰峰值260mV,12V1A带载时峰峰值340mV。
!!!!!!
链接:【开关电源】精确测量电源纹波(转载)
2 原因分析
理论上来说,GaN的开关频率比MOSFET的要高,可以做到更优秀的输出纹波。难道是dv/dt变大的原因导致输出受到更大的噪声干扰?
还没找到更好的解决方案。路过大神多多指点。
3 横向对比
TI UCG28826 (GaN)
链接: UCG28826
链接: EVM User’s Guide: UCG28826EVM-093
从评估板测试报告中可以找到如下图示。由于分辨率是10V/格,不能很好的分析输出电压波动情况,我用卡尺量了一下每格高度和输出电压的峰峰值,结果发现20V输出居然有3V的峰峰值!

也查了一下其他家GaN的反激控制器,其应用领域都是在USD PD充电上。猜想是不是这个应用场景对于电压的稳定性要求没有那么高。
采购的普通QR反激变换器
输出峰峰值可以做到200mV。也是非严格测量方式接线测量。说明去除测量手法的影响,还有改进空间。
4 总结
问题还没解决,同志还须努力。